Various Schematics and Diagrams

Contents:

[Document Version: 1.61] [Last Updated: 05/25/1998]


Chapter 1) About the Author & Copyright

Various Schematics and Diagrams

Author: Samuel M. Goldwasser
Corrections/suggestions: | Email

Copyright (c) 1994, 1995, 1996, 1997, 1998
All Rights Reserved

Reproduction of this document in whole or in part is permitted if both of the following conditions are satisfied:

  1. This notice is included in its entirety at the beginning.
  2. There is no charge except to cover the costs of copying.



Chapter 2) Introduction


This is a collection of various useful and interesting schematics.  Some
of these are also referenced by or included in other documents at this site.

What isn't here (this may not be everything):

* Extremely important safety information.  See the document: "Safety Guidelines for High Voltage and/or Line Powered Equipment".  Many of these
  circuits involved high voltage and/or direct line-connected high power
  systems.  Getting electrocuted could ruin your whole day.  For really high
  voltage equipment, also see: Tesla Coils Safety Information.

* Laser power supplies and other laser related schematics will be found in
  the document: "Lasers: Safety, Diode Lasers, Helium Neon Lasers, Drive,
  Info, Links, Parts".

* Additional electronic flash and other strobe related schematics will be
  found in the document: "Notes on the Troubleshooting and Repair of Electronic Flash Units and Strobe Lights and Design Guidelines, Useful Circuits, and Schematics".

* Isolation and variable transformers (Variacs), homemade degaussing coils,
  series light bulb adapter, and other Incredibly Handy Widgets(tm) for your
  test bench will be found in the document: "Troubleshooting and Repair of
  Consumer Electronic Equipment" and possibly in the specific document for
  each type of equipment.

* General nifty gadget and other pack rat stuff can be found in the document:
  "Salvaging Interesting Gadgets, Components, and Subsystems" which identifies
  useful components which may be removed from common consumer electronics and
  appliances as well as unconventional uses for their subsystems, modules, or
  replacement parts.

* Schematics associated with the testing of capacitors, transistors and other
  semiconductor devices (includes simple curve tracer design), flyback
  transformers, etc., will be found in the document dealing with each of
  these typse of devices.


Chapter 3) Simple High Voltage Generator


This basic circuit is capable of supplying up to 30 kilovolts or more
from a low voltage DC source using a flyback (LOPT) transformer salvaged
from a TV or computer monitor.  Typical output with a 12 VDC 2 A power
supply or battery will be around 12,000 V.  Current at full voltage is
typically around 1 to 2 mA.  Higher currents are available but the output
voltage will drop.  At 2 KV, more than 10 mA may be possible depending on
your particular flyback transformer.

This is an ASCII file: F_hvinvert.html


Chapter 4) Adjustable High Voltage Power Supply


This circuit uses a pair of 555 timers to provide variable frequency variable
pulse width drive to an inverter using a flyback transformer salvaged from
a black and white or color TV or computer monitor.

The input voltage can range from about 5 to 24 V.  Using a flyback from a MAC
Plus computer which had its bad primary winding excised, an output of more than
20 KV is possible (though risky since the flyback is probably not rated for
more than about 12 KV) from a 24 VDC, 2 A power supply.  By adjusting the drive
frequency and duty cycle, a wide range of output voltages and currents may
be obtained depending on your load.

With the addition of a high voltage filter capacitor (.08 uF, 12 KV), this
becomes a nice little helium neon laser power supply which operates on 8 to
15 VDC depending on required tube current and ballast resistor.  See the
document: "Lasers: Safety, Drive, Info, Parts; Diode, HeNe, Ar/Kr Ion Lasers"
for details.

The drive transformer is from a B/W computer monitor (actually a video display
terminal) and has a turns ratio of 4:1 wound on a 5/16" square by 3/8" long
nylon bobbin on a gapped ferrite double E core.  The primary has 80 turns and
the secondary has 20 turns, both of #30 wire.  Make sure you get the polarity
correct: The base of the switching transistor should be driven when the driver
turns on.

Where the flyback includes an internal rectifier and/or you are attempting
to obtain the maximum output voltage of a specific polarity, the direction of
drive matters as the largest pulse amplitude is generated when the switching
transistor turns off.  Since flyback transformers are not marked, you will
have to try both possible connections to the drive coil.  Use the one that
produces the higher output voltage for a given set of input conditions (drive
and pulse rate/width).

Many variations on this basic circuit are certainly possible.  However, one
nice thing about running it at 24 VDC or less is that it is much more difficult
to let the smoke out of the circuit!  The 5 A power supply I was using shut
down on several occasions due to overcurrent but the only time I blew the
chopper transistor was by accidentally shorting the base to collector.

These schematics are available in both PDF and GIF format.

  • Get HVGEN32-SCH: hvgen32.pdf or hvgen32.gif

  • Chapter 5) Panasonic VCR Switching Power Supply (PV48XX and Clones)

    
    This circuit was reverse engineered from the switching power supply from
    a Panasonic VCR.  It is typical of the small switchers used in the Panasonic
    PV28XX, PV48XX, and many other models, their Magnavox clones, as well as other
    Matsushita manufactured VCRs.  Many VCRs of other brands use similar designs.
    
    Errors in transcription are possible.  Some models use additional outputs each
    fed from a single rectifier diode and filter capacitor (not shown).  Some part
    numbers and the connector pinout may not be the same for your particular VCR.
    
    A totally dead supply with a blown fuse usually means a shorted switchmode
    power transistor, Q1.  Check all other components before applying power
    after replacement as other parts may be bad as well.
    
    The most common problems resulting in low or incorrect outputs are dried
    up or leaky electrolytic capacitors - C4, C16, C17, C21.
    
    See the document: "Notes on the Troubleshooting and Repair of Small Switchmode Power Supplies" for more info.
    
    These schematics are available in both PDF and GIF format:
    
    
  • Get VCRPS-SCH: vcrps.pdf or vcrps.gif

  • Chapter 6) Variable Intensity Variable Frequency Stroboscope

    
    The circuit referenced in the document: Notes on the Troubleshooting and
    Repair of Electronic Flash Units and Strobe Lights and Design Guidelines,
    Useful Circuits, and Schematics" is designed to provide a variety of options
    in terms of repetition rate, flash intensity, and various repeat and
    triggering modes.
    
    The design includes:
    
    * Line operated voltage doubler power supply.
    
    * Power transformer operated low voltage logic supply.
    
    * Variable frequency repeat mode controlled by 555 timer.
    
    * Optoisolated external trigger input.
    
    * Selectable flash intensities of .2, 2, and 20 W-s.
    
    * Autorepeat speeds from .05 to 100 Hz (though obviously, the flashlamp will
      not operate at all intensities for these entire ranges.)
    
    Parts of this circuit have been built and tested but the entire unit is not
    complete.  Maybe someday....
    
    These schematics are available in both PDF and GIF format.
    
    
  • Get STROBEX-SCH: strobex.pdf or strobex.gif

  • Chapter 7) Jacobs Ladders

    
    The climbing arcs of old bad sci-fi movies are always a popular item.  Just
    make sure you understand the safety implications before constructing one of
    these.  See the document: "Safety Guidelines for High Voltage and/or Line Powered Equipment".
    
    This is an ASCII file: F_jacobs.html
    
    


    Chapter 8) Inverter Circuits

    
    Except for the "Super simple inverter", these circuits were all reversed
    engineered from commercial products.  The good news is that this means they
    probably all work somewhat reliably.  The bad news is that a custom wound
    transformer (you can build in most cases) will be needed and there may be
    errors in the number of turns and wire sizes listed since these were all
    determined without totally dismembering the unit in question.
    
    


      8.1) Super simple inverter

    
    This circuit can be used to power a small strobe or fluorescent lamp.  It will
    generate over 400 VDC from a 12 VDC, 2.5 A power supply or an auto or marine
    battery.  While size, weight, and efficiency are nothing to write home about -
    in fact, they are quite pitiful - all components are readily available (even
    from Radio Shack) and construction is very straightforward.  No custom coils
    or transformers are required.  If wired correctly, it will work.
    
    Output depends on input voltage.  Adjust for your application.  With the
    component values given, it will generate over 400 V from a 12 V supply and
    charge a 200 uF capacitor to 300 V in under 5 seconds.
    
    For your less intense applications, a fluorescent lamp can be powered directly
    from the secondary (without any other components).  This works reasonably well
    with a F13-T5 or F15-T12 bulb (but don't expect super brightness).  Q1 does
    get quite hot so use a good heat sink.
    
                         C1 1 uF                   D2 1N4948   R2
                     +------||------+        T1    1.2KV PRV  1K 1W
                     |              |           +-----|>|-----/\/\---+------o +
                     | R1 4.7K, 1W  |   red  ||( blk                 |
                     +-----/\/\-----+------+ ||(                     |
                     |                  yel )||(                   +_|_ C2
      + o----------------------------------+ ||(                    --- 300 uF
                     |                  red )||(                   - |  450 V
                     |      +--------------+ ||(                     |
                     |  Q1  |                ||( blk                 |
     6 to 12         |    |/ C                  +--------------------+------o -
     VDC, 2A         +----|    2N3055    Stancor P-6134
                 D1 _|_   |\ E           117 V Primary (blk-blk)
             1N4007 /_\     |            6.3 VCT Secondary (red-yel-red)
                     |      |
      - o------------+------+
    
    


      8.2) Notes on super simple inverter

    
    1.  Construction can take any convenient form - perf board, minibox, etc.
        Make sure the output connections are well insulated.
    
    2.  C1 must be nonpolarized type - not an electrolytic.
    
    3.  D1 provides a return path for the base drive and prevents significant
        reverse voltage on the B-E junction.  Any 1 A or greater silicon diode
        should be fine.
    
    4.  C2 is shown as typical energy storage capacitor for strobe applications.
        Remove D2 and C2 for use with a fluorescent lamps.
    
    5.  D2 should be a high speed (fast recovery) rectifier.  However, for testing,
        a 1N4007 should work well enough.  R2 limits surge current through D2.
    
    6.  The polarity of the input with respect to the output leads is important.
        Select for maximum voltage by interchanging the black output wires.
    
    7.  Mount Q1 (2N3055) on a heat sink if continuous operation is desired.  It
        will get warm.  Other NPN power transistors with Vceo > 80 V, Ic > 2 A,
        and Hfe > 15 should work.  For a PNP type, reverse the the polarities of
        the power supply and D1, and interchange one set of leads (where a diode
        is used for DC output).
    
    8.  Some experimentation with component values may improve performance for
        your application.
    
    9.  When testing, use a variable power supply so you get a feel for how much
        output voltage is produced for each input voltage.  Component values are
        not critical but behavior under varying input/output voltage and load
        conditions will be affected by R1 and C1 (and the gain of your particular
        transistor).
    
    10. WARNING: Output is high voltage and dangerous even without large energy
        storage capacitor.  With one, it can be lethal.  Take appropriate
        precautions.
    
    11.
            |                         |           |
         ---+--- are connected;    ---|--- and ------- are NOT connected.
            |                         |           |
    
    


      8.3) Archer mini flashlight fluorescent lamp inverter

    
    The circuit below was reverse engineered from the Archer model number 61-3724
    mini fluorescent/incandescent flashlight combo (no longer in the Radio Shack
    catalog).  The entire inverter fits in a space of 1-1/8" x 1" x 3/4".  It is
    powered by 3 C size Alkaline cells and drives a F4-T5 tube.
    
    This design can easily be modified for many other uses at lower or higher
    power.
    
                                       o  T1
     + o----+----------+----------------+      o        
            |          |                 )|:| +--------------+-+
            |          \           D 28T )|:|(               | | 
            |       R1 /             #26 )|:|(              +|-|+
            |      560 \      +---------+ |:|(              | - |
            |          /      |           |:|( O 315T       |   | FL1
            |          |      |        o  |:|( #32          |   | F4-T5
            |          +------|---------+ |:|(              | - |
            |          |      |          )|:|(              +|-|+
          +_|_ C1      |      |    F 28T )|:|(               | |
           --- 47 uF   |      |      #32 )|:| +--------------+-+
          - |  16 V    |      |     +---+ 
            |          |      |  Q1 |           O = Output
            |          |     C \|   |           D = Drive
            |      C2 _|_       |---+           F = Feedback
            | .022 uF ---    E /|   |
            |          |      |    _|_ C3
            |          |      |    --- .022 uF
            |          |      |     |
      o-----+----------+------+-----+
    
    


      8.4) Notes on Archer mini flashlight fluorescent lamp inverter

    
    1. T1 is an E-core ferrite transformer.  The core is 5/8" x 3/4" x 3/16"
       overall.  The outer legs of the core are 1/8" thick.  The central leg
       is 3/16" square.  The square nylon bobbin has a diameter of 5/16".  There
       is a .020" gap (spacer) in between the two halves of the E-core.
    
       The 315T O (Output) is wound first followed by the 28T D (Drive) and 28T F
       (Feedback) windings.  There should be a strip of mylar insulating tape
       between each of the windings.
    
       The number of turns were estimated without disassembly as follows:
    
       * The wire sizes were determined by matching the diameters of the visible
         ends of the wire for each winding to magnet wire of known AWG.
    
       * The number of turns in the Output winding was determined based on its
         measured resistance, core diameter, and the wire gauge tables.  
    
       * A 50 KHz .1 V p-p signal was then injected into the Feedback winding.
         The amplitudes of the resulting outputs from the Drive and Output
         windings were then measured.  From these, the ratios of the number of
         turns were calculated.
    
    2. The transistor was totally unmarked.  A general purpose NPN medium power
       transistor like a 2N3053 or ECG24 should work.  For PNP types, reverse the
       polarities of the power supply and C1.
    
       Since it is very low power, no heat sink is used in the Archer flashlight.
       However, for other applications, one may be needed.
    
    3. Some experimentation with component values may improve performance for
       your application.
    
    4. When testing, use a variable power supply so you get a feel for how much
       output voltage is produced for each input voltage.  Component values are
       not critical but behavior under varying input/output voltage and load
       conditions will be affected by C2 and C3, the number of turns on each of
       the windings of T1, and the gain of your particular transistor.
    
    5. WARNING: Output is high voltage and dangerous.  Take appropriate
       precautions.
    
    6.
           |                         |           |
        ---+--- are connected;    ---|--- and ------- are NOT connected.
           |                         |           |
    
    


      8.5) Energizer mini flashlight fluorescent lamp inverter

    
    The circuit below was reverse engineered from the Energizer model number
    unknown (worn off) mini fluorescent/incandescent flashlight combo.  The entire
    inverter fits in a space of 1-1/8" x 1-1/8" x 3/4".  It is powered by 4 AA
    size Alkaline cells and drives a F4-T5 tube.
    
    This design is very similar to the Archer model (see the section: "Archer mini flashlight fluorescent lamp inverter", but eases starting requirements by
    actually heating one of the filaments of the T5 lamp.  Thus, a lower voltage
    transformer can be used.
    
                                                   o  T1   o 
     + o----+----------+--------+-------------------+ |:| +----------------+
            |          |    C4 _|_                   )|:|( H 16T #32       | 
            |          \  1000 ---             D 32T )|:| +--------------+ |
            |       R1 /    pF  |                #26 )|:|(               | |
            |      360 \        +-------------------+ |:|(              +|-|+
            |          /        |                     |:|(              | - |
            |          |        |                  o  |:|( O 160T       |   | FL1
            |          +--------|-------------------+ |:|( #32          |   | F4-T5
            |          |        |                    )|:|(              | - |
          +_|_ C1      |        |              F 16T )|:|(              +|-|+
           --- 47 uF   |        |                #26 )|:|(               | |
          - |  16 V    |        |  Q1           +---+ |:| +--------------+-+
            |          |        |  MPX9610      |
            |          |       C \|        R2   |       O = Output
            |      C2 _|_         |---+---/\/\---       D = Drive
            | .047 uF ---      E /|   |    22           F = Feedback
            |          |        |    _|_ C3             H - Heater (filament)
            |          |        |    --- .01 uF
            |          |        |     |
      o-----+----------+--------+-----+
    
    


      8.6) Notes on Energizer mini flashlight fluorescent lamp inverter

    
    1. T1 is an E-core ferrite transformer.  The core is 1/2" x 5/8" x 3/16"
       overall.  The outer legs of the core are 3/32" thick.  The central leg
       is 3/16" square.  The square nylon bobbin has a diameter of 5/16".  There
       is a .010" (estimate) gap (spacer) in between the two halves of the E-core.
    
       The 160T O (Output) is wound first followed by the 16T H (Heater), 32T D
       (Drive), and 16 T F (Feedback) windings.  There should be a strip of mylar
       insulating tape between each of the windings.
    
       The number of turns were estimated after unsoldering the transformer from
       the circuit board as follows:
    
       * The wire sizes were determined by matching the diameters of the visible
         ends of the wire for each winding to magnet wire of known AWG.
    
       * The number of turns in the Output winding was determined based on its
         measured resistance, core diameter, and the wire gauge tables.  
    
       * A 100 KHz .1 V p-p signal was then injected into the Drive winding.  The
         amplitudes and phases relationship of the resulting outputs from the
         Feedback, Heater, and Output windings were then measured.  From these,
         the ratios of the number of turns and winding start/end were determined.
    
    2. The transistor was an MPX9610.  I was not able to locate specs for this
       part number but a transistor like a 2N3053 or ECG24 should work.  For PNP
       types, reverse the polarities of the power supply and C1.
    
       Since it is very low power, no heat sink is used in the Energizer
       flashlight.  However, for other applications, one may be needed.
    
    3. Some experimentation with component values may improve performance for
       your application.
    
    4. When testing, use a variable power supply so you get a feel for how much
       output voltage is produced for each input voltage.  Component values are
       not critical but behavior under varying input/output voltage and load
       conditions will be affected by C2 and C3, the number of turns on each of
       the windings of T1, and the gain of your particular transistor.
    
    5. WARNING: Output is high voltage and dangerous.  Take appropriate
       precautions.
    
    6.
           |                         |           |
        ---+--- are connected;    ---|--- and ------- are NOT connected.
           |                         |           |
    
    


      8.7) Pocket fluorescent blacklight inverter GH-RV-B1

    
    (Schematic from: Axel Kanne (axel.k@swipnet.se)).
    
    This was reverse engineered from a toy pocket blacklight, made in China.
    It has been tested with tubes up to 6 W.
    
     4.5 to 12V (4)                              T1(2)
      + o---+-------------------+---------------+    +-----+-+
            |                   |   R2           )||(      | |
            |                   +--/\/\--+    W1 )||(     +|-|+
            |                      470   |       )||(     | - |
          +_|_ C1                  +-----|------+ ||( W3  |   | FL1
           --- 47uF              |/ C   _|_ C3    ||(     |   | (3)
            |  16V    +---+------| Q1   --- .015  ||(     | - |
            |         |   |   (1)|\ E    |  uF    ||(     +|-|+
            |     C2 _|_  |        |     +------+ ||(      | |
            |  .01uF ---  |   R1   |     |    W2 )|| +--+--+-+
            |         |   +--/\/\--|-----|------+       |
            |         |       20   |     |              |
      - o---+---------+------------+-----+--------------+
    
    


      8.8) Notes on Pocket blacklight inverter

    
    1. The original transistor is marked 8050 C0ZC.  A 2N3055 works better than
       the original, the tube starts faster and the transistor runs much cooler.
    
    2. T1 is a ferrite E-core transformer measuring 17mm x 15mm x 15mm. The core
       seems to be 5 mm thick.  The turns ratio has not been determined.  Winding
       W1 is made of ~0.2 mm wire, the resistance is below 1 ohm.  The data for
       winding W2 is the same as winding W1.  Winding W3 is made of ~0.5 mm wire
       and its resistance is 5 ohms.
    
    3. The original tube is an F4T5BLB blacklight tube, but the inverter has been
       tested with an ordinary F4T5 tube as well as a Philips 6W tube. The 6W tube
       causes the original transistor to run quite hot, so using a 2N3055 or
       similar power NPN is recommended. 
    
    4. 4.5V seems to be the absolute minimal voltage required to start an F4T5
       tube. 5V will start the 6W tube when a 2N3055 transistor is used.  Voltage
       can probably be cranked up above 12V, but that was the highest I tried
       (Didn't want to test when the tube blows).
    
    5. CAUTION: The inverter can give a nice(?) shock when run with the original
       transistor on 5V. With a 2N3055 and higher supply voltage, it can be nasty.
       Avoid touching the tube terminals. The bottom of the PCB can also give
       quite suprise, as I discovered :-(.
    
    6.
           |                         |           |
        ---+--- are connected;    ---|--- and ------- are NOT connected.
           |                         |           |
    
    


      8.9) Low power fluorescent lamp inverter 1

    
    The circuit below was reverse engineered from a model number FL-12 'Made
    in Hong Kong' battery (8 AA cells) or 12 V wall adapter powered portable
    fluorescent lamp.  The bulb is an F8-T5.
    
    This design can easily be modified for many other uses at lower or higher
    power.  Note that its topology is similar to that of the circuit described
    in the section: "Super simple inverter".
    
                                C2 .01 uF
                             +------||------+        T1  3
                             |              |           +------------+-+
                             |   R1 1.5K    |    4 o ||(             | |
                             +-----/\/\-----+------+ ||(            +|-|+
                             |                15T F )||(            | - |
                             |                    1 )||(            |   | FL1
          + o-----+----------|---------------------+ ||( O 350 T    |   | F8-T5
                  |          |                      )||(            |   |
                  |          |                20T D )||(            |   |
                  |       R2 /                    2 )||(            | - |
                  |       68 \      +-------+------+ ||(            +|-|+
        6 to 12  _|_ C1      /  Q1  |       |        ||( 5           | |
          VDC    --- 100 uF  |      |       |           +---+--------+-+
                  |  16 V    |    |/ C      |               |
                  |          +----|    5609 +---------------+
                  |      C3 _|_   |\ E NPN                     O = Output
                  | .027 uF ---     |                          D = Drive
                  |          |      |                          F = Feedback
        - o-------+----------+------+
    
    


      8.10) Notes on low power fluorescent lamp inverter 1

    
    1. T1 is an E-core ferrite transformer.  The core is 5/8" x 3/4" x 3/16"
       overall.  The outer legs of the core are 3/32" thick.  The central leg is
       3/16" square.  The square nylon bobbin has a diameter of 5/16".  There is
       no visible spacer between the cores but I did not disassemble to confirm.
    
       The 350T O (Output) is wound first followed by the 25T D (Drive) and 18T F
       (Feedback) windings.  There should be a strip of mylar insulating tape
       between each of the windings.
    
       The number of turns were estimated without disassembly as follows:
    
       * The resistances of each of the windings was measured to determine the
         arrangement of the transformer.
    
       * The inverter was run at just enough input voltage for it to oscillate
         (so the load of the fluorescent tube would not affect the readings) and
         the voltages on all 3 windings were measured on an oscilloscope.
         From this, the ratios for the windings were determined.
    
       * An estimate was made of the number of turns likely to be on the Drive
         winding based on other similar designs.  The number of turns on the
         other windings were calculated based on the turns ratios.  Wire size
         is probably #36 AWG.
    
    2. The transistor was marked 5609 which I could not cross to anything.  I
       would guess that a general purpose medium NPN power transistor like a 2N3053
       or ECG24 should work.  For a PNP type, reverse the polarities of the
       power supply and C1.
    
       Since it is very low power, no heat sink is used in this lamp.  However,
       for other applications, one may be needed.
    
    3. Some experimentation with component values may improve performance for
       your application.
    
    4. When testing, use a variable power supply so you get a feel for how much
       output voltage is produced for each input voltage.  Component values are
       not critical but behavior under varying input/output voltage and load
       conditions will be affected by C2, C3, R1, R2, the number of turns on each
       of the windings of T1, and the gain of your particular transistor.
    
    5. WARNING: Output is high voltage and dangerous.  Take appropriate
       precautions.
    
    6.
           |                         |           |
        ---+--- are connected;    ---|--- and ------- are NOT connected.
           |                         |           |
    
    


      8.11) Low power fluorescent lamp inverter 2

    
    The circuit below is the type used in inexpensive fluorescent camping lanterns.
    In this particular model, an F6-T5 lamp was used.  It will drive F4-T5 to
    F13-T5 tubes depending on input voltage.  The power source can be a 4 to 9 V,
    2 A power supply (depending on the size of your lamp) or a suitable battery
    pack.  This design was reverse engineered from a random commercial unit of
    unknown manufacture using a lead-acid battery battery that expired long ago.
    
                                          o  T1
     + o----+---------+-------------------+
            |         |                    )|:|  o      C2
            |      S1 |              D 20T )|:| +-------||-----+-+
            |   Start  |-              #26 )|:|(     .022 uF   | | 
            |         |                    )|:|(      600 V   +|-|+
            |         |           +-------+ |:|(              | - |
            |      R2 \           |         |:|( O 250T       |   |
            |     270 /           |      o  |:|( #32          |   | FL1
            |         \    +------|-------+ |:|(              |   | T5 lamp
          +_|_ C1     |    |      | F/S 7T )|:|(              |   |
           --- 100 uF |    |      |    #32 )|:| +-------+     | - |
          - |  16 V   +----|------|---+---+             |     +|-|+
            |              |      |   |                 |      | |
            |              |      |   +-----------------|------+-+
            |              |      +-----------+         |
            |     S2       |      |           |         |  O = Output
            | _|_ Off      |    |/ C          |         |  D = Drive
            +-- --+--------+----|    Q1       |         |  F/S = Feedback/starting
            |     |        |    |\ E 2SC1826 _|_ D2     |
            |     \       _|_     |          /_\ 1N4007 |
            |  R1 /    D1 /_\     |           |         |
            | 220 \ 1N4148 |      |           |         |
            |     |        |      |           |         |
      o-----+-----+--------+------+-----------+---------+
    
    The approximate measured operating parameters are shown in the chart below.
    The two values of input current are for starting/running (starting is with
    the Start button, S1, depressed.
    
            Lamp type --->  F4-T5       F6-T5       F13-T5
              V(in)         I(in)       I(in)       I(in)
      -------------------------------------------------------------
               3 V          .9/.6 A       -            -
               4 V         1.1/.7 A    1.1/.8 A        -
               5 V         1.3/.8 A    1.2/.9 A        -
               6 V             -       1.4/1.0 A    1.6/.95 A
               7 V             -          -         1.7/1.0 A
               8 V             -          -         1.8/1.2 A
               9 V             -          -         2.1/1.3 A
              10 V             -          -         2.2/1.4 A
    
    


      8.12) Notes on low power fluorescent lamp inverter 2

    
    1. Construction can take any convenient form - perf board, minibox, etc.
       Make sure the output connections are well insulated.
    
    2. T1 is assembled on a square nylon bobbin, 3/8" cubed.  Wind the 250T O
       (Output) first, insulate with mylar tape, 20T D (Drive) next, and 7T F/S
       (Feedback/Starting) last.  Observe directions of windings as indicated by
       the dots (o).  The number of turns for the O winding was estimated based
       on measured winding resistance, wire size, and the dimensions of the bobbin.
    
       The core is just a straight piece of ferrite 1/4" x 1/4" x 1-3/8"  It is
       fully open - there is no gap.
    
    3. Any general purpose NPN power transistor with Vceo > 80 V, Ic > 2 A, and
       Hfe > 15 should work.  For a PNP type, reverse the polarities of the power
       supply, C1, D1, and D2.
    
       Use a good heat sink for continuous operation at higher power levels (6 V
       input or above).  The type used (2SC1826) was a replacement after I fried
       the unidentified transistor originally installed (103-SV2P001).
    
    4. Pushbutton switches are used to control operation.  S1 (Start) provides
       initial base drive to the transistor via the Feedback/Starting winding of
       T1 until the tube arc is established.  At that point, feedback is sustained
       via current flowing through the tube.  S2 (Off) shorts the base of the
       transistor to ground to stop the oscillator.
    
       Like a regular manual start preheat fluorescent fixture, the start switch,
       must be depressed until the lamp comes on at full brightness indicating that
       the filaments are adequately heated.
    
    5. Some experimentation with component values may improve performance for
       your application.
    
    6. When testing, use a variable power supply so you get a feel for how much
       output voltage is produced for each input voltage.  Component values are
       not critical but behavior under varying input/output voltage and load
       conditions will be affected by R1 and R2 (during starting in particular),
       the number of turns on each of the windings of T1, and the gain of your
       particular transistor.
    
    7. WARNING: Output is high voltage and dangerous.  Take appropriate
       precautions.
    
    8.
           |                         |           |
        ---+--- are connected;    ---|--- and ------- are NOT connected.
           |                         |           |
    
    


      8.13) Medium power fluorescent lamp inverter

    
    This circuit is capable of driving a variety of fluorescent lamps from a 4 to
    12 V, 2 to 2.5 A DC power supply, rechargeable battery pack, or auto or marine
    battery.  With appropriate modifications (if needed) it may be used for other
    applications like powering an electronic flash or HeNe laser tube.  The
    transformer will need to be custom wound (by you) but this is not really
    difficult - just slightly time consuming for the 600 turn O (Output) winding
    if you don't have a coil winding machine.
    
    I have used it with fluorescent tubes of many sizes: F6-T5, F13-T5, F15-T12,
    and F20-T12.  The arc will be sustained with the filaments hot on an input
    as low as about 3.5 to 4 V (with a new tube) but during starting, an input
    voltage of about 5 or 6 V may be needed until the filaments are hot enough
    to sustain the arc at the lower voltage.
    
    Two nearly identical circuits are shown.
    
    * This design saves a couple of diodes but requires a centertapped feedback
      winding on the transformer.  The input voltage must exceed about 4 V for
      oscillation to commence:
    
             +Vcc                           o  T1
               o       Q1  +----------------+ 
               |           |                 )|:|
               +       B |/ C                )|:|
        L1 |:|(   +------|    MJE3055T       )|:|            C1
       24T |:|(   |      |\ E          D 15T )|:| +----------||---------+-+
       #22 |:|(   |        |             #26 )|:|(       .0039 uF       | | 
               +  |       -_-                )|:|(         600 V       +|-|+
               |  |                          )|:|(                     | - |
               +--|-------------------------+ |:|(                     |   |
               |  |                          )|:|(                     |   |
               |  |    Q2 _-_                )|:|(                     |   |
               |  |        |                 )|:|( O 600T              |   | FL1
               |  |    B |/ E          D 15T )|:|( #32                 |   |
               |  |  ----|    MJE3055T   #26 )|:|(                     |   |
               |  |  |   |\ C                )|:|(                     |   |
               |  |  |     |                 )|:|(                     |   |
               |  |  |     +----------------+ |:|(                     | - |
               |  |  |                        |:|(                     +|-|+
               |  |  |                      o |:|(                      | |
               |  |  -----------------------+ |:| +---------------------+-+
               |  |                    F 10T )|:|
               |  |                      #32 )|:|
               |  |               +---------+ |:|    O = Output
               |  |               |    F 10T )|:|    D = Drive
               |  |               |      #32 )|:|    F = Feedback
               |  +-------------------------+ 
               |                  |
               |            R1    |    R2
               +----------/\/\/\--+--/\/\/\--+
                            220        22   _|_
                            1 W        2 W   -
    
    * The following slightly modified design starts oscillating at a very low input
      voltage (under 2 V).  This may be beneficial when driving small lamps.  The
      circuit behaves quite similarly in all other respects.
    
             +Vcc                             o  T1
               o          Q1 +----------------+ 
               |             |                 )|:| 
               +         B |/ C                )|:|            C1
        L1 |:|(   +---+----|    MJE3055T       )|:| +----------||---------+-+
       24T |:|(   | __|__  |\ E          D 15T )|:|(       .0039 uF       | | 
       #22 |:|(   | _/_\_   _|_            #26 )|:|(         600 V       +|-|+
               +  |  _|_     -                 )|:|(                     | - |
               |  |   -   D1 1N4148            )|:|(                     |   |
               +--|---------------------------+ |:|(                     |   |
               |  |  _-_  D2 1N4148            )|:|(                     |   |
               |  | __|__   _-_                )|:|( O 600T              |   | FL1
               |  | _\_/_    |                 )|:|( #32                 |   |
               |  |   |  B |/ E          D 15T )|:|(                     |   |
               |  |   +----|    MJE3055T   #26 )|:|(                     |   |
               |  |   |    |\ C                )|:|(                     |   |
               /  |   |      |                 )|:|(                     | - |
           R1  \  |   |  Q2  +----------------+ |:|(                     +|-|+
           1K  /  |   |                         |:|(                      | |
               \  |   |                       o |:| +---------------------+-+
               |  |   +-----------------------+ |:|
               |  |                      F 10T )|:|    O = Output
               |  |       R2 22, 2 W       #32 )|:|    D = Drive
               +--+---------/\/\/\------------+        F = Feedback
      
    
    The switching frequency is about 21 KHz and varies less than 5 percent over
    the range of input voltage for which the bulb remains lit (it is significantly
    higher with no load - about 140 KHz).  An input voltage of about 4 V is needed
    to start oscillation (reducing R1 or increasing R2 would lower this at the
    expense of efficiency at higher voltages) but it will continue well below 3 V.
    
    The measured input current at various input voltages for two lamp types are
    shown in the chart below.  SV (Starting Voltage) is the minimum input voltage
    required to preheat the filaments before the lamp will turn on (current is
    lower until filaments are hot).  FB (Full Brightness) is the point at which
    the lamp appears to be operating at the same intensity as if it were installed
    in a normal 115 VAC fixture.
    
             Lamp type --->  F13-T5           F20-T12
               V(in)         I(in)             I(in)
          ---------------------------------------------------
                3 V            -              1.37 A
                4 V          1.76 A           1.52 A (SV)
                5 V          1.80 A (SV)      1.60 A
                6 V          1.90 A           1.65 A
                7 V          1.96 A (FB)      1.70 A
                8 V          2.02 A           1.80 A
                9 V          2.16 A           1.90 A
               10 V          2.33 A           2.05 A
               11 V            -              2.30 A (FB)
               12 V            -              2.60 A
    
    


      8.14) Notes on medium power fluorescent lamp inverter

    
    1. T1 is an E-core ferrite transformer.  Once complete, the cores are installed
       on the bobbin with a 2 mm gap.  Some experimentation with the core gap may
       be needed to optimize performance for a given lamp type and input voltage.
    
       Each E core is 1" x 1/2" x 1/4"  overall.  The outer legs of the core are
       1/8" thick.  The central leg is 1/4" square.  The square nylon bobbin has
       a diameter of 5/16" and length of 3/8".
    
       The 600T O (Output) is wound first followed by the 15T D (Drive) and 10T F
       (Feedback) windings.  For convenience, wind the D and F windings bifiler
       style (the two wires together).  Determine the appropriate connections
       with an ohmmeter (or label the ends).  The centertaps are brought out to
       terminals.  Try to distribute the O winding uniformly across the entire
       bobbin area by winding it in multiple layers.  This will assure that no
       wires with a significant voltage difference are adjacent.  There should be
       a strip of insulating tape between the O and the other windings.
    
    2. L1 isolates the power supply.  It is 24 turns of #22 wire wound on a 1/4"
       ferrite core.  The inverter works fine without L1 but seems to have a tad
       more strength at low voltage with it.
    
    3. The transistors are MJE3055T (2N3055 in a TO220 package) types but are not
       critical.  However, I expect that some faster switching transistors would
       run cooler.  Any fast switching NPN power transistor with Vceo > 80 V,
       Ic > 3 A, and Hfe > 15 should work.  For PNP types, reverse the polarity
       of the power supply.
    
       For operation above about 6 V, a pair of good heat sinks will be required.
       However, power dissipation in the transistors does not seem to increase
       as much as expected - the base drive is probably more optimal at higher
       input voltage.
    
    4. Some experimentation with component values may improve performance for
       your application.
    
    5. When testing, use a variable power supply so you get a feel for how much
       output voltage is produced for each input voltage.  Component values are
       not critical but behavior under varying input/output voltage and load
       conditions will be affected by C1, the number of turns on each of the
       windings of T1, the gap of the core of T1, and the gain of your particular
       transistor.  If the circuit does not start oscillating, interchange the
       F winding connections to Q1 and Q2.
    
    6. WARNING: Output is high voltage and dangerous.  Take appropriate
       precautions.
    
    7.
           |                         |           |
        ---+--- are connected;    ---|--- and ------- are NOT connected.
           |                         |           |
    
    


      8.15) Basic 200 W power inverter

    
    This circuit was reverse engineered from a Tripp-Lite "Power-Verter" Model
    PV200 DC to AC Inverter - typical of those used for camping or boating
    applications where the only source of power is an auto or marine battery.
    This particular model is rated 200 W continuous.  The output is a 60 Hz
    squarewave and there is no regulation or precise frequency control.  (Unlike
    the other circuits in this collection, it is NOT a high frequency inverter.)
    
    Modifications for higher or lower output voltage are easily achieved.  For
    example, a fast cycle strobe requiring 330 VDC, would only require using three
    times the number of turns on the Output winding and the addition of a bridge
    rectifier to charge the energy storage capacitor(s).  Alternatively, the
    inverter could be used as-is with the addition of a voltage tripler.  A tripler
    rather than doubler is needed because of the squarewave output.  (The RMS and
    peak voltages are the same so you don't get the boost of 1.414 as you do with
    the sinusoidal waveform from the power company.)
    
                                                        3 o
            +12 VDC                +--------+--------------+
               o                   |        |               )||
               |                 |/ C     +_|_ C1           )||
               S F1 20 A  +------|    Q1   --- 10 uF  31T D )||  o 2
               |          |      |\ E     -_|_ 160 V    #13 )|| +---------o AC Hot
                \ S1      |       _|_       -               )||(
               |  Pwr     |        -                        )||(
               |          |                               4 )||(
               +------+---|--------------------------------+ ||(
               |      |   |       _-_                       )||(
               |      |   |        |                        )||( O 360T
               |      |   |      |/ E      _-_ C2     31T D )||( #20
               |      /   |  ----|    Q2  -_|_ 10 uF    #13 )||(
          C3 +_|_  R3 \   |  |   |\ C      --- 160 V        )||(
       10 uF  --- 150 /   |  |     |      + |             5 )||(
        50 V - |  5 W \   |  |     +--------+--------------+ ||(
               |      |   |  |                               ||( 1
               |      |   |  +---------------------+         || +------o AC Neutral
               |      |   |                        |     6 o ||
               +------+---|-------------------+    +-------+ || T1
                          |                   |     F 17T   )||
                          |       R3 2.7 10 W |       #24 7 )|| O = Output
                          |      +----/\/\----+------------+ || D = Drive
                          |      |R2 2.7 10 W           10 o || F = Feedback
                          |      +----/\/\-----------------+ ||
                          |     _|_                 F 17T   )|| (Pin numbers from
                          |      -                    #24 8 )||  Triplite unit.)
                          +--------------------------------+
    
    


      8.16) Notes on basic power inverter

    
    1. Construction was all done point-to-point - there is no circuit board.
       Layout appears not to be critical.
    
    2. T1 is a relatively large heavy laminated E-I core transformer.  The E and I
       sheets alternate direction to assure a low reluctance magnetic circuit.
    
       The core dimensions are 3-3/4" x 3-1/8" x 1-1/8" overall.  The outer legs
       of the core are 5/8" thick.  The central leg is 1" wide.  The square bobbin
       has a diameter of 1-3/8".
    
       The 360T O (Output) secondary is wound first as 4 or 5 insulated layers
       followed by the 31T D (Drive) and 17T F (Feedback) windings.  There are
       insulating layers between each of the windings.
    
       The number of turns were estimated without disassembly as follows:
    
       * The wire sizes were determined by matching the diameters of the visible
         ends of the wire for each winding to magnet wire of known AWG and/or
         measuring with a micrometer where possible.  (The Drive windings are
         actually wound using square cross-section magnet wire for maximum packing
         density.  This was estimated to be equivalent to #13 AWG round wire.)
    
       * The number of turns in the Output winding was determined based on its
         measured resistance, core diameter, and the wire gauge tables.
    
       * The inverter was run and the amplitudes of the signals on each winding
         were measured.  From these ratios, the number of turns were calculated.
    
    2. The transistor were marked 69-206.  ECG29 is a close match - high power
       amplifier switch - 80 V, 50 A, 300 W, Hfe 20 min.  2SD797 is another
       readily available power transistor that should work.  For PNP types,
       reverse the polarities of the power supply, C1, C2, and C3.
    
       The transistors are mounted on heat sinks which form the sides of the case.
    
    3. C3 and R3 are required for starting.  Since there is no source of current
       for the bases of the transistors other than the Feedback windings, this
       provides a starting pulse to Q2 when the unit is switched on.  Ramping the
       input voltage slowly rather than using the power switch would likely result
       in the inverter behaving like an inanimate object.
    
    4. Measured frequency of operation was about 56 Hz.  This is likely affected
       by nearly everything - input voltage, capacitance, core saturation, phase
       of the moon, etc.  Therefore, don't expect to drive a clock mechanism from
       this thing with any accuracy!
    
    5. Some experimentation with component values may improve performance for
       your application.
    
    6. When testing, use a variable power supply so you get a feel for how much
       output voltage is produced for each input voltage.  Component values are
       not critical but behavior under varying input/output voltage and load
       conditions will be affected by C2 and C3, the number of turns on each of
       the windings of T1, and the gain of your particular transistors.  However,
       See note (3) about starting.
    
    7. WARNING: Output is high voltage and dangerous - even more so if you increase
       its output for true HV applications.  Over 200 W is available continuously.
       Take appropriate precautions.
    
    8.
           |                         |           |
        ---+--- are connected;    ---|--- and ------- are NOT connected.
           |                         |           |
    
    


    Chapter 9) Kevin's Strobe Schematics

    
    


      9.1) High power inverter and trigger circuits

    
    (From: Kevin Horton (khorton@tech.iupui.edu)).
    
    I'm building a super strobe bar!   It has 8 strobe tubes under computer
    control.  (Actually a PIC processor, but hey, computer is a computer.)
    I have all the stuff done except the control section, and I only have
    2 of the 8 strobe units done due to the fact that I haven't found any
    more cheap cameras at the thrift store! (One Saturday morning's worth of
    garage sales and flea markets would remedy that! --- sam).
    
    It runs on 12 V, at up to 6 A, and can fire the tubes at a rate of about 8-10
    times per second.  The storage cap is a 210 uf, 330 V model; it gets to about
    250 V to 300 V before firing; depending on how long it has had to charge.
    Because of this high speed, the tubes get shall we say, a little warm. (Well,
    maybe a lot warm --- sam).  I have it set up at the moment driving two
    alternating 5 W-s tubes.  I'm pumping them quite a bit too hard, as the
    electrodes start to glow after oh, about 5 seconds or so of continuous use.
    I know, a high class problem, indeed!  My final assembly will have 8 tubes
    spaced about 8 inches apart on a 2x4, with a Plexiglass U-shaped enclosure
    with a nice 12 V fan blowing air through one end of the channel to cool the
    inverter and the tubes.  Stay tuned.
    
    Inverter - High power 12 V to 300 V inverter for high repeat rate medium
    power strobes. Schematic in GIF format: inverter.gif
    
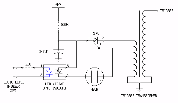
    Trigger - Opto-isolated logic level trigger for general strobe applications.
    Schematic in GIF format: trigger.gif
    
    


      9.2) Tiny tiny inverter design

    
    I have developed a cool little transformer circuit that seems to be
    very efficient.  I built this inverter as tiny as I could make it.
    It runs off of 3V, and charges up a little 1 uf 250V cap all the way up in
    about 30 seconds; drawing about 5 to 8 mA in the process.  The numbers by the
    windings tell the number of turns.  The primary and feedback windings are
    #28, while the secondary is #46.  Yes, #46!  I could hardly tell what
    gauge it was, as it was almost too small to measure with my micrometer!
    It may be #44 or #45, but at these sizes, who knows?  I used a trigger
    transformer for the wire.  I used all the wire on it, to be exact; it
    all JUST fit on the little bobbin.  The primary went on the core first,
    then the secondary, and finally the feedback winding.  This order is
    very important.  I used a ferrite bobbin and corresponding ferrite 'ring'
    that fit on it.  The whole shebang was less than 1 cm in diameter, and
    about 3-5 mm high!  I gave it a coat of wax to seal things up, and made
    the inverter circuit with surface-mount parts, which I then waxed onto the
    top.  There are two wires in, and two wires out.  It's enough to run a
    neon fairly brightly at 1.2 V, with a 3 ma current draw.
    
    Schematic in GIF format: teeny.gif
    
        Vcc >---+--------------+ T1
                |            6T )||
                \           #28 )|| +-------o HV output
             R1 /               )||(
            47K \          +---+ ||(
                /  2N4401  |     ||(
                |        |/ C    ||( 450T
                |     +--|   Q1  ||( #46
                |     |  |\ E    ||(
                |     |    |     ||(
                +--+  +--------+ ||(
                |  |       |17T )||(
            C1 _|_ |       |#28 )|| +-------o HV return
       .001 uF --- |       |    )||
                |  +-----------+
                |          |
       Gnd >----+----------+
    
    


    Chapter 10) IR Detector/Tester Circuits

    
    Two approaches are shown below.
    
    * The first uses a bare photodiode as the sensor.  It is simpler, lower power,
      and shouldn't care what, if any, modulation is used by the IR source.
    
    * An IR detector module salvaged from a TV or VCR, or purchased from Radio
      Shack or elsewhere may be used instead of a photodiode.  This will have a
      much greater dynamic range (response to both weak and powerful signals)
      than a simple photodiode.  However, some of these assume a particular
      modulation frequency and will be blind to anything else.  Power requirements
      may also be more restrictive - it may insist on regulated 12 V).
    
    


      10.1) IR detector circuit using bare photodiode

    
    This IR Detector may be used for testing of IR remote controls, CD player
    laser diodes, and other low level near IR emitters.  It will not have the
    sensitivity or dynamic range of the approach described in the section: "IR detector circuit using IR receiver module" but will respond to all sources
    of IR falling within the wavelength range of the photodiode used since there
    is not demodulation or coupling circuitry to get in the way.
    
    IR radiation falling on the photodiode causes current to flow through R1
    to the base of Q1 switching it and LED1 on.
    
    Component values are not critical. Purchase photodiode sensitive to near
    IR - 750-900 um or salvage from optocoupler or photosensor.  Dead computer
    mice, not the furry kind, usually contain IR sensitive photodiodes. For
    convenience, use a 9V battery for power.  Even a weak one will work fine.
    Construct the circuit so that the LED does not illuminate the photodiode!
    
    The detected signal may be monitored across the transistor with an
    oscilloscope.
    
     Vcc (+9 V) o-------+---------+
                        |         |
                        |         \
                        /         /  R3
                        \ R1      \  500
                        / 3.3K    /
                        \       __|__
                        |       _\_/_  LED1 Visible LED
                      __|__       |
            IR ---->  _/_\_ PD1   +--------o Scope monitor point
              Sensor    |         |             (low active)
            Photodiode  |     B |/ C
                        +-------|    Q1 2N3904
                        |       |\ E
                        \         | 
                        / R2      +--------o Gnd
                        \ 27K     |
                        /         |
                        |         |
           Gnd o--------+---------+
                       _|_
                        -
    
    


      10.2) IR detector circuit using IR receiver module

    
    This one uses an entire IR receiver module as the IR sensor.  Its sensitivity
    and dynamic range will be much better than the circuit described in the
    section: "IR detector circuit using bare photodiode" since these modules
    have automatic gain control circuitry built in.  However, some modules are
    tuned to a particular modulation frequency and/or are AC coupled and will not
    respond to all remotes or other pulsed or continuous IR sources.
    
    The IR receiver module from a TV, VCR, or purchased from Radio Shack or
    elsewhere, drives the base of Q1 through R1.  It may even be possible to
    eliminate the transistor circuit entirely and connect the LED directly to the
    module's output (in series with a current limiting resistor to Vcc or Gnd) but
    that depends on the drive capabilities of the module.  You can use whatever
    Vcc is required for the IR receiver module for the LED circuit as well but may
    need to change the value of R2 to limit the current to the LED to less than
    its maximum rating.
    
    The specific case where Vcc is +5 V is shown.
    
                                     R2 
        Vcc (+5) o------+-----------/\/\--------+
                        |           220       __|__
                        |                     _\_/_  LED1 Visible LED
                        |                       |
                        |+                      +--------o Scope monitor point
                   +----------+                 |             (low active)
                  -|    IR    |out    R1    B |/ C
           IR ---> : Receiver |------/\/\-----|    Q1 2N3904
                  -|  Module  |      10K      |\ E
                   +----------+                 | 
                        |-                      |
             Gnd o------+-----------------------+--------o Gnd
                       _|_
                        -
    
    


    Chapter 11) Basic Incandescent Light Dimmer Circuits

    
    These are the type of common light dimmers (e.g., replacements for standard
    wall switches) widely available at hardware stores and home centers.
    
    CAUTION: However, note that a dimmer should not be wired to control an
    outlet since it would be possible to plug a device into the outlet which
    might be incompatible with the dimmer resulting in a safety or fire hazard.
    
    While designed for incandescent or heating loads only, these will generally
    work to some extent with universal motors as well as fluorescent lamps down
    to about 30 to 50 percent brightness.  Long term reliability is unknown for
    these non-supported applications.
    
    


      11.1) Simplest dimmer schematic

    
    The first schematic is of a normal (2-way) inexpensive dimmer - in fact this
    contains just about the minimal number of components to work at all!
    
    S1 is part of the control assembly which includes R1.
    
    The rheostat, R1, varies the amount of resistance in the RC trigger circuit.
    The enables the firing angle of the triac to be adjusted throughout nearly
    the entire length of each half cycle of the power line AC waveform.  When
    fired early in the cycle, the light is bright; when fired late in the cycle,
    the light is dimmed.  Due to some unavoidable (at least for these cheap
    dimmers) interaction between the load and the line, there is some hysteresis
    with respect to the dimmest setting: It will be necessary to turn up the
    control a little beyond the point where it turns fully off to get the light
    to come back on again.
    
              Black o--------------------------------+--------+
                                                     |        |
                                                  |  |        |
                                               R1 \  |        |
                                            185 K /<-+        |
                                                  \  v CW     |
                                                  |         __|__ TH1
                                                  |         _\/\_ Q2008LT
                                                  +---|>|   / |   600 V
                                                  |   |<|--'  |
                                              C1 _|_  Diac    |
                                           .1 uF --- (part of |
                           S1                     |    TH1)   |
              Black o------/ ---------------------+-----------+
    
    


      11.2) 3-way dimmer schematics

    
    There are at least two varieties of inexpensive 3-way style dimmer switches
    which differ mainly in the switch configuration, not the dimmer circuitry.
    You will probably have no reliable way of telling them apart without testing
    or disassembly.
    
    None of the simple 3-way dimmer controls permit totally independent dimming
    from multiple locations.  With some, a dimmer can be installed at only one
    switch location.  Fully electronic approaches (e.g., 'X10') using master
    programmers and addressable slave modules can be used to control the intensity
    of light fixtures or switch appliances on or off from anywhere in the house.
    
    However, for one simple, if inelegant, approach to independent dimming, see
    the section: "Independent dimming from two locations - kludge #3251".
    
    


      11.3) Simple 3-way dimmer schematic 1

    
    The schematic below is of one that is essentially a normal 3-way switch with
    the dimmer in series with the common wire.  Only one of these should be
    installed in a 3-way circuit.  The other switch should be a normal 3-way
    type.  Otherwise, the setting of the dimmer at one location will always
    affect the behavior of the other one (only when the remote dimmer is at its
    highest setting - full on - will the local dimmer have a full range and
    vice-versa).
    
    Note that the primary difference between this 3-way dimmer schematic and
    the normal dimmer schematic shown above is the addition of an SPDT switch -
    which is exactly what is in a regular 3-way wall switch.  However, this
    dimmer also includes a choke (L1) and capacitor (C2) to suppress Radio
    Frequency Interference (RFI).  Operation is otherwise identical to that
    of the simpler circuit.
    
    This type of 3-way dimmer can be used at only one end of a multiple switch
    circuit.  All the other switches should be conventional 3-way or 4-way types.
    Thus, control of brightness is possible only from one location.
    
       Red 1 o--------o
                        \ 
                     S1   o----+------------+-----------+
                               |            |           |
       Red 2 o--------o        |         R1 \  ^ CW     |
                               |      220 K /<-+        |
                               |            \  |        |
                               |            |  |        |
                               |            +--+        |
                               |            |           |
                               |         R2 /           |
                           C2 _|_      47 K \           |
                      .047 uF ---           /         __|__ TH1
                               |            |         _\/\_ SC141B
                               |            +---|>|   / |   200 V
                               |            |   |<|--'  |
                               |        C1 _|_   D1     |
                               |   .062 uF ---  Diac    |
                               |            |           |
       Black o-----------------+---CCCCCC---+-----------+
                                     L1
                             40 T #18, 2 layers
                           1/4" x 1" ferrite core 
    
    


      11.4) Simple 3-way dimmer schematic 2

    
    The schematic below is of a 3-way dimmer with a slightly more complex
    switching arrangement such that when the local dimmer is set to full on or
    full off, it is bypassed.  (If you ignore the intermediate dimming range of
    the control, it behaves just like a normal 3-way switch.)  With this scheme,
    it is possible to have dimmers at both locations without the dimmer
    circuitry ever being in series and resulting in peculiar behavior.
    
    Whether this is really useful or not is another story.  The wiring would be
    as follows:
    
                  Location 1             Location 2
                 3-way Dimmer      A    3-way Dimmer     +---------+
                      /o----------------------o\         |  Lamp   |
        Hot o------o/    Silver 1     Silver 2   \o------|   or    |-----o Neutral
               Brass   o----------------------o   Brass  | Fixture |
                         Silver 2  B  Silver 1           +---------+
    
    (If dimming interacts, interchange the A and B wires to the silver screws at
    one dimmer).
    
    This one uses a toggle style potentiometer where the up and down positions
    operate the switches.  Therefore, it has 3 states: Brass to Silver 1 (fully
    up), dim between Brass and Silver 1 (intermediate positions), and Brass to
    Silver 2 (fully down).
    
                            Br  /o---o            Br   o---o          Br/\/o---o
      3-way dimmer is up o---o/   S1   or down o---o\  S1    or Dim o---o  S1
                                 o---o                \o---o               o---o
                                  S2                   S2                  S2
    
    However, it is still not possible to have totally independent control - local
    behavior differs based on the setting of the remote dimmer (details left as
    an exercise for the reader).
    
    Like the previous circuit, this dimmer also includes a choke (L1) and
    capacitor (C3) to suppress Radio Frequency Interference (RFI).  It is just
    a coincidence (or a matter of cost) that the 3-way dimmers have RFI filters
    and the 2-way type shown above does not.
    
      Silver 1 o---+----------------+--------------------+-----------+
                   |                |                    |           |
                   |                |                 R1 \  ^ Up     |
                   |                |              150 K /<-+        |
                   |                |                    \  |        |
                   |                |                    |  |        |
                   |                |          +---------+--+        |
                   |                |          |         |           |
                   |            C3 _|_         |      R2 /           |
                   |               ---         |    22 K \           |
                   |                |          |         /         __|__ TH1
                   |                |      C2 _|_        |         _\/\_ 
                   |                | .047 uF ---        +---|>|   / |   200 V
               Up \                 |          |         |   |<|--'  |
                   |                |          |     C1 _|_   D1     |
                   |                |          |.047 uF ---  Diac    |
                   |                |          |         |           |
                   |  Dim  o--------+---CCCC---+---------+-----------+
                   |     /               L1
         Brass o---+---o               12T #18
                               1/4" x 1/2" ferrite core
                     Down  o         
                           |
      Silver 2 o-----------+
    
    


      11.5) Independent dimming from two locations - kludge #3251

    
    Here is a scheme which will permit dimming with independent control from two
    locations.  Each location will have a normal switch and a dimmer knob.  The
    toggle essentially selects local or remote but like normal 3-way switches, the
    actual position depends on the corresponding setting of the other switch:
    
                     Location 1       Location 2
               +--------+  4-way SW    3-way SW
    Hot o--+---| Dimmer |----o\ /o--------o\            +---------+
           |   +--------+      /            \o----------| Fixture |------o Neutral
           |              +--o/ \o--------o      Center +---------+ Shell
           |              |                      (brass)           (silver)
           |              |            +--------+
           |              +------------| Dimmer |--+
           |                           +--------+  |
           +---------------------------------------+
    
    As usual, the brass screw on the fixture or outlet should be connected to the
    Hot side of the wiring and the silver screw to the Neutral side.
    
    The dimmers can be any normal knob or slide type with an off position.
    
    Note that as drawn, you need 4 wires between switch/dimmer locations.
    4-way switches are basically interchange devices - the connections
    are either an X as shown or straight across.  While not as common as
    3-way switches, they are available in your favorite decorator colors.
    
    If using Romex type cable in between the two locations, make sure to tape or
    paint the ends of the white wires black to indicate that they may be Hot as
    required by Code.
    
    And, yes, such a scheme will meet Code if constructed using proper wiring
    techniques.
    
    No, I will not extend this to more than 2 locations!
    
    CAUTION: However, note that a dimmer should not be wired to control an
    outlet since it would be possible to plug a device into the outlet which
    might be incompatible with the dimmer resulting in a safety or fire hazard.
    
    


    Chapter 12) Simple Power Supplies

    
    This is a (currently somewhat meager) collection of basic power supply
    circuits that will hopefully grow as time passes.
    
    


      12.1) Converting an AC output wall adapter to DC

    
    Where a modest source of DC is required for an appliance or other device,
    it may be possible to add a rectifier and filter capacitor (and possibly
    a regulator as well) to a wall adapter with an AC output.  While many wall
    adapter output DC, some - modems and some phone answering machines, for
    example - are just transformers and output low voltage AC.
    
    This is also the simplest and safest way to construct a small DC power supply
    as you do not need to deal with the 110 VAC at all.
    
    To convert such an adapter to DC requires the use of:
    
        * Bridge rectifier - turns AC into pulsating DC.
        * Filter capacitor - smooths the output reducing its ripple.
        * Regulator - produces a nearly constant output voltage.
    
    Depending on your needs, you may find a suitable wall adapter in your junk
    box (maybe from that 2400 baud modem that was all the rage a couple of years
    ago!).
    
    The basic circuit is shown below:
    
                Bridge Rectifier   Filter Capacitor
    
        AC o-----+----|>|-------+---------+-----o DC (+)
                ~|              |+        |
       In from   +----|<|----+  |       +_|_   Out to powered device
       AC wall               |  |      C ___   or voltage regulator
       Adapter   +----|>|----|--+       - |
                 |           |            |
        AC o-----+----|<|----+------------+-----o DC (-)
                ~                -
    
    Considerations:
    
    * An AC input of Vin VRMS will result in a peak output of approximately
      1.4 Vin - 1.4 V.  The first factor of 1.4 results from the fact that the
      peak value of a sinusoid (the power line waveform) is 1.414 (sqrt(2))
      times the RMS value.  The second factor of 1.4 is due to the two diodes
      that are in series as part of the bridge rectifier.  The fact that they
      are both about 1.4 is a total coincidence.
    
      Therefore, you will need to find an AC wall adapter that produces an output
      voltage which will result in something close to what you need.  However,
      this may be a bit more difficult than it sounds since the nameplate rating
      of many wall adapters is not an accurate indication of what they actually
      produce especially when lightly loaded.  Measuring the output is best.
    
    * Select the filter capacitor to be at least 10,000 uF per 1000 mA of output
      current with a voltage rating of at least 2 x Vin.  This rule of thumb will
      result in a ripple of less than 1 V p-p which will be acceptable for many
      devices or where a voltage regulator is used (but may be inadequate for
      some audio devices resulting in some 120 Hz hum.  Use a larger or additional
      capacitor or a regulator in such a case.
    
    * Suitable components can be purchased at any electronics distributor as well
      as Radio Shack.  The bridge rectifier comes as a single unit or you can put
      one together from 1N400x diodes (the x can be anything from 1 to 7 for these
      low voltage applications).  Observe the polarity for the filter capacitor!
    
    The following examples illustrate some of the possibilities.
    
    * Example 1: A typical modem power pack is rated at 12 VAC but actually
      produces around 14 VAC at modest load (say half the nameplate current
      rating).  This will result in about 17 to 18 VDC at the output of the
      rectifier and filter capacitor.
    
    * Example 2: A cordless VAC battery charger adapter might produce 6 VAC.
      This would result in 6 to 7 VDC at the output of the rectifier and filter
      capacitor.
    
    Adding an IC regulator to either of these would permit an output of up to
    about 2.5 V less than the filtered DC voltage.
    
    


      12.2) Adding an IC regulator to a wall adapter or battery

    
    For many applications, it is desirable to have a well regulated source of
    DC power.  This may be the case when running equipment from batteries as
    well as from a wall adapter that outputs a DC voltage or the enhanced adapter
    described in the section: "Converting an AC output wall adapter to DC".
    
    The following is a very basic introduction to the construction of a circuit
    with appropriate modifications will work for outputs in the range of about
    1.25 to 35 V and currents up 1 A.  This can also be used as the basis for a
    small general purpose power supply for use with electronics experiments.
    
    What you want is an IC called an 'adjustable voltage regulator'.  LM317 is one
    example - Radio Shack should have it along with a schematic.  The LM317 looks
    like a power transistor but is a complete regulator on a chip.
    
    Here is a sample circuit:
    
                        I +-------+ O                       
        Vin (+) o-----+---| LM317 |---+--------------+-----o Vout (+)
                      |   +-------+   |              |
                      |       | A     /              |
                      |       |       \ R1 = 240     |
                      |       |       /              |           ___
                     _|_ C1   |       |            +_|_ C2      |_0_|  LM317
                     --- .01  +-------+             --- 1 uF    |   |  1 - Adjust
                      |  uF   |                    - |          |___|  2 - Output
                      |       \                      |           |||   3 - Input
                      |       / R2                   |           123
                      |       \                      |
                      |       |                      |
        Vin(-) o------+-------+----------------------+-----o Vout (-)
    
    Note: Not all voltage regulator ICs use this pinout.  If you are not using an
    LM317, double check its pinout - as well as all the other specifications.
    
    For the LM317:
    
    1. R2 = (192 x Vout) - 240, where R2 in ohms, Vout is in volts and must be at
       between 1.2 V and 35 V.
    
    2. Vin should be at least 2.5V greater than Vout.  Select a wall adapter with
       a voltage at least 2.5 V greater than your regulated output at full load.
    
       However, note that a typical adapter's voltage may vary quite a bit
       depending on manufacturer and load.  You will have to select one that
       isn't too much greater than what you really want since this will add
       unnecessary wasted power in the device and additional heat dissipation.
    
    3. Maximum output current is 1 A.  Your adapter must be capable of supplying
       the maximum current safely and without its voltage drooping below the
       requirement in (2) above.
    
    4. Additional filter capacitance (across C1) on the adapter's output may help
       (or be required) to reduce its ripple and thus the swing of its input.
       This may allow you to use an adapter with a lower output voltage and reduce
       the power dissipation in the regulator as well.
    
       Using 10,000 uF per *amp* of output current will result in less than 1 V
       p-p ripple on the input to the regulator.  As long as the input is always
       greater than your desired output voltage plus 2.5 V, the regulator will
       totally remove this ripple resulting in a constant DC output independent
       of line voltage and load current fluctuations.  (For you purists, the
       regulator isn't quite perfect but is good enough for most applications.)
    
       Make sure you select a capacitor with a voltage rating at least 25% greater
       than the adapter's *unloaded* peak output voltage and observe the polarity!
    
       Note: wall adapters designed as battery chargers may not have any filter
       capacitors so this will definitely be needed with this type.  Quick check:
       If the voltage on the adapter's output drops to zero as soon as it is pulled
       from the wall - even with no load - it does not have a filter capacitor.
    
    5. The tab of the LM317 is connected to the center pin - keep this in mind
       because the chip will have to be on a heat sink if it will be dissipating
       more than a watt or so.  P = (Vout - Vin) * Iout.  
    
    6. There are other considerations - check the datasheet for the LM317
       particularly if you are running near the limits of 35 V and/or 1 A.
    
    


    Chapter 13) Discrete Multivibrator Schematic

    
    This is an astable multivibrator using discrete parts.  Yes, I know, low tech
    but you can actually fondle all the internal points of interest that way :-).
    
    The time constant of R1*C1 and R2*C2 determine the blink rate.  (Try 50K, 10
    uF to start for a visible blink rate).
    
    You can also put an LED in series with one or both of the collector resistors
    (to blink alternately) and do away with any additional buffers.
    
    Modify the values of these pair of Rs and Cs for operation at higher or lower
    frequencies.  Some considerations:
    
    * For very low Cs, stray capacitance and device frequency response will limit
      highest frequency.
    
    * For very large Cs and/or very large Rs, leakage will limit lowest frequency.
    
    * For very large Rs, gain of transistors may be inadquate.
    
    * For very small Rs, transistors may melt down :-).
    
    Note: C1 and C2 can be either non-polarized or polarized (electrolytic) types.
    If polarized (e.g., to obtain higher capacitance values for lower operating
    frequencies), install the capacitors in the direction shown.
    
                        Vcc
                         o
                         |
            +----+-------+--------+----+--------------+
            |    |                |    |              |
            |    |                |    |              /
            /    /                /    /              \ 220
            \ 1K \ R1             \ R2 \ 1K           /
            /    /                /    /              \
            \    \                \    \            __|__
            |    |                |    |            _\_/_ LED
            +--------------+      |    |              |
            |    |      +--|-----------+              |   Q1-Q3: 2N3904 or similar
            |    |      |  |      |    |     10K    |/ C         general purpose
            |    |      |  |      |    +----/\/\----| Q3         NPN transistor.
           C \|  |  C1  |  |  C2  |  |/ C           |\ E
           Q1 |--+--)|--+  +--|(--+--| Q2             |
           E /|    -  +      +  -    |\ E            _|_
           _|_                        _|_             -
            -                          -
    
    Question for the student: What happens if one or both Cs are replaced by
    resistors?
    
    


    Chapter 14) Ultrasonic cleaner schematic

    
    Ultrasonic cleaning is a means of removing dirt and surface contamination from
    intricate and/or delicate parts using powerful high frequency sound waves in
    a liquid (water/detergent/solvent) bath.
    
    An ultrasonic cleaner contains a power oscillator driving a large piezoelectric
    transducer under the cleaning tank.  Depending on capacity, these can be quite
    massive.
    
    A typical circuit is shown below.  This is from a Branson Model 41-4000 which
    is typical of a small consumer grade unit.
    
                   R1        D1
     H o------/\/\-------|>|----------+
             1, 1/2 W  EDA456         |
                   C1         D2      |
              +----||----+----|>|-----+
              |  .1 uF   |  EDA456    |  2  
              |  200 V   |      +-----+---+ T1      +---+------->>------+
              |    R2    |     _|_ C2      )||  o 4 |   |               |
              +---/\/\---+     --- .8 uF D )|| +----+   |               |
              |   22K          _|_ 200 V   )||(         +               |
              |   1 W           -      1 o )||(          )||           _|_
              +-----------------+---------+ ||( O        )|| L1        _x_ PT1
              |           R3    |        7  ||(          )||            |
              |      +---/\/\---+   +-----+ ||( 5       +               |
             C \|    | 10K, 1 W     |    F )|| +---+    |               |
           Q1   |--+-+--------------+  6 o )||     |    |               |
             E /|  |  D3     R4       +---+        +----+------->>------+
              |    +--|<|---/\/\--+  _|_
              |           47, 1 W |  ---       Input: 115 VAC, 50/60 Hz
              |                   |   |        Output: 460 VAC, pulsed 80 KHz
     N o------+-------------------+---+
    
    The power transistor (Q1) and its associated components form an self excited
    driver for the piezo-transducer (PT1).  I do not have specs on Q1 but based on
    the circuit, it probably has a Vceo rating of at least 500 V and power rating
    of at least 50 W.
    
    Two windings on the transformer (T1, which is wound on a toroidal ferrite
    core) provide drive (D) and feedback (F) respectively.  L1 along with the
    inherent capacitance of PT1 tunes the output circuit for maximum amplitude.
    
    The output of this (and similar units) are bursts of high frequency (10s to
    100s of KHz) acoustic waves at a 60 Hz repetition rate.  The characteristic
    sound these ultrasonic cleaners make during operation is due to the effects
    of the bursts occuring at 60 Hz since you cannot actually hear the ultrasonic
    frequencies they use.
    
    The frequency of the ultrasound is approximately 80 KHz for this unit with a
    maximum amplitude of about 460 VAC RMS (1,300 V p-p) for a 115 VAC input.
    
    WARNING: Do not run the device with an empty tank since it expects to have
    a proper load.  Do not touch the bottom of the tank and avoid putting your
    paws into the cleaning solution while the power is on.  I don't know what,
    if any, long term effects there may be but it isn't worth taking chances.
    The effects definitely feel strange.
    
    Where the device doesn't oscillate (it appears as dead as a door-nail), first
    check for obvious failures such as bad connections and cracked, scorched, or
    obliterated parts.
    
    To get inside probably requires removing the bottom cover (after pulling the
    plug and disposing of the cleaning solution!).
    
    CAUTION: Confirm that all large capacitors are discharged before touching
    anything inside!
    
    The semiconductors (Q1, D1, D2, D3) can be tested for shorts with a multimeter
    (see the document: "Basic Testing of Semiconductor Devices".
    
    The transformer (T1) or inductor (L1) could have internal short circuits
    preventing proper operation and/or blowing other parts due to excessive load
    but this isn't kind of failure likely as you might think.  However, where all
    the other parts test good but the cleaning action appears weak without any
    overheating, a L1 could be defective (open or other bad connections) detuning
    the output circuit.
    
    


    Chapter 15) Range, oven, and furnace electronic ignition Schematic

    
    Many modern gas stoves, ovens, furnaces, and other similar appliances use an
    electronic ignition rather than a continuously burning pilot flame to ignite
    the fuel.  These are actually simple high voltage pulse generators.
    
    * Where starting is manual (there is a 'start' position on the control(s), a
      set of switch contacts on the control(s) provides power to the ignition
      module.
    
      - A problem of no spark with only one control indicates that the fault is
        with it or its wiring.
    
      - A problem with continuous sparking even with all the controls off or in
        their normal positions indicates a short - either due to a defective switch
        in one of the controls or contamination bypassing the switch contacts.
    
    * Where starting is automatic, an electronic sensor, thermocouple, or bimetal
      switch provides power to the ignition module as needed.
    
    The Harper-Wyman Model 6520 Kool Lite(tm) module is typical of those found in
    Jenne-Aire and similar cook-tops.  Input is 115 VAC, 4 mA, 50/60 Hz AC.  C1
    and D1 form a half wave doubler resulting in 60 Hz pulses with a peak of about
    300 V and at point A and charges C2 to about 300 V through D2.  R2, C3, and
    DL1 form a relaxation oscillator triggering SCR1 to dump the charge built up
    on C2 into T1 with a repetition rate of about 2 Hz.
    
               C1                A       D1                     T1 o
        H o----||----------------+-------|>|-------+-------+       +-----o HVP+
             .1 uF     D2 1N4007 |     1N4007      |       |  o ||( 
             250 V   +----|>|----+                 |       +--+ ||(
                     |           |                 |           )||(
                     +---/\/\----+                 |       #20 )||( 1:35
                     |  R1 1M    |             C2 _|_          )||(
                     |        R2 /           1 uF ---      +--+ ||(
                     |       18M \    DL1   400 V  |     __|__  ||(
                     |           /    NE-2         |     _\_/_     +-----o HVP-
                     |           |    +--+         |     / |
                     |           +----|oo|----+---------'  | SCR1
                     |       C3  |    +--+    |    |       | S316A
                     |  .047 uF _|_        R3 /    |       | 400 V
                     |    250 V ---       180 \    |       | 1 A
                     |           |            /    |       |
             R4 2.7K |           |            |    |       |
        N o---/\/\---+-----------+------------+----+-------+
    
    


    Chapter 16) Bug Zapper

    
    You know the type - a purplish light with an occasional (or constant) Zap!
    Zap! Zap!  If you listen real closely, you may be able to hear the screams of
    the unfortunate insects as well :-).
    
    The high-tech versions consist of a high voltage low current power supply and
    fluorescent (usually) lamp selected to attract undesirable flying creatures.
    (Boring low-tech devices may just use a fan to direct the insects to a tray of
    water from which they are too stupid to be able to excape!)
    
    However, these devices are not selective and will obliterate friendly and
    useful bugs as well as unwanted pests.
    
    Here is a typical circuit:
    
             S1        R1         C1            C2            C1-C4: .5 uF, 400 V
      H o----o/ o--+--/\/\--------||---+--------||---------+  D1-D5: 1N4007
                   |  25K        D1    |   D2        D3    |   D4
                   |         +---|>|---+---|>|---+---|>|---+---|>|---+
                  +-+        |        C3         |        C4         |
     AC Line      |o| FL1    +---+----||----+----+---+----)|----+----+--o + 
                  +-+ Lamp   |   |    R3    |        |    R4    |        500 to
                   |         |   +---/\/\---+        +---/\/\---+        600 V
                   |   R2    |       10M                 10M             to grid
      N o----------+--/\/\---+------------------------------------------o -
                      25K
    
    This is just a line powered voltage quadrupler.  R1 and R2 provide current
    limiting when the strike occurs (and should someone come in contact with the
    grid).  The lamp, FL1, includes the fluorescent bulb, ballast, and starter (if
    required).  Devices designed for jumbo size bugs (or small rodents) may use
    slightly larger capacitors!
    
    


    Chapter 17) Electronic Air Cleaner HV Generator

    
    At least I assume this cute little circuit board is for an electronic air
    cleaner or something similar (dust precipitator, positive/negative ion
    generator, etc.)!  I received the unit (no markings) by mistake in the mail.
    However, I did check to make sure it wasn't a bomb before applying power. :-)
    
    This module produces both positive and negative outputs when connected to 115
    VAC, 60 Hz line voltage.  Each is about 5 KV at up to around 5 uA.
    
                       D1                                            T1  o
      H o--------------|>|----+---+--------------------+                +-----o A
                     1N4007   |   |        Sidac     __|__ SCR1     |:|(
                              |   |   R3  D2 100 V   _\_/_ T106B2   |:|(
      AC                  C1  |   +--/\/\---|>|      / |   200 V    |:|(
     Line      Power  .15 uF _|_     1.5K   |<|--+--'  |   4 A    o |:|( 350 ohms
              IL1 LED   250V ---                _|_    |  +-------+ |:|(
            +--|<|---+        |              C2 ---    |  |        )|:|(
            |   R1   |   R2   |        .0047 uF  |     |  | .1 ohm )|:|(
      N o---+--/\/\--+--/\/\--+                  +-----+--+        )|:|(
               470      3.9K  |                                +--+     +--+--o B
               1 W      2 W   |                                |    R4     |
                              +--------------------------------+---/\/\----+
                                                                   2.2M
    
    The AC input is rectified by D1 and as it builds up past the threshold of the
    sidac (D2, 100 V), SCR1 is triggered dumping a small energy storage capacitor
    (C1) through the primary of the HV transformer, T1.  This generates a HV pulse
    in the secondary.  In about .5 ms, the current drops low enough such that the
    SCR turns off.  As long as the instantaneous input voltage remains above about
    100 V, this sequence of events repeats producing a burst of 5 or 6 discharges
    per cycle of the 60 Hz AC input separated by approximately 13 ms of dead time.
    
    The LED (IL1) is a power-on indicator. :-)
    
    The transformer was totally potted so I could not easily determine anything
    about its construction other than its winding resistances and turns ratio
    (about 1:100).
    
                                                A o
                                         C3       |
                                  +------||-------+
              R5     R6      D3   |   D4     D5   |  D6     R7       R8
      HV- o--/\/\---/\/\--+--|>|--+--|>|--+--|>|--+--|>|---/\/\--+--/\/\--o HV+
             10M    10M   |      C4       |                220K  |  10M
                          +------||-------+                      |
           D3-D6: 10 KV, 5 mA            _|_                    _|_
           C3,C4: 200 pF, 10 KV          --- C5                 --- C6
           C5,C6: 200 pF, 5 KV            |                      |
                                     B o--+----------------------+
    
    The secondary side consists of a voltage tripler for the negative output
    (HV-) and a simple rectifier for the positive output (HV+).  This asymmetry is
    due to the nature of the unidirectional drive to the transformer primary.
    
    From my measurements, this circuit produces a total of around 10 KV between
    HV+ and HV-, at up to 5 uA.  The output voltages are roughly equal plus and
    minus when referenced to point B.
    
    I assume the module would also operate on DC (say, 110 to 150 V) with the
    discharges repeating continuously at about 2 KHz.  Output current capability
    would be about 5 times greater but at the same maximum (no load) voltage.
    (However, with DC, if the SCR ever got stuck in an 'on' state, it would be
    stuck there since there would be no AC zero crossings to force it off.  This
    wouldn't be good!)
    
    The secondary side circuitry can be easily modified or redesigned to provide
    a single positive or negative output or for higher or lower total voltage.
    Simply removing R4 will isolate it from the input and earth ground (assuming
    T1's insulation is adequate).
    
    Where there is no high voltage from such a device, check the following:
    
    * Make sure power is actually getting to the high voltage portion of the unit.
      Test the wall socket and/or AC adapter or other power supply for proper
      voltage with a multimeter.
    
    * Excessive dirt/dust/muck/moisture or physical damage or a misplaced paper
      clip may be shorting it out or resulting in arcing or corona (a strong aroma
      of ozone would be an indication of this).  With such a small available
      current (only uA) it doesn't take much for contamination to be a problem.
      Thoroughly clean and dry the unit and check for shorts (with a multimeter
      between the HV electrodes and case) and then test it again.  Your problems
      may be gone!
    
    * If this doesn't help and the unit is not fully potted (in which case,
      replacement is the only option), check for shorted or open components,
      especially the power semiconductors.
    
    


    Chapter 18) Auto Air Purifier HV Generator

    
    Well, maybe :-).  This thing is about the size of a hot-dog and plugs
    into the cigarette lighter socket.  It produces a bit of ozone and who knows
    what else.  Whether there is any effect on air quality (beneficial or
    otherwise) or any other effects is questionable but it does contain a nice
    little high voltage circuit.
    
                                                                       DL1 +-+ |
                                                       o  T1 +-------+-----|o|
      +12 o---+--------+----------+---------------------+ ||(        |     +-+ |
              |        |          |                D 30T )||(        | DL2 +-+
              |        |        -_|_ 4.7uF           #30 )||(        +-----|o| |
              |        |         --- 50V         +------+ ||( 3000T  |     +-+
              |       _|_ C2    + |              |        ||( #44    | DL3 +-+ |
              |       --- 470pF   +--------------|------+ ||(        +-----|o|
              |        |          |              | F 30T )||(        |     +-+ |
            +_|_ C1    |          |       D1     |   #36 )||(        | DL4 +-+
             --- 33uF  +----------|---+---|<|----|------+ ||(        +-----|o| |
            - |  16V   |          |   | 1N4002   |     o     +--+          +-+
              |        /          /   |        |/ C           o |              | 
              |     R1 \       R2 \   +--------|Q1  TIP41       +--------------+
              |     1K /     4.7K /            |\ E             |            Grid
              |        \          \              |              |
              |        |          |              |              |
      GND o---+--------+----------+--------------+--------------+
    
    T1 is constructed on a 1/4" diameter ferrite core.  The D (Drive) and F
    (Feedback) windings are wound bifilar style (interleaved) directly on the
    core.  The O (Output) winding is wound on a nylon sleeve which slips over
    the core and is split into 10 sections with an equal number of turns (100
    each) with insulation in between them.
    
    DL1 to DL4 look like neon light bulbs with a single electrode.  They glow like
    neon light bulbs when the circuit is powered and seem to capacitively couple
    the HV pulses to the grounded grid in such a way to generate ozone.  I don't
    know if they are filled with special gas or are just weird neon light bulbs.
    
    


    Chapter 19) Typical Rechargeable Flashlight Schematics

    
    Here are circuit diagrams from several inexpensive rechargeable flashlights.
    These all use very 'low-tech' chargers so battery life may not be as long as
    possible and energy is used at all times when plugged into an AC outlet.
    
    


      19.1) First Alert Series 50 rechargeable flashlight schematic

    
    This one is typical of combined all-in-one units using a lead-acid battery
    that extends a pair of prongs to directly plug into the wall socket for
    charging.
    
    It is a really simple, basic charger.  However, after first tracing out the
    circuit, I figured only the engineers at First Alert knew what all the diodes
    were for - or maybe not :-).  But after some reflection and rearrangement of
    diodes, it all makes much more sense:  C1 limits the current from the AC line
    to the bridge rectifier formed by D1 to D4.   The diode string, D5 to D8 (in
    conjunction with D9) form a poor-man's zener to limit voltage across BT1 to
    just over 2 V.
    
    The Series 50 uses a sealed lead-acid battery that looks like a multi-cell
    pack but probably is just a funny shaped single cell since its terminal voltage
    is only 2 V.
    
    Another model from First Alert, the Series 15 uses a very similar charging
    circuit with a Gates Cyclon sealed lead-acid single cell battery, 2 V, 2.5
    A-h, about the size of a normal Alkaline D-cell.
    
    WARNING: Like many of these inexpensive rechargeable devices with built-in
    charging circuitry, there is NO line isolation.  Therefore, all current
    carrying parts of the circuit must be insulated from the user - don't go
    opening up the case while it is plugged in!
    
                                                 2V LB1  Light
                                               1.2A +--+ Bulb    S1
                                           +--------|/\|----------o/ o----+
                _ F1   R3         D3       |        +--+                  |
       AC o----- _----/\/\---+----|>|--+---|----------------------+       |
              Thermal  15    |    D2   |   |                 4A-h |       |
               Fuse          | +--|>|--+   |         BT1 - |+ 2V  |       |
                             | |  D4       +--------------||------|-------+
                             +----|<|--+   |               |      |       |
                               |  D1   |   |  D8   D7   D6   D5   |  D9   |
              +--------+-------+--|<|--+---+--|<|--|<|--|<|--|<|--+--|>|--+
              |        |                                                  |
              |        /                                                  |
             _|_ C1    \ R1                                               |
             --- 2.2uf / 100K                                             |
              |  250V  \                                                  |
              |        |               R2          L1  LED                |
       AC o---+--------+--------------/\/\-----------|<|------------------+
                                     39K 1W       Charging
    
    


      19.2) Black & Decker Spotlighter Type 2 rechargeable flashlight

    
    This uses a 3 cell (3.6 V) NiCd pack (about 1 A-h).  The charging circuit is
    about as simple as it gets!
    
                                                                     S1
             11.2 VRMS                                +---------------o/ o----+
      AC o-----+ T1       R1      LED1         D1     |  +| | | -             |
                )|| +----/\/\-----|>|---->>----|>|----+---||||||---+          |
                )||(      33    Charging     1N4002       | | |    |  KPR139  |
                )||(      2W                           BT1         |    LB1   |
                )||(                                   3.6V, 1 A-h |    +--+  |
                )|| +-------------------->>------------------------+----|/\|--+
      AC o-----+                                             Light Bulb +--+
    
            |<------- Charger ---------->|<---------- Flashlight ----------->|
    
    I could not open the transformer without dynamite but I made measurements of
    open circuit voltage and short circuit current to determine the value of R1.
    I assume that R1 is actually at least in part the effective series resistance
    of the transformer itself.
    
    Similar circuits are found in all sorts of inexpensive rechargeable devices.
    These have no brains so they trickle charge continuously.  Aside from wasting
    energy, this may not be good for the longevity of some types of batteries (but
    that is another can of worms).
    
    


      19.3) Brand Unknown (Made in China) rechargeable flashlight schematic

    
    This is another flashlight that uses NiCd batteries.  The charger is very
    simple - a series capacitor to limit current followed by a bridge rectifier.
    
    There is an added wrinkle which provides a blinking light option in addition
    to the usual steady beam.  This will also activate automatically should there
    be a power failure while the unit is charging if the switch is in the 'blink'
    position.
    
    With Sa in the blink position, a simple transistor oscillator pulses the light
    with the blink rate of about 1 Hz determined by C2 and R5.  Current through R6
    keeps the light off if the unit is plugged into a live outlet.  (Q1 and Q2 are
    equivalent to ECG159 and ECG123AP respectively.)
    
                R1          D1                 R3   LED1
        AC o---/\/\----+----|>|-------+---+---/\/\--|>|--+    D1-D5: 1N4002
                33    ~|    D2        |+  |   150        |
               1/2W    +----|<|----+  |   |       R4     |  D5
                            D3     |  |   +------/\/\----+--|>|--+
                  C1   +----|>|----|--+   |    33, 1/2W          |   LB1 2.4V
                1.6uF ~|    D4     |      |   | |                |   +--+ .5A
        AC o--+---||---+----|<|----+--+---|--||||--------------+-+---|/\|----+
              |  250V  |              |-  | - | |+             |     +--+    |
              +--/\/\--+              |   |   BT1      + C2 -  |      R5     |
                  R2                  |   |  2.4V    +---|(----|-----/\/\----+
                 330K                 |   |          |  22uF   |     10K     |
                                      |   |    R6    |       |/ E            |
                                      |   +---/\/\---+-+-----| Q1            |
                                      |       15K      |     |\ C  +---------+
                                      |                /  C327 |   |         |
                                      |             R7 \   PNP |   |   1702N |
                                      |           100K /       |   |   NPN |/ C
                                      |                \       +---|-------| Q2
                                      |      On        |           |       |\ E
                                      |   S1 o---------|-----------+         |
                                      +----o->o Off    |                     |
                                             o---------+---------------------+
                                        Blink/Power Fail
    
    


    Chapter 20) Interesting Sequential Neon Flasher

    
    This is a sort of brain teaser since it certainly isn't intuitively obvious
    how this circuit works (if it works at all).  It may be instructive to start
    with the degenerate case of 2 resistors, 2 neon lamps, and a single capacitor.
    What happens with that configuration?
    
    (From: Steve Roberts (osteven@akrobiz.com)).
    
      +200V o----+-----+-----+-----+-----+
                 |     |     |     |     |
                 /     /     /     /     /
                 \ R1  \ R2  \ R3  \ R4  \ R5    R1-R5: 2.7M
                 /     /     /     /     /
                 \     \     \     \     \
                 |     |     |     |     |
                 +-o A +-o B +-o C +-o D +-o E
                 |     |     |     |     |
                 | IL1 | IL2 | IL3 | IL4 | IL5   IL1-IL5: NE2
                +-+   +-+   +-+   +-+   +-+
                |o|   |o|   |o|   |o|   |o|
                +-+   +-+   +-+   +-+   +-+
                 |     |     |     |     |
        Gnd o----+-----+-----+-----+-----+
    
    Connect a .22 uF, 200 V capacitor between each of the following pairs of
    points: A to C, A to D, B to D, B to E, C to E.
    
    Neons will flash in sequence ABCDE if fed off DC.  Momentarily removing the DC
    will cause them to flash EDCBA.
    
    From an ancient Radio Shack "Pbox" kit - the first kit I ever built!
    
    


    Written by Samuel M. Goldwasser. | [mailto]. The most recent version is available on the WWW server http://www.repairfaq.org/ [Copyright] [Disclaimer]