Sam's Portion of the Sci.Electronics.Repair FAQ: Expanded Table of
Contents
Contents:
[Document Version: TLJVERSIONERR]
[Last Updated: 05/25/1998]
Sam's Portion of the Sci.Electronics.Repair FAQ: Expanded Table of Contents
Copyright (c) 1994, 1995, 1996, 1997, 1998
All Rights Reserved
Reproduction of this document in whole or in part is permitted if both
of the following conditions are satisfied:
- This notice is included in its entirety at the beginning.
- There is no charge except to cover the costs of copying.
Sam's Portion of the Sci.Electronics.Repair (S.E.R) FAQ
Expanded Table of Contents (ToC):
HTML, Photos, Diagrams, and Schematics
This is a complete list of the files which constitute the portions of the
Sci.Electronics.Repair FAQ that I have authored.
Note: There are *zillions* of additional diagrams and schematics included
within the HTML files themselves. Those that are listed here are only the
ones that are in .pdf, .gif, .jpg, or other graphics or compressed format.
The Most Important Document - Must Read:
Notes on the Troubleshooting and Repair of...:
Sam's Other Repair Information:
Sam's General Electronics Information and Links:
- Sam's Laser FAQ: Safety, Info, Links, Parts, Types, Drive, Construction (Link) (F_laserfil.html).
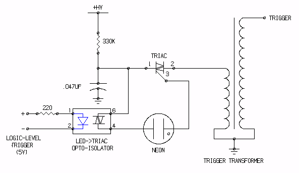
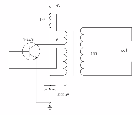
- Various Schematics and Diagrams (F_samschem.html).
- Simple High Voltage Generator
- Jacob's Ladders
- Simple High Voltage Probe design (F_hvprobe.html).
- Performance Testing of Computer and Video Monitors (F_montest.html).
- Approaches to using Fixed Frequency or Non-Standard Monitors on PCs (F_ffmon.html).
- Notes on Video Conversion (F_vidconv.html).
- Fluroescent Lamps, Ballasts, and Fixtures (F_flamp.html).
- Gas Discharge Lamps, Ballasts, and Fixtures (F_dlamp.html).
- International Power and Standards Conversion (F_pwrfaq.html).
- Salvaging Interesting Gadgets, Components, and Subsystems (F_gadget.html).
- Engineering, Science, and Other (Pretty Clean) Jokes Collection (F_humor.html).
- Sam's Neat, Nifty, and Handy Bookmarks (F_sambook.html).
Essential and Optional Icons :-).