Sam's Schematic Collection
Various Schematics and Diagrams

Version 1.94 (10-Feb-07)

Copyright © 1994-2007
Samuel M. Goldwasser
--- All Rights Reserved ---

For contact info, please see the
Sci.Electronics.Repair FAQ Email Links Page.


Reproduction of this document in whole or in part is permitted if both of the following conditions are satisfied:
  1. This notice is included in its entirety at the beginning.
  2. There is no charge except to cover the costs of copying.



Table of Contents



  • Back to Sam's Schematic Collection Table of Contents.

    Preface

    Author and Copyright

    Author: Samuel M. Goldwasser

    For contact info, please see the Sci.Electronics.Repair FAQ Email Links Page.

    Copyright © 1994-2007
    All Rights Reserved

    Reproduction of this document in whole or in part is permitted if both of the following conditions are satisfied:

    1.This notice is included in its entirety at the beginning.
    2.There is no charge except to cover the costs of copying.

    DISCLAIMER

    Many of the circuits have been reverse engineered - traced from various schematics or actual hardware. There may be errors in transcription, interpretation, analysis, or voltage or current values listed. They are provided solely as the basis for your own designs and are not guaranteed to be 'plans' that will work for your needs without some tweaking.

    We will not be responsible for damage to equipment, your ego, county wide power outages, spontaneously generated mini (or larger) black holes, planetary disruptions, or personal injury or worse that may result from the use of this material.



  • Back to Sam's Schematic Collection Table of Contents.

    Introduction

    Scope of This Document

    This is a collection of various useful and interesting schematics. Some of these are also referenced by or included in other documents at this site. Some are my own designs while many have been reverse engineered from commercial equipment. Many are the sorts of circuits you won't find in any textbook or in any other readily available on-line or print media. Some are just cute. :)

    Safety Considerations

    Some of these circuits operate at extremely lethal voltage and current levels. The energy storage capacitors in even the smallest disposable camera flash operating from a 1.5 V AA battery can be deadly under the wrong conditions. Line powered devices - including little ones - may have an added danger of high power at high voltage AND are often non-isolated (no power transformer). Do not attempt to troubleshoot, repair, or modify such equipment without understanding and following ALL of the relevant safety guidelines for high voltage and/or line connected electrical and electronic systems.

    Related Information

    Before thinking about experimenting with anything using or producing high voltages or connected to the AC line - even opening up a disposable camera that may have been laying around gathering dust (the capacitor can still be charged - outch!), see the document: Safety Guidelines for High Voltage and/or Line Powered Equipment. Something that looks innocent can really ruin your entire day!

    Perhaps the larges collection of all sorts of on-line schematics and links in the explored universe can be found Tomi Engdahl's Lights and Electronics Page.

    There are many other documents at the Sci.Electronics.Repair (S.E.R) FAQWeb site or one of its mirror sites which may be of use in the design, testing, and repair of electronic equipment. The Main Table of Contents (ToC) provides links to a variety of information on troubleshooting and repair of many types of equipment, general electronics, an assortment of schematics, over 1,000 technology links, and much more. Most of these documents are nicely formatted, indexed, and cross-referenced. (Silicon Sam's Technology Resource, which may be present at this site and others, usually contains slightly more recent versions of many of these same documents but most of those under the S.E.R FAQ Main ToC are easier to use and the actual content differences are likely to be minor.)

    See the Home and Mirror Site Locations for other possibilities which may be faster from where you live.



  • Back to Sam's Schematic Collection Table of Contents.

    High Voltage Power Supplies

    Simple High Voltage Generator

    This basic circuit is capable of supplying up to 30 kilovolts or more from a low voltage DC source using a flyback (LOPT) transformer salvaged from a TV or computer monitor. Typical output with a 12 VDC 2 A power supply or battery will be around 12,000 V. Current at full voltage is typically around 1 to 2 mA. Higher currents are available but the output voltage will drop. At 2 kV, more than 10 mA may be possible depending on your particular flyback transformer.

  • Go to: Simple High Voltage Generator - Low Voltage DC In, up to 30 kV Out



  • Back to Sam's Schematic Collection Table of Contents.

    Adjustable High Voltage Power Supply

    This circuit uses a pair of 555 timers to provide variable frequency variable pulse width drive to an inverter using a flyback transformer salvaged from a black and white or color TV or computer monitor. At very low repetition rates, it will produce individual sparks. At high rates with a low uF value high voltage capacitor, the output will essentially be HV DC with a specific value dependent on input voltage, pulse rate and width, and load. None of the component values is critical. The particular transistor used for Q2 seemed to be zappier better than a common horizontal output type but they work as well.

    The input voltage can range from about 5 to 24 V. Using a flyback from a MAC Plus computer which had its bad primary winding excised, an output of more than 20 kV was possible (though risky since the flyback is probably not rated for more than about 12 kV) from a 24 VDC, 2 A power supply. By adjusting the drive frequency and duty cycle, a wide range of output voltages and currents may be obtained depending on your load.

    With the addition of a high voltage filter capacitor (0.08 uF, 12 kV), this becomes a nice little helium neon laser power supply which operates on 8 to 15 VDC depending on required tube current and ballast resistor. See the document: Sam's Laser FAQ.

    The transistor types are not critical. Those were selected basically because I had them in my junk box. A TV or monitor horizontal output transistor (HOT) should be satisfactory for the chopper but will require good strong drive. The lower voltage, high current transistor I used (2SD797) has both a higher current and higher Hfe rating than typical HOTs. Even a 2N3055 will probably survive and not be too bad in the performance department.

    The drive transformer is from a B/W computer monitor (actually a video display terminal) and has a turns ratio of 4:1 wound on a 5/16" square by 3/8" long nylon bobbin on a gapped ferrite double E core. The primary has 80 turns and the secondary has 20 turns, both of #30 wire. Make sure you get the polarity correct: The base of the switching transistor should be driven when the driver turns on. You should be able to wind a transformer similar to this in about 10 minutes if a similar size (doesn't need to be exact) core is available.

    Where the flyback includes an internal rectifier and/or you are attempting to obtain the maximum output voltage of a specific polarity, the direction of drive matters as the largest pulse amplitude is generated when the switching transistor turns off. Since flyback transformers are not marked, you will have to try both possible connections to the drive coil. Use the one that produces the higher output voltage for a given set of input conditions (drive and pulse rate/width).

    Many variations on this basic circuit are certainly possible. The dual 555 circuit can be reduced to a single 555 with some loss in flexibility (unless you use the cute non-standard modification that allow independent adjustment of the high and low times - left as an exercise for the student).

    One nice thing about running it at 24 VDC or less (as opposed to line voltage) is that it is much more difficult to let the smoke out of th circuit! The 5 A power supply I was using shut down on several occasions due to overcurrent but the only time I blew the chopper transistor was by accidentally shorting the base to collector.



  • Back to Sam's Schematic Collection Table of Contents.

    Evertron Model 3210 Gas Tube Power Supply

    (Thanks to Jeff Zurkow (jeff@atrox.com) for reverse engineering this device and drawing the schematic.)

    Evertron Model 3210 Gas Tube Power Supply is the schematic of an inverter type unit for driving a neon sign. It has a pair of power MOSFETs driving a flyback style high voltage transformer, with a whole bunch of open-wound primaries and a potted secondary.



  • Back to Sam's Schematic Collection Table of Contents.

    Ricoh 3E06-1 High Voltage Power Supply

    This is the high voltage power supply for a Ricoh laser printer or copier as shown in Photo of Ricoh Model 3E06-1 High Voltage Power Supply. It has two negative outputs of -5.3 kVDC at 0.3 mA max (output C) and -5.7 kVDC at 0.4 mA max (output T). I assume these stand for something like "Corona" and "Transfer" based on their functions. The two sections are independent with the only components in common being the power connector and a filter capacitor. Each section is based on a TL494 PWM controller IC. This is the same one used in many/most PC power supplies. A Web search will quickly locate a datasheet. Separate enable inputs permit each voltage to be turned on individually. All the low voltage circuitry is exposed with the high voltage circuitry being inside a module filled with red goop. I have not yet ungooped it so the circuitry inside the potting is essentially guessed at this point. The two sections are on separate schematic pages which are virtually identical except for part numbers and a few part values:

    The adjustments on each section are for the current limit, not output voltage as might be expected. The output voltage for each section is set by fixed resistors (one of which is inside the potted HV module).

    It would be a simple matter to replace R12 or R32 to vary the C or T output voltages within a modest range (like 4 to 6 kV). But going too high is asking for smoke. :) If pots are used, make sure their maximum value will limit the output voltage to something reasonable.



  • Back to Sam's Schematic Collection Table of Contents.

    Jacobs Ladders

    The climbing arcs of old bad sci-fi movies are always a popular item. Just make sure you understand the safety implications before constructing one of these. See the document: Safety Guidelines for High Voltage and/or Line Powered Equipment.

  • Go to: Jacob's Ladder (Climbing Arc) Construction



  • Back to Sam's Schematic Collection Table of Contents.

    Assorted High Voltage Circuits

    Assorted High Voltage Circuits Introduction

    These are assorted circuits which produce pulses or continuous high voltage for various purposes around the house. There is also an ultrasonic cleaner (sort of high voltage) here because it didn't seem to belong anywhere else. :-)



  • Back to Sam's Schematic Collection Table of Contents.

    Range, Oven, and Furnace Electronic Ignition

    Many modern gas stoves, ovens, furnaces, and other similar appliances use an electronic ignition rather than a continuously burning pilot flame to ignite the fuel. These are actually simple high voltage pulse generators.

    The Harper-Wyman Model 6520 Kool Lite(tm) module is typical of those found in Jenne-Aire and similar cook-tops. Input is 115 VAC, 4 mA, 50/60 Hz AC. C1 and D1 form a half wave doubler resulting in 60 Hz pulses with a peak of about 300 V and at point A and charges C2 to about 300 V through D2. R2, C3, and DL1 form a relaxation oscillator triggering SCR1 to dump the charge built up on C2 into T1 with a repetition rate of about 2 Hz.
    
               C1                A       D1                     T1 o
        H o----||----------------+-------|>|-------+-------+       +-----o HVP+
             .1 uF     D2 1N4007 |     1N4007      |       |  o ::( 
             250 V   +----|>|----+                 |       +--+ ::(
                     |           |                 |           )::(
                     +---/\/\----+                 |       #20 )::( 1:35
                     |  R1 1M    |             C2 _|_          )::(
                     |        R2 /           1 uF ---      +--+ ::(
                     |       18M \    DL1   400 V  |     __|__  ::(
                     |           /    NE-2         |     _\_/_     +-----o HVP-
                     |           |    +--+         |     / |
                     |           +----|oo|----+---------'  | SCR1
                     |       C3  |    +--+    |    |       | S316A
                     |  .047 uF _|_        R3 /    |       | 400 V
                     |    250 V ---       180 \    |       | 1 A
                     |           |            /    |       |
             R4 2.7K |           |            |    |       |
        N o---/\/\---+-----------+------------+----+-------+
    
    



  • Back to Sam's Schematic Collection Table of Contents.

    Bug Zapper 1

    You know the type - a purplish light with an occasional (or constant) Zap! Zap! Zap! If you listen real closely, you may be able to hear the screams of the unfortunate insects as well :-).

    The high-tech versions consist of a high voltage low current power supply and fluorescent (usually) lamp selected to attract undesirable flying creatures. (Boring low-tech devices may just use a fan to direct the insects to a tray of water from which they are too stupid to be able to excape!)

    However, these devices are not selective and will obliterate friendly and useful bugs as well as unwanted pests.

    Here is a typical circuit:

    
             S1        R1         C1            C2            C1-C4: .5 uF, 400 V
      H o----o/ o--+--/\/\--------||---+--------||---------+  D1-D5: 1N4007
                   |  25K        D1    |   D2        D3    |   D4
                   |         +---|>|---+---|>|---+---|>|---+---|>|---+
                  +-+        |        C3         |        C4         |
     AC Line      |o| FL1    +---+----||----+----+---+----)|----+----+--o + 
                  +-+ Lamp   |   |    R3    |        |    R4    |        500 to
                   |         |   +---/\/\---+        +---/\/\---+        600 V
                   |   R2    |       10M                 10M             to grid
      N o----------+--/\/\---+------------------------------------------o -
                      25K
    
    
    This is just a line powered voltage quadrupler. R1 and R2 provide current limiting when the strike occurs (and should someone come in contact with the grid). The lamp, FL1, includes the fluorescent bulb, ballast, and starter (if required). Devices designed for jumbo size bugs (or small rodents) may use slightly larger capacitors!



  • Back to Sam's Schematic Collection Table of Contents.

    Bug Zapper 2

    This is your basic brute force approach!

    (From: Andrew Bowers (falcon_@geocities.com).)

    This is from my friend's bug zapper:

    
                           +---------------------+--o A
            H o-------+ ||(                      |
                       )||(                      |
             115VAC    )||(    Approx. 300V to   |
                       )||(    Fluorescent Tube  |
            N o-------+ ||(                      |
                        || +-----o F1   F2 o-----+
                        ||(
                        ||(
                        ||(
                        ||(
                        ||(
                        ||(
                        ||(
                        |  +------------------------o B
            G o---------+
    
    
    F1 and F2 connect to the ends of the purple fluorescent tube. A and B supply 5600VAC to the grid. We know this because it was one of the features of the zapper - said it right on the box in a big yellow sunburst: "5,600 Volts!!!". :)

    This is your ultimate simple bug zapper -- no power switch, although the metal plate that the transformer and other parts are mounted on is grounded.



  • Back to Sam's Schematic Collection Table of Contents.

    Electronic Air Cleaner HV Generator

    At least I assume this cute little circuit board is for an electronic air cleaner or something similar (dust precipitator, positive/negative ion generator, etc.)! I received the unit (no markings) by mistake in the mail. However, I did check to make sure it wasn't a bomb before applying power. :-)

    This module produces both positive and negative outputs when connected to 115 VAC, 60 Hz line voltage. Each is about 5 kV at up to around 5 uA. It is probably similar to the high voltage power supply in the AirEase(tm) Personal Space Ionization Air Cleaner from Ion Systems, Inc., a small table top unit. (Unfortunately, the HV module in the AirEase was totally potted so I could not determine anything about its internal circuitry.)

    
                       D1                                           T1  o
      H o--------------|>|----+---+--------------------+               +-----o A
                     1N4007   |   |        Sidac     __|__ SCR1     ::(
                              |   |   R3  D2 100 V   _\_/_ T106B2   ::(
      AC                  C1  |   +--/\/\---|>|      / |   200 V    ::(
     Line      Power  .15 uF _|_     1.5K   |<|--+--'  |  4 A    o  ::( 350 ohms
              IL1 LED   250V ---                _|_    |  +-------+ ::(
            +--|<|---+        |              C2 ---    |  |        )::(
            |   R1   |   R2   |        .0047 uF  |     |  | .1 ohm )::(
      N o---+--/\/\--+--/\/\--+                  +-----+--+        )::(
               470      3.9K  |                                +--+    +--+--o B
               1 W      2 W   |                                |    R4    |
                              +--------------------------------+---/\/\---+
                                                                   2.2M
    
    
    The AC input is rectified by D1 and as it builds up past the threshold of the sidac (D2, 100 V), SCR1 is triggered dumping a small energy storage capacitor (C1) through the primary of the HV transformer, T1. This generates a HV pulse in the secondary. In about .5 ms, the current drops low enough such that the SCR turns off. As long as the instantaneous input voltage remains above about 100 V, this sequence of events repeats producing a burst of 5 or 6 discharges per cycle of the 60 Hz AC input separated by approximately 13 ms of dead time.

    The LED (IL1) is a power-on indicator. :-)

    The transformer was totally potted so I could not easily determine anything about its construction other than its winding resistances and turns ratio (about 1:100).

                                                A o
                                         C3       |
                                  +------||-------+
              R5     R6      D3   |   D4     D5   |  D6     R7       R8
      HV- o--/\/\---/\/\--+--|>|--+--|>|--+--|>|--+--|>|---/\/\--+--/\/\--o HV+
             10M    10M   |      C4       |                220K  |  10M
                          +------||-------+                      |
           D3-D6: 10 kV, 5 mA            _|_                    _|_
           C3,C4: 200 pF, 10 kV          --- C5                 --- C6
           C5,C6: 200 pF, 5 kV            |                      |
                                     B o--+----------------------+
    
    
    The secondary side consists of a voltage tripler for the negative output (HV-) and a simple rectifier for the positive output (HV+). This asymmetry is due to the nature of the unidirectional drive to the transformer primary.

    From my measurements, this circuit produces a total of around 10 kV between HV+ and HV-, at up to 5 uA. The output voltages are roughly equal plus and minus when referenced to point B.

    I assume the module would also operate on DC (say, 110 to 150 V) with the discharges repeating continuously at about 2 kHz. Output current capability would be about 5 times greater but at the same maximum (no load) voltage. (However, with DC, if the SCR ever got stuck in an 'on' state, it would be stuck there since there would be no AC zero crossings to force it off. This wouldn't be good!)

    The secondary side circuitry can be easily modified or redesigned to provide a single positive or negative output or for higher or lower total voltage. Simply removing R4 will isolate it from the input and earth ground (assuming T1's insulation is adequate).

    Where there is no high voltage from such a device, check the following:

  • Make sure power is actually getting to the high voltage portion of the unit. Test the wall socket and/or AC adapter or other power supply for proper voltage with a multimeter.

  • Excessive dirt/dust/muck/moisture or physical damage or a misplaced paper clip may be shorting it out or resulting in arcing or corona (a strong aroma of ozone would be an indication of this). With such a small available current (only uA) it doesn't take much for contamination to be a problem. Thoroughly clean and dry the unit and check for shorts (with a multimeter between the HV electrodes and case) and then test it again. Your problems may be gone!

  • If this doesn't help and the unit is not fully potted (in which case, replacement is the only option), check for shorted or open components, especially the power semiconductors.



  • Back to Sam's Schematic Collection Table of Contents.

    Auto Air Purifier HV Generator

    Well, maybe :-). This thing is about the size of a hot-dog and plugs into the cigarette lighter socket. It produces a bit of ozone and who knows what else. Whether there is any effect on air quality (beneficial or otherwise) or any other effects is questionable but it does contain a nice little high voltage circuit.
    
                                                                       DL1 +-+ |
                                                       o  T1 +-------+-----|o|
      +12 o---+--------+----------+---------------------+ ::(        |     +-+ |
              |        |          |                D 30T )::(        | DL2 +-+
              |        |        -_|_ 4.7uF           #30 )::(        +-----|o| |
              |        |         --- 50V         +------+ ::( 3000T  |     +-+
              |       _|_ C2    + |              |        ::( #44    | DL3 +-+ |
              |       --- 470pF   +--------------|------+ ::(        +-----|o|
              |        |          |              | F 30T )::(        |     +-+ |
            +_|_ C1    |          |       D1     |   #36 )::(        | DL4 +-+
             --- 33uF  +----------|---+---|<|----|------+ ::(        +-----|o| |
            - |  16V   |          |   | 1N4002   |     o     +--+          +-+
              |        /          /   |        |/ C           o |              | 
              |     R1 \       R2 \   +--------|Q1  TIP41       +--------------+
              |     1K /     4.7K /            |\ E             |            Grid
              |        \          \              |              |
              |        |          |              |              |
      GND o---+--------+----------+--------------+--------------+
    
    
    T1 is constructed on a 1/4" diameter ferrite core. The D (Drive) and F (Feedback) windings are wound bifilar style (interleaved) directly on the core. The O (Output) winding is wound on a nylon sleeve which slips over the core and is split into 10 sections with an equal number of turns (100 each) with insulation in between them.

    DL1 to DL4 look like neon light bulbs with a single electrode. They glow like neon light bulbs when the circuit is powered and seem to capacitively couple the HV pulses to the grounded grid in such a way to generate ozone. I don't know if they are filled with special gas or are just weird neon light bulbs.



  • Back to Sam's Schematic Collection Table of Contents.

    Ultrasonic Cleaner

    Ultrasonic cleaning is a means of removing dirt and surface contamination from intricate and/or delicate parts using powerful high frequency sound waves in a liquid (water/detergent/solvent) bath.

    An ultrasonic cleaner contains a power oscillator driving a large piezoelectric transducer under the cleaning tank. Depending on capacity, these can be quite massive.

    A typical circuit is shown below. This is from a Branson Model 41-4000 which is typical of a small consumer grade unit. The H and N are Hot and Neutral of the 115 VAC line. WARNING: Line connected input. Use isolation transformer for safety when troubleshooting.

    
               R1        D1
     H o------/\/\-------|>|----------+
             1, 1/2 W  EDA456         |
                   C1         D2      |
              +----||----+----|>|-----+
              |  .1 uF   |  EDA456    |  2  
              |  200 V   |      +-----+---+ T1      +---+------->>------+
              |    R2    |     _|_ C2      )::  o 4 |   |               |
              +---/\/\---+     --- .8 uF D ):: +----+   |               |
              |   22K          _|_ 200 V   )::(         +               |
              |   1 W           -      1 o )::(          )::           _|_
              +-----------------+---------+ ::( O        ):: L1        _x_ PT1
              |           R3    |        7  ::(          )::            |
              |      +---/\/\---+   +-----+ ::( 5       +               |
             C \|    | 10K, 1 W     |    F ):: +---+    |               |
         Q1 NPN |--+-+--------------+  6 o )::     |    |               |
             E /|  |  D3     R4       +---+        +----+------->>------+
              |    +--|<|---/\/\--+  _|_
              |           47, 1 W |  ---       Input: 115 VAC, 50/60 Hz
              |                   |   |        Output: 460 VAC, pulsed 80 kHz
     N o------+-------------------+---+
    
    

    The power transistor (Q1) and its associated components form an self excited driver for the piezo-transducer (PT1). I do not have specs on Q1 but based on the circuit, it probably has a Vceo rating of at least 500 V and power rating of at least 50 W.

    Two windings on the transformer (T1, which is wound on a toroidal ferrite core) provide drive (D) and feedback (F) respectively. L1 along with the inherent capacitance of PT1 tunes the output circuit for maximum amplitude.

    The output of this (and similar units) are bursts of high frequency (10s to 100s of kHz) acoustic waves at a 60 Hz repetition rate. The characteristic sound these ultrasonic cleaners make during operation is due to the effects of the bursts occuring at 60 Hz since you cannot actually hear the ultrasonic frequencies they use.

    The frequency of the ultrasound is approximately 80 kHz for this unit with a maximum amplitude of about 460 VAC RMS (1,300 V p-p) for a 115 VAC input.

    WARNING: Do not run the device with an empty tank since it expects to have a proper load. Do not touch the bottom of the tank and avoid putting your paws into the cleaning solution while the power is on. I don't know what, if any, long term effects there may be but it isn't worth taking chances. The effects definitely feel strange. At high enough power levels, it could indeed pulverize bones as described below. Whether that could happen with the typical small ultrasonic cleaner, I don't know and am not about to find out!

    (From: BIll Perry (perry.williamr@tacamo.navy.mil).)

    "While stationed on board the now-decommissioned submarine USS Hawkbill (SSN-666), I pondered this as well. One of my senior shipmates related a story of a sailor who had done that very act on his previous submarine. The guy put his feet it the cleaner while it was powered on. He remarked that it felt very good and relaxing. After a few minutes, he pulled his feet out, and as soon as he stood up and applied his full bodily weight on his feet, all the bones in his feet had shattered. He got permanent disability from it. Apparently, it had rattled his bones apart. Wow!"

    Where the device doesn't oscillate (it appears as dead as a door-nail), first check for obvious failures such as bad connections and cracked, scorched, or obliterated parts.

    To get inside probably requires removing the bottom cover (after pulling the plug and disposing of the cleaning solution!).

    CAUTION: Confirm that all large capacitors are discharged before touching anything inside!

    The semiconductors (Q1, D1, D2, D3) can be tested for shorts with a multimeter (see the document: Basic Testing of Semiconductor Devices.

    The transformer (T1) or inductor (L1) could have internal short circuits preventing proper operation and/or blowing other parts due to excessive load but this isn't kind of failure likely as you might think. However, where all the other parts test good but the cleaning action appears weak without any overheating, a L1 could be defective (open or other bad connections) detuning the output circuit.

    Where the transistor and/or fuse has blown, look for a visible burn mark on the transducer and/or test it (after disconnecting) with a multimeter. If there is a mark or your test shows anything less than infinite resistance, there may have been punch-through of the dielectric between the two plates. I don't know whether this could be caused by running the unit with nothing in the tank but it might be possible. If the damage is localized, you may be able to isolate the area of the hole by removing the metal electrode layer surrounding it to provide an insulating region 1/4 inch in diameter. This will change the resonant frequency of the output circuit a small amount but hopefully not enough to matter. You have nothing to lose since replacing the transducer is likely not worth it (and perhaps not even possible since it is probably solidly bonded to the bottom of the tank).

    When testing, use a series light bulb to prevent the power transistor from blowing should there be a short circuit somewhere (see the document: Troubleshooting and Repair of Consumer Electronic Equipment) AND do not run the unit with and empty tank.

    Also see the info on ultraonic humidifiers in the document: Troubleshooting and Repair of Small Household Appliances.



  • Back to Sam's Schematic Collection Table of Contents.

    Plasma Mug HV Generator

    This circuit was found in a cheap "plasma mug" - a double wall partially evacuated and gas-filled clear glass mug that glows in strange patterns when sitting on the energizer base, depending on how it is touched or held. The circuit is the typical one transistor oscillator driving a small potted transformer. Q1 was on a heatsink. The hard potted HV transformer occupied a volume of less than 1 inch cubed. Only the resistances of its windings have been measured so far. Someday I may get around to determining more about it. The listed power requirements for this unit were 12 V at 250 mA. It would run on either 8 AA cells or a wall adapter. There was also a power switch as well as the usual third contact on the power jack to disconnect the battery when using the adapter (not shown).

             D1                                          o  T1 +------o HV Out
      +12 o--|>|--+--------+-----+------------------------+ ::(       (3" diam.
           1N4004 |        |     |                    D .2 )::(      copper disk)
                  |        |     / R1                 ohms )::(
                  |        |     \ 10K           +--------+ ::( 
                  |        |     /               |          ::( 300
                  |        |     |    R2    C4   |       o  ::( ohms   
             C1 +_|_   C2 _|_    +---/\/\---||---|--------+ ::(       
          470uF  --- .1uF ---    |    1K         |    F .2 )::(       
            25V - |        |     |      2SD882 |/  C  ohms )::(       
                  |        |     +-------------|Q1   +----+ ::(       
                  |        |    _|_ C3         |\ E  |         +--+   
                  |        |    --- 2nF          |   |          o |   
                  |        |     |               |   |            |
      GND o-------+--------+-----+---------------+---+------------+
    



  • Back to Sam's Schematic Collection Table of Contents.

    Simple Linear Power Supplies

    Simple Linear Power Supplies Introduction

    This is a (currently somewhat meager) collection of basic power supply circuits that will hopefully grow as time passes.



  • Back to Sam's Schematic Collection Table of Contents.

    Converting an AC Output Wall Adapter to DC

    Where a modest source of DC is required for an appliance or other device, it may be possible to add a rectifier and filter capacitor (and possibly a regulator as well) to a wall adapter with an AC output. While many wall adapter output DC, some - modems and some phone answering machines, for example - are just transformers and output low voltage AC.

    This is also the simplest and safest way to construct a small DC power supply as you do not need to deal with the 110 VAC at all.

    To convert such an adapter to DC requires the use of:

    Depending on your needs, you may find a suitable wall adapter in your junk box (maybe from that 2400 baud modem that was all the rage a couple of years ago!).

    The basic circuit is shown below:

    
                Bridge Rectifier   Filter Capacitor
    
        AC o-----+----|>|-------+---------+-----o DC (+)
                ~|              |+        |
       In from   +----|<|----+  |       +_|_   Out to powered device
       AC wall               |  |      C ___   or voltage regulator
       Adapter   +----|>|----|--+       - |
                 |           |            |
        AC o-----+----|<|----+------------+-----o DC (-)
                ~                -
    
    
    Considerations: The following examples illustrate some of the possibilities. Adding an IC regulator to either of these would permit an output of up to a fraction to 2.5 V (depending on type) less than the filtered DC voltage.



  • Back to Sam's Schematic Collection Table of Contents.

    Adding an IC Regulator to a Wall Adapter or Battery

    For many applications, it is desirable to have a well regulated source of DC power. This may be the case when running equipment from batteries as well as from a wall adapter that outputs a DC voltage or the enhanced adapter described in the section: Converting an AC output wall adapter to DC.

    The following is a very basic introduction to the construction of a circuit with appropriate modifications will work for outputs in the range of about 1.25 to 35 V and currents up 1 A. This can also be used as the basis for a small general purpose power supply for use with electronics experiments.

    What you want is an IC called an 'adjustable voltage regulator'. The LM317 is one example - Radio Shack should have it along with a schematic. The LM317 looks like a power transistor but is a complete regulator on a chip.

    Here is a sample circuit:

    
                        I +-------+ O                       
        Vin (+) o-----+---| LM317 |---+--------------+-----o Vout (+)
                      |   +-------+   |              |
                      |       | A     /              |
                      |       |       \ R1 = 240     |
                      |       |       /              |           ___
                     _|_ C1   |       |            +_|_ C2      |_0_|  LM317
                     --- .01  +-------+             --- 1 uF    |   |  1 - Adjust
                      |  uF   |                    - |          |___|  2 - Output
                      |       \                      |           |||   3 - Input
                      |       / R2                   |           123
                      |       \                      |
                      |       |                      |
        Vin(-) o------+-------+----------------------+-----o Vout (-)
    
    
    Note: Not all voltage regulator ICs use this pinout. If you are not using an LM317, double check its pinout - as well as all the other specifications. For a single output not referenced to a common, it doesn't matter whether a positive voltage regulator (as shown) or negative voltage regulator is used. However, were multiple power supplies like this are needed WITH a common point, negative voltage regulator ICs must be used for the negative ones.

    Here are pinouts for the most common types:

    
      78xx (Fixed Pos)    79xx (Fixed Neg)    LM317 (Adj Pos)     LM337 (Adj Neg)
       ___                 ___                 ___                 ___
      |_O_|               |_O_|               |_O_|               |_O_|
      |   | 1 = Input     |   | 1 = Common    |   | 1 = Adjust    |   | 1 = Adjust 
      |___| 2 = Common    |___| 2 = Input     |___| 2 = Output    |___| 2 = Input
       |||  3 = Output     |||  3 = Output     |||  3 = Input      |||  3 = Output
       123                 123                 123                 123
    
    

    Note: Various manufacturers may label the pins differently than shown just to be confusing. For example, 1,3,2 instead of 1,2,3. However, the location of each pin will be the same so double check with the diagram.

    For the LM317:

    1. R2 = (192 x Vout) - 240, where R2 in ohms, Vout is in volts and must be at between 1.2 V and 35 V.

    2. Vin should be at least 2.5V greater than Vout. Select a wall adapter with a voltage at least 2.5 V greater than your regulated output at full load.

      However, note that a typical adapter's voltage may vary quite a bit depending on manufacturer and load. You will have to select one that isn't too much greater than what you really want since this will add unnecessary wasted power in the device and additional heat dissipation.

    3. Maximum output current is 1 A. Your adapter must be capable of supplying the maximum current safely and without its voltage drooping below the requirement in (2) above.

    4. Additional filter capacitance (across C1) on the adapter's output may help (or be required) to reduce its ripple and thus the swing of its input. This may allow you to use an adapter with a lower output voltage and reduce the power dissipation in the regulator as well.

      Using 10,000 uF per *amp* of output current will result in less than 1 V p-p ripple on the input to the regulator. As long as the input is always greater than your desired output voltage plus 2.5 V, the regulator will totally remove this ripple resulting in a constant DC output independent of line voltage and load current fluctuations. (For you purists, the regulator isn't quite perfect but is good enough for most applications.)

      Make sure you select a capacitor with a voltage rating at least 25% greater than the adapter's *unloaded* peak output voltage and observe the polarity!

      Note: wall adapters designed as battery chargers may not have any filter capacitors so this will definitely be needed with this type. Quick check: If the voltage on the adapter's output drops to zero as soon as it is pulled from the wall - even with no load - it does not have a filter capacitor.

    5. The tab of the LM317 is connected to the center pin - keep this in mind because the chip will have to be on a heat sink if it will be dissipating more than a watt or so. P = (Vout - Vin) * Iout.

    6. There are other considerations - check the datasheet for the LM317 particularly if you are running near the limits of 35 V and/or 1 A.

    7. For a negative output power supply, use the corresponding negative voltage regulator and note that their pinout is NOT the same as for the positive variety. See above!


  • Back to Sam's Schematic Collection Table of Contents.

    Dual Output Power Supply Using Centertapped Transformer

    Where a centertapped secondary is available, a power supply outputting both positive and negative regulated or unregulated voltages can be constructed basically like a pair of the circuits above. The following would work for a +/- 15 VDC regulated unit to power analog circuitry like op-amps:
    
           28VCT,1A
       H o--+ T1
             )||       D1                   V+  In +------+ Out
             )|| +--+--|>|-----+--------------+----| 7815 |---------+----o +15 VDC
             )||(  ~|  D2      |         C1 +_|_   +------+    C3 +_|_
             )||(   +--|<|--+  |    5,000uF  ---   Com |     10uF  ---
             )||(  L1       |  |        25V - |        |      25V - |
     110 VAC )|| +----------------------------+--------+------------+--+-o Analog
             )||(  L2  D3   |  |         C2 +_|_       |       C4 +_|_ V   Common
             )||(   +--|>|--|--+    5,000uF  ---   Com |     10uF  ---
             )||(  ~|  D4   |           25V - |    +------+   25V - |
             )|| +--+--|<|--+-----------------+----| 7915 |---------+---o -15 VDC
             )||                            V-  In +------+ Out
       N o--+    D1-D4: 1N4007 or 2 A bridge
    
    
    Note: Pinouts for 78 and 79 series parts are NOT the same!

    For an unregulated supply, take the outputs from V+ and V-.



  • Back to Sam's Schematic Collection Table of Contents.

    Dual Output Power Supply Using Non-Centertapped Transformer

    Without a centertap, it is still possible to provide both polarities of output voltage but a half wave configuration must be used. This is similar to the wiring of a voltage doubler but we are using the common point as ground:

    Here is a circuit for a +/- 12 VDC supply:

    
            12V,1A
       H o--+ T1
             )||       D1           V+  In +------+ Out
             )|| +--+--|>|------------+----| 7812 |---------+----o +12 VDC
             )||(   |            C1 +_|_   +------+    C3 +_|_
     110 VAC )||(   |      10,000uF  ---   Com |     10uF  ---
             )||(   |           25V - |        |      25V - |
             )|| +--|-----------------+--------+------------+--+-o Analog
             )||    |            C2 +_|_       |       C4 +_|_ V   Common
       N o--+       |      10,000uF  ---   Com |     10uF  ---
                    |  D2       25V - |    +------+   25V - |
                    +--|<|------------+----| 7912 |---------+---o -12 VDC
                                    V-  In +------+ Out
    
    
    For an unregulated supply, take the outputs from V+ and V-.

    Since only half-wave rectification is used, the main filter caps, C1 and C2, should be at least twice the uF value compared to full wave or bridge circuits to obtain the same ripple.

    Another disadvantage of this configuration is that if the currents drawn from the outputs aren't equal, net DC flows through the transformer secondary (with a voltage doubler having no output connection to the common point, this isn't possible). Core saturation may result if operating near the transformer's maximum current ratings.



  • Back to Sam's Schematic Collection Table of Contents.

    Higher Current Operation

    By adding a PNP power transistor like a 2N2955 to either a fixed or adjustable regulator, maximum current can be easily increased. The circuit below will permit a very simple 3 to 5 A, 5 V power supply to be constructed assuming the power transformer/rectifier can supply this current. Q1 MUST be mounted on a large heat sink since it is dissipating power equal almost the entire output current times the difference between input and output voltage! Also, keep in mind that the filter capacitor(s) on the supply providing Vin must also be sized accordingly to keep ripple to a manageable level.
    
                          E     C
                    +-----. Q1  .-------------+
                    |     _\___/_             |
                    |       B|                |
                    |   R1   |   I +------+ O |
        Vin (+) o---+--/\/\--+-+---| 7805 |---+-+-----o Vout (+)
                        5      |   +------+     |                ___
                               |       | C      |               |_O_|  7805
                              _|_ C1   |      +_|_ C2           |   |  1 - Input
                              --- .01  |       --- 1 uF         |___|  2 - Common
                               |  uF   |      - |                |||   3 - Output
                               |       |        |                123
        Vin(-) o---------------+-------+--------+-----o Vout (-)
    
    
    The way this works is that once the current exceeds about Vbe(Q1)/5 A, Q1 turns on and bypasses current around the 7805.

    For a negative supply based on a 79xx regulator, use an NPN transistor like a 2N3055 and reverse the capacitor polarities. Don't forget that the pinout for the 79xx and other negative voltage regulators is NOT the same as for the positive variety. See the section: Adding an IC Regulator to a Wall Adapter or Battery.



  • Back to Sam's Schematic Collection Table of Contents.

    Adjustable High Current Regulated Power Supply

    This adds a gain stage to improve regulation compared to the circuit in the section: Higher Current Operation and is shown using an adjustable regulator though a fixed regulator could also be used. This is similar to the circuit in the Texas Instruments LM317 datasheet. Although not specified, I expect this is good for up to 5 A or more depending on the actual voltage difference between input and output and the size of the heat sink used for the power transistor, Q2. Using this configuration rather than something like an emitter follower provides much better regulation since the point of regulation for the LM317 is still the actual output of the circuit.

                 +-------------------.C   E.-------+
                 |                Q2 _\___/_       |
                 |            2N3055    |          |
                 |                      |    R5    |
                 +---------.E   C.------+---/\/\---+
                 |      Q1 _\___/_          500    |
                 |  2N2905    |                    |
                 |            / R4                 |
                 |            \ 5K                 |
                 |            /                    |
                 |      R3    | I +-------+ O      | 1N4002
     Vin (+) o---+-+---/\/\---+---| LM317 |---+----+--+------+-------+---o Vout (+)
                   |    22        +-------+   |       |      |       |
                   |                  | A     /      _|_     |       |
                   |                  |       \ R1   /_\ D1  |       |
                   |                  |       / 120   |      |       |
                  _|_ C1              |       |       |    +_|_ C2   /
                  --- 10uF            +-------+---+---+     --- 47uF \ RL*
                   |                  |           |        - |       /
                   |                  \ R2      +_|_ C3      |       |
                   |               +->/ 5K       --- 10uF    |       |
                   |               |  \         - |          |       |
                   |               |  |           |          |       |
     Vin(-) o------+---------------+--+-----------+----------+-------+---o Vout (-)
    

    * For proper regulation, RL must be low enough in value to guarantee at least a 30 mA current at the selected output voltage. It can be a separate resistor or part of the actual load.

    For even higher current operation, multiple power transistors (Q2) can be wired in parallel as a pass-bank with small (e.g., 0.1 ohm) emitter resistors to balance the load. In this case, Q1 may need to be a slightly bigger transistor and R4 reduced in value to provide adequate base drive. Details will depend on your particular needs.

    As with the other circuits, a negative power supply can be constructed by using the appropriate regulator IC, swapping NPN or PNP transistors, and reversing all the polarities of the capacitors and diode.

    (From: David Subert (voodoo2daddy@yahoo.com).)

    As it turns out, the bipolar transistors can be replaced by IRF9630 MOSFETS. The only other modification required is to change the value of the 5 ohm resistor in order to properly bias the MOSFET. This is significant because MOSFETs can be easily arranged in parallel without having to worry about the inconsistent BETA of parallel BJTs.



  • Back to Sam's Schematic Collection Table of Contents.

    1.5 V Alkaline Cell Eliminator

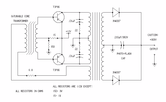
    I constructed this to provide a means of testing and experimenting with electronic flash circuits and (modifications to these circuits) that run on single Alkaline cells as their appetite for these is quite huge. See the section: Up to 350 VDC Inverter from 1.5 V Alkaline Cell.
    
                                              IC1
                    D1                   I +--------+ O                      
                 +--|>|--+-----+--------+--| LT1084 |--+------+-----o +1.5 VDC
            T1   |       |     |        |  +--------+  |      |
     H o--+      |  D2   |     |        |      | A     / R1   |          IC1
           )|| +-+--|<|--|-+   |        |      |       \ 220  |        LT1084CP
           )||(          | |   |        |      |       /      |          ___
       115 )||( 4        | | +_|_ C1  +_|_ C2  |       |    +_|_ C3     |_O_|
       VAC )||( VAC      | |  --- 10K  --- 10K +-------+     --- 470uF  |   | 1 - A
           )||(     D3   | | - |  uF  - |  uF  |            - |  6.3V   |___| 2 - O
           )|| +-+--|>|--+ |   |  10V   |  10V \ R2           |          |||  3 - I
     N o--+      |         |   |        |      / 62           |          123
                 |         |   |        |      \              |       Front View
                 |  D4     |   |        |      |              |
                 +--|<|----+---+--------+------+--------------+-----o Return
    
    
    The power transformer (T1) that I used was actually rewound from one that was rated at 12 V, 1 A. This was a high quality transformer, so removing 2/3rds of the secondary was quite a pain. Actually, the purpose was an experiment to see if it could be done non-destructively. Conclusions: Just barely. :-) Obviously, a transformer actually designed to produce about 4 or 5 V at 3 A could also be used.

    D1 to D4 can be individual diodes or a bridge rated for at least 3 A.

    The regulator (IC1) is an LT1084CP which is similar to an LM317 but is a low dropout type rated at 5 A max. I had a pile of these left over from a certain multi-million dollar project that had been cancelled due to upper management foot in a** disease..... An external pass transistor may be needed to use an LM317 because of the peak current requirement.

    Despite the transformer only being rated for 1 A, with IC1 on a modest heatsink, the supply seems perfectly happy putting out 3 A at 1.5 V for an extended period. I don't know that I would run it all day at this high current but for my purposes, it seems fine.

    It turns out that the typical electronic flash circuit from a disposable camera like the Kodak MAX (see Schematic and Photo), actually draws more than 3 A at the start of its recharge cycle. So, the voltage does dip a bit but this doesn't affect much of anything. Recharge time with the power supply is at least as rapid as with a fresh Alkaline cell. The voltage from an Alkaline cell also dips a bit under these conditions.

    Obviously, the circuit could be easily modified to put out 2.4 VDC (for a pair of NiCd cells), 3 VDC (for two Alkalines), or whatever else you might need.



  • Back to Sam's Schematic Collection Table of Contents.

    Full Wave Voltage Doubler

    A problem with most voltage doubler circuits is that the positive and negative outputs operate on alternate half-cycles so ripple is at the power line frequency rather than at twice the power line frequency. The transformer is also not utilized efficiently since only half of the secondary winding is passing current at any given time.

    Here is a cute circuit that gets around both these problems. The original article is from George Hrischenko but the link no longer works.

          +-----------------+
       ||(                  |      +
       ||(        +---|>|---+-+---)|-----+---|>|---+
       ||(        |   D1      |   C1     |   D5    |
       ||(        |           |   D3     |         |
       ||(        |           +---|>|--+ |         |
       ||(   +----+                    | |         +---+
       ||(  _|_   |           +---|>|--|-+         | +_|_
       ||( ////   |           |   D4   |           |  --- C3
       ||(        |   D2      |   C2   |     D6    |  _|_
       ||(        +---|>|-+---+---)|---+-----|>|---+ ////
       ||(                |         +
          +---------------+
    

    The output voltage is approximately 2.8 times the RMS rating of the transformer secondary (primary not shown). Ripple is at 2X the power line frequency.



  • Back to Sam's Schematic Collection Table of Contents.

    Boost Supply for PC

    Boost Supply to Produce Clean Regulated +12 VDC shows an approach for getting a higher voltage than +12 VDC from an unmodified PC power supply. In this specific case, a source of +12 VDC for an audio or instrumentation PCI card was needed to be derived from the normally noisy +12 VDC output of a standard PC power supply. Any filtering would reduce the voltage below an acceptable level. The 555 implements an oscillator that runs at somewhere around 50 kHz which drives the MOSFET chopper and stepdown transformer to generate a few VDC which is added to the original 12 VDC from the PC. This is then regulated down using the 7812. By only generating a few V boost (just enough for the dropout requirements of the linear regulator) rather than the full output voltage, the components can be smaller since less power is involved.

    Obviously, other voltages than +12 VDC can be produced in this manner - the example was a coincidence.

    This could also be done with fewer components using modern SMPS ICs designed DC-DC converter applications but I don't have any suggestions off-hand.



  • Back to Sam's Schematic Collection Table of Contents.

    Switching Power Supplies

    Panasonic VCR Switching Power Supply (PV48XX and Clones)

    This circuit was reverse engineered from the switching power supply from a Panasonic VCR. It is typical of the small switchers used in the Panasonic PV28XX, PV48XX, and many other models, their Magnavox clones, as well as other Matsushita manufactured VCRs. Many VCRs of other brands use similar designs.

    Errors in transcription are possible. Some models use additional outputs each fed from a single rectifier diode and filter capacitor (not shown). Some part numbers and the connector pinout may not be the same for your particular VCR.

    A totally dead supply with a blown fuse usually means a shorted switchmode power transistor, Q1. Check all other components before applying power after replacement as other parts may be bad as well.

    The most common problems resulting in low or incorrect outputs are dried up or leaky electrolytic capacitors - C4, C16, C17, C21.

    See the document: Notes on the Troubleshooting and Repair of Small Switchmode Power Supplies for more info.



  • Back to Sam's Schematic Collection Table of Contents.

    Power Supply for Small SVGA Color Monitor

    This is the complete schematic for the switchmode power supply (SMPS) from a small (probably 14 or 15 inch) "I guarantee you never heard of the brand name" SVGA color monitor.

    The AC line input and degauss components are at the upper left, the SMPS chopper, its controller, and feedback opto-isolator are in the lower left/middle, and the secondaries - some with additional regulation components - occupy the entire right side of this diagram. Even for relatively basic application such as this, the circuitry is quite complex. There are more than a half dozen separate outputs regulated in at least 3 different ways!

    The variable voltage B+ regulator is in the upper right corner. This provides an voltage to power the horizontal deflection which is determined by the video input. To maintain the same picture width, the required voltage to the horizontal output transistor/flyback needs to be roughly proportional to horizontal scan rate.

  • Get MONPS-SCH: mon1ps.gif



  • Back to Sam's Schematic Collection Table of Contents.

    Inverter Circuits

    Inverter Introduction

    Most of these circuits were reversed engineered from commercial products. The good news is that this means they probably all work somewhat reliably. The bad news is that a custom wound transformer (you can build in most cases) will be needed and there may be errors in the number of turns and wire sizes listed since these were all determined without totally dismembering the unit in question.

    However, the circuit described in the section: Super Simple Inverter only requires off-the-shelf components but has a pitiful efficiency. But construction is, well, super simple :-).

    And, it should be easy to make modifications to the flash units from pocket or disposable cameras as described in the section: Up to 350 VDC Inverter from 1.5 V Alkaline Cell since these are quite readily available for free if you know where to ask!

    For more information on fluorescent and xenon lamps, see the documents: Fluorescent Lamps, Ballasts, and Fixtures and Notes on the Troubleshooting and Repair of Electronic Flash Units and Strobe Lights and Design Guidelines, Useful Circuits, and Schematics, respectively.



  • Back to Sam's Schematic Collection Table of Contents.

    Super Simple Inverter

    This circuit can be used to power a small strobe or fluorescent lamp. It will generate over 400 VDC from a 12 VDC, 2.5 A power supply or an auto or marine battery. While size, weight, and efficiency are nothing to write home about - in fact, they are quite pitiful - all components are readily available (even from Radio Shack) and construction is very straightforward. No custom coils or transformers are required. If wired correctly, it will work.

    Output depends on input voltage. Adjust for your application. With the component values given, it will generate over 400 V from a 12 V supply and charge a 200 uF capacitor to 300 V in under 5 seconds.

    For your less intense applications, a fluorescent lamp can be powered directly from the secondary (without any other components). This works reasonably well with a F13-T5 or F15-T12 bulb (but don't expect super brightness). Q1 does get quite hot so use a good heat sink.

    
                         C1 1 uF                   D2 1N4948   R2
                     +------||------+        T1    1.2kV PRV  1K 1W
                     |              |           +-----|>|-----/\/\---+------o +
                     | R1 4.7K, 1W  |   red  ||( blk                 |
                     +-----/\/\-----+------+ ||(                     |
                     |                  yel )||(                   +_|_ C2
      + o----------------------------------+ ||(                    --- 300 uF
                     |                  red )||(                   - |  450 V
                     |      +--------------+ ||(                     |
                     |  Q1  |                ||( blk                 |
     6 to 12         |    |/ C                  +--------------------+------o -
     VDC, 2A         +----|    2N3055    Stancor P-6134
                 D1 _|_   |\ E           117 V Primary (blk-blk)
             1N4007 /_\     |            6.3 VCT Secondary (red-yel-red)
                     |      |
      - o------------+------+
    
    

    Notes on Super Simple Inverter

    1. Construction can take any convenient form - perf board, minibox, etc. Make sure the output connections are well insulated.

    2. C1 must be nonpolarized type - not an electrolytic.

    3. D1 provides a return path for the base drive and prevents significant reverse voltage on the B-E junction. Any 1 A or greater silicon diode should be fine.

    4. C2 is shown as typical energy storage capacitor for strobe applications. Remove D2 and C2 for use with a fluorescent lamps.

    5. D2 should be a high speed (fast recovery) rectifier. However, for testing, a 1N4007 should work well enough. R2 limits surge current through D2.

    6. The polarity of the input with respect to the output leads is important. Select for maximum voltage by interchanging the black output wires.

    7. Mount Q1 (2N3055) on a heat sink if continuous operation is desired. It will get warm. Other NPN power transistors with Vceo > 80 V, Ic > 2 A, and Hfe > 15 should work. For a PNP type, reverse the the polarities of the power supply and D1, and interchange one set of leads (where a diode is used for DC output).

    8. Some experimentation with component values may improve performance for your application.

    9. When testing, use a variable power supply so you get a feel for how much output voltage is produced for each input voltage. Component values are not critical but behavior under varying input/output voltage and load conditions will be affected by R1 and C1 (and the gain of your particular transistor).

    10. WARNING: Output is high voltage and dangerous even without large energy storage capacitor. With one, it can be lethal. Take appropriate precautions.

    11.         |                         |           |
           ---+--- are connected;    ---|--- and ------- are NOT connected.
              |                         |           |
      



  • Back to Sam's Schematic Collection Table of Contents.

    AmerTac Fluorescent Lamp Inverter

    (From: (Dennis Hawkins (n4mwd@amsat.org).)

    The AmerTac Fluorescent Lamp Ballast is from a portable 12 V light made in China for American Tack & Hardware Co sold in Home Depot stores. It burned out after about 30 minutes of continuous use. (OK, maybe you shouldn't consider duplicating this exactly! --- Sam) So I decided to take it apart and see what was in there.

    What it had was a very small circuit board (about 1/2" x 2"). Both the transformer and the transistor were melted beyond recognition. The transformer was apparently custom made out of two 'E' cores taped together. I have another identical unit, so I could read the transistor part number: 2SD882. It is rated 80 V, 5 A, 40 W, typical Hfe of 30, in a TO127 package.

    Unlike many of the others, this circuit powers both both filaments in the tube but is otherwise very similar.

    I have another identical unit which hasn't been fried so I put a UV bulb in there and fired it up. It is clear that only one end has a glowing filament. It is the end connected to pins 5 & 6 of the transformer. The filament attached to pins 1 and 2 appears to only work as a resistor. The circuit will not operate without the bulb so I wasn't able to get reliable readings.



  • Back to Sam's Schematic Collection Table of Contents.

    Archer Mini Flashlight Fluorescent Lamp Inverter

    The circuit below was reverse engineered from the Archer model number 61-3724 mini fluorescent/incandescent flashlight combo (no longer in the Radio Shack catalog). The entire inverter fits in a space of 1-1/8" x 1" x 3/4". It is powered by 3 C size Alkaline cells and drives a F4-T5 tube.

    This design can easily be modified for many other uses at lower or higher power.

    
                                       o  T1
     + o----+----------+----------------+     o        
            |          |                 ):: +--------------+-+
            |          \           D 28T )::(               | | 
            |       R1 /             #26 )::(              +|-|+
            |      560 \      +---------+ ::(              | - |
            |          /      |           ::( O 315T       |   | FL1
            |          |      |        o  ::( #32          |   | F4-T5
            |          +------|---------+ ::(              | - |
            |          |      |          )::(              +|-|+
          +_|_ C1      |      |    F 28T )::(               | |
           --- 47 uF   |      |      #32 ):: +--------------+-+
          - |  16 V    |      |     +---+ 
            |          |      |  Q1 |           O = Output
            |          |     C \|   |           D = Drive
            |      C2 _|_       |---+           F = Feedback
            | .022 uF ---    E /|   |
            |          |      |    _|_ C3
            |          |      |    --- .022 uF
            |          |      |     |
      o-----+----------+------+-----+
    
    

    Notes on Archer mini flashlight fluorescent lamp inverter:

    1. T1 is an E-core ferrite transformer. The core is 5/8" x 3/4" x 3/16" overall. The outer legs of the core are 1/8" thick. The central leg is 3/16" square. The square nylon bobbin has a diameter of 5/16". There is a .020" gap (spacer) in between the two halves of the E-core.

      The 315T O (Output) is wound first followed by the 28T D (Drive) and 28T F (Feedback) windings. There should be a strip of mylar insulating tape between each of the windings.

      The number of turns were estimated without disassembly as follows:

      • The wire sizes were determined by matching the diameters of the visible ends of the wire for each winding to magnet wire of known AWG.

      • The number of turns in the Output winding was determined based on its measured resistance, core diameter, and the wire gauge tables.

      • A 50 kHz .1 V p-p signal was then injected into the Feedback winding. The amplitudes of the resulting outputs from the Drive and Output windings were then measured. From these, the ratios of the number of turns were calculated.

    2. The transistor was totally unmarked. A general purpose NPN medium power transistor like a 2N3053 or ECG24 should work. For PNP types, reverse the polarities of the power supply and C1.

      Since it is very low power, no heat sink is used in the Archer flashlight. However, for other applications, one may be needed.

    3. Some experimentation with component values may improve performance for your application.

    4. When testing, use a variable power supply so you get a feel for how much output voltage is produced for each input voltage. Component values are not critical but behavior under varying input/output voltage and load conditions will be affected by C2 and C3, the number of turns on each of the windings of T1, and the gain of your particular transistor.

    5. WARNING: Output is high voltage and dangerous. Take appropriate precautions.

    6.        |                         |           |
          ---+--- are connected;    ---|--- and ------- are NOT connected.
             |                         |           |
      



  • Back to Sam's Schematic Collection Table of Contents.

    Energizer Mini Flashlight Fluorescent Lamp Inverter

    The circuit below was reverse engineered from the Energizer model number unknown (worn off) mini fluorescent/incandescent flashlight combo. The entire inverter fits in a space of 1-1/8" x 1-1/8" x 3/4". It is powered by 4 AA size Alkaline cells and drives a F4-T5 tube.

    This design is very similar to the Archer model (see the section: Archer Mini Flashlight Fluorescent Lamp Inverter, but eases starting requirements by actually heating one of the filaments of the T5 lamp. Thus, a lower voltage transformer can be used.

                                                   o  T1  o 
     + o----+----------+--------+-------------------+    +----------------+
            |          |    C4 _|_                   )::( H 16T #32       | 
            |          \  1000 ---             D 32T ):: +--------------+ |
            |       R1 /    pF  |                #26 )::(               | |
            |      360 \        +-------------------+ ::(              +|-|+
            |          /        |                     ::(              | - |
            |          |        |                  o  ::( O 160T       |   | FL1
            |          +--------|-------------------+ ::( #32          |   | F4-T5
            |          |        |                    )::(              | - |
          +_|_ C1      |        |              F 16T )::(              +|-|+
           --- 47 uF   |        |                #26 )::(               | |
          - |  16 V    |        |  Q1           +---+    +--------------+-+
            |          |        |  MPX9610      |
            |          |       C \|        R2   |       O = Output
            |      C2 _|_         |---+---/\/\---       D = Drive
            | .047 uF ---      E /|   |    22           F = Feedback
            |          |        |    _|_ C3             H - Heater (filament)
            |          |        |    --- .01 uF
            |          |        |     |
      o-----+----------+--------+-----+
    
    

    Notes on Energizer Mini Flashlight Fluorescent Lamp Inverter

    1. T1 is an E-core ferrite transformer. The core is 1/2" x 5/8" x 3/16" overall. The outer legs of the core are 3/32" thick. The central leg is 3/16" square. The square nylon bobbin has a diameter of 5/16". There is a .010" (estimate) gap (spacer) in between the two halves of the E-core.

      The 160T O (Output) is wound first followed by the 16T H (Heater), 32T D (Drive), and 16 T F (Feedback) windings. There should be a strip of mylar insulating tape between each of the windings.

      The number of turns were estimated after unsoldering the transformer from the circuit board as follows:

      • The wire sizes were determined by matching the diameters of the visible ends of the wire for each winding to magnet wire of known AWG.

      • The number of turns in the Output winding was determined based on its measured resistance, core diameter, and the wire gauge tables.

      • A 100 kHz .1 V p-p signal was then injected into the Drive winding. The amplitudes and phases relationship of the resulting outputs from the Feedback, Heater, and Output windings were then measured. From these, the ratios of the number of turns and winding start/end were determined.

    2. The transistor was an MPX9610. I was not able to locate specs for this part number but a transistor like a 2N3053 or ECG24 should work. For PNP types, reverse the polarities of the power supply and C1.

      Since it is very low power, no heat sink is used in the Energizer flashlight. However, for other applications, one may be needed.

    3. Some experimentation with component values may improve performance for your application.

    4. When testing, use a variable power supply so you get a feel for how much output voltage is produced for each input voltage. Component values are not critical but behavior under varying input/output voltage and load conditions will be affected by C2 and C3, the number of turns on each of the windings of T1, and the gain of your particular transistor.

    5. WARNING: Output is high voltage and dangerous. Take appropriate precautions.

    6.        |                         |           |
          ---+--- are connected;    ---|--- and ------- are NOT connected.
             |                         |           |
      



  • Back to Sam's Schematic Collection Table of Contents.

    Pocket Fluorescent Blacklight Inverter GH-RV-B1

    (Schematic from: Axel Kanne (axel.k@swipnet.se).)

    This was reverse engineered from a toy pocket blacklight, made in China. It has been tested with tubes up to 6 W.

    
     4.5 to 12V (4)                              T1(2)
      + o---+-------------------+---------------+    +-----+-+
            |                   |   R2           )::(      | |
            |                   +--/\/\--+    W1 )::(     +|-|+
            |                      470   |       )::(     | - |
          +_|_ C1                  +-----|------+ ::( W3  |   | FL1
           --- 47uF              |/ C   _|_ C3    ::(     |   | (3)
            |  16V    +---+------| Q1   --- .015  ::(     | - |
            |         |   |   (1)|\ E    |  uF    ::(     +|-|+
            |     C2 _|_  |        |     +------+ ::(      | |
            |  .01uF ---  |   R1   |     |    W2 ):: +--+--+-+
            |         |   +--/\/\--|-----|------+       |
            |         |       20   |     |              |
      - o---+---------+------------+-----+--------------+
    
    

    Notes on Pocket Fluorescent Blacklight Inverter GH-RV-B1

    1. The original transistor is marked 8050 C0ZC. A 2N3055 works better than the original, the tube starts faster and the transistor runs much cooler.

    2. T1 is a ferrite E-core transformer measuring 17mm x 15mm x 15mm. The core seems to be 5 mm thick. The turns ratio has not been determined. Winding W1 is made of ~0.2 mm wire, the resistance is below 1 ohm. The data for winding W2 is the same as winding W1. Winding W3 is made of ~0.5 mm wire and its resistance is 5 ohms.

    3. The original tube is an F4T5BLB blacklight tube, but the inverter has been tested with an ordinary F4T5 tube as well as a Philips 6W tube. The 6W tube causes the original transistor to run quite hot, so using a 2N3055 or similar power NPN is recommended.

    4. 4.5V seems to be the absolute minimal voltage required to start an F4T5 tube. 5V will start the 6W tube when a 2N3055 transistor is used. Voltage can probably be cranked up above 12V, but that was the highest I tried (Didn't want to test when the tube blows).

    5. CAUTION: The inverter can give a nice(?) shock when run with the original transistor on 5V. With a 2N3055 and higher supply voltage, it can be nasty. Avoid touching the tube terminals. The bottom of the PCB can also give quite suprise, as I discovered :-(.

    6.        |                         |           |
          ---+--- are connected;    ---|--- and ------- are NOT connected.
             |                         |           |
      



  • Back to Sam's Schematic Collection Table of Contents.

    Automotive Light Stick Inverter

    (Circuit and description From: Manuel Kasper (mk@mediaklemm.com).)

    Here's another schematic from a little light stick intended for use in a car at 12 V. It uses an F8T5 bulb and is quite similar to the Archer inverter (A HREF="#schamf">Archer Mini Flashlight Fluorescent Lamp Inverter) which, BTW, I've built successfully. :) Here's the ASCII schematic (I'm no ASCII wizard, so I took one out of your schematic collection and made the appropriate modifications). Or see the Automotive Light Stick Inverter in .gif format.

                                             o      o
    +12 V o----+--------+---------------------+    +------------+-+
               |        |                      )||(             | |
               |        \             28 turns )||(            +|-|+
               |   5.1K /                  #28 )||(            | - |
               |        \    +----------------+ ||(            |   |
               |        /    |                  ||( 280 turns  |   | F8T5
               |        |    |               o  ||( #38        |   |
               |        +----|----------------+ ||(            |   |
       47 uF +_|_       |    |                 )||(            | - |
        25V   ---       |    |        28 turns )||(            +|-|+
               |        |   C \| Q1        #28 )||(             | |
               |        |      |------+---+---+    +---+--------+-+
               |       _|_  E /|      |   |            |
               | 10 nF ---   |        \  _|_           |
               |        |    |    10K /  --- 40 nF     |
               |        |    |        \   |            |
               |        |    |        |   |            |
         o-----+--------+----+--------+---+------------+
    
    

    Notes on Automotive Light Stick Inverter

    1. The transformer was an E-core ferrite, most likely E20. The primary and feedback windings were wound side-by-side first, followed by a strip of insulating tape, then the secondary. I'm absolutely positive that it was #38, however the primaries may also have been #26. There were tiny spacers on both outer legs, consisting of two layers of the same yellow insulating tape that was used to hold both halves of the core together. Total not thicker than .004". I could not remove the core without destroying it, so I don't know if there was a gap or spacer on the central leg. Stupid as I am, I forgot to measure the inductance of the secondary before disassembling, so no calculations about the AL value of the core can be made. :(

    2. Q1 was in a TO-220 case (not heatsinked) and marked "D313 F5H4", so I suppose it was a 2SD313. If so, from what I know it would have an Ic of 2 A, a Vceo of 50 V and an hFE of 40..320. It ran very cool in the circuit. Power consumption from 12 V was about 250 mA - the tube was lit fairly bright, but of course not at full power. On the label it states "Power: 12 Volt DC at 5 Amps", but I don't think the latter is correct. ;)

    3. It has got a long cable with a nice set of plugs - a pair of alligator clips as well as a cigarette lighter plug. It's made in China, cost the equivalent of $8 and could not be disassembled without cutting thick black rubber apart.

    Comments on Automotive Light Stick Inverter

    I just experimented with rebuilding it a bit. It works fine with a home-made transformer using an E 25 core (25 mm core width, or 0.79"). I tried both an un-gapped (AL = 1750 nH) and a 0.4" gapped (on central leg; AL = 151 nH) version. Concerning efficiency, the result was more or less the same, but due to the higher switching frequency with the gap, there was no buzzing sound from the transformer. It worked even with 32 primary and 350 secondary turns, secondary wound first with the output and feedback winding not side-by-side but one over another. It's also great as an inverter for use with a G4 to T5 to erase EPROMs, as I discovered.

    Transistors with low gain don't seem to work well - BD237 and 2N5191 were reasonably good. It's easy to have it operate at more power - just decreasing the 5.1K resistor and adding a small heatsink works great.

    The filter capacitor gets pretty warm; needs to be low ESR or it will probably overheat, especially at higher power levels.

    In the original inverter, there was a connection between the secondary and ground. Strange - it doesn't seem to make any sense because nothing changes if you remove it. But they have got their reasons, I suppose.



  • Back to Sam's Schematic Collection Table of Contents.

    Low Power Fluorescent Lamp Inverter 1

    The circuit below was reverse engineered from a model number FL-12 'Made in Hong Kong' battery (8 AA cells) or 12 V wall adapter powered portable fluorescent lamp. The bulb is an F8-T5.

    This design can easily be modified for many other uses at lower or higher power. Note that its topology is similar to that of the circuit described in the section: Super Simple Inverter.

    
                                C2 .01 uF
                             +------||------+        T1  3
                             |              |           +------------+-+
                             |   R1 1.5K    |    4 o ::(             | |
                             +-----/\/\-----+------+ ::(            +|-|+
                             |                18T F )::(            | - |
                             |                    1 )::(            |   | FL1
          + o-----+----------|---------------------+ ::( O 350 T    |   | F8-T5
                  |          |                      )::(            |   |
                  |          |                25T D )::(            |   |
                  |       R2 /                    2 )::(            | - |
                  |       68 \      +-------+------+ ::(            +|-|+
        6 to 12  _|_ C1      /  Q1  |       |        ::( 5           | |
          VDC    --- 100 uF  |      |       |           +---+--------+-+
                  |  16 V    |    |/ C      |               |
                  |          +----|    5609 +---------------+
                  |      C3 _|_   |\ E NPN                     O = Output
                  | .027 uF ---     |                          D = Drive
                  |          |      |                          F = Feedback
        - o-------+----------+------+
    
    

    Notes on Low Power Fluorescent Lamp Inverter 1

    1. T1 is an E-core ferrite transformer. The core is 5/8" x 3/4" x 3/16" overall. The outer legs of the core are 3/32" thick. The central leg is 3/16" square. The square nylon bobbin has a diameter of 5/16". There is no visible spacer between the cores but I did not disassemble to confirm.

      The 350T O (Output) is wound first followed by the 25T D (Drive) and 18T F (Feedback) windings. There should be a strip of mylar insulating tape between each of the windings.

      The number of turns were estimated without disassembly as follows:

      • The resistances of each of the windings was measured to determine the arrangement of the transformer.

      • The inverter was run at just enough input voltage for it to oscillate (so the load of the fluorescent tube would not affect the readings) and the voltages on all 3 windings were measured on an oscilloscope. From this, the ratios for the windings were determined.

      • An estimate was made of the number of turns likely to be on the Drive winding based on other similar designs. The number of turns on the other windings were calculated based on the turns ratios. Wire size is probably #36 AWG.

    2. The transistor was marked 5609 which I could not cross to anything. I would guess that a general purpose medium NPN power transistor like a 2N3053 or ECG24 should work. For a PNP type, reverse the polarities of the power supply and C1.

      Since it is very low power, no heat sink is used in this lamp. However, for other applications, one may be needed.

    3. Some experimentation with component values may improve performance for your application.

    4. When testing, use a variable power supply so you get a feel for how much output voltage is produced for each input voltage. Component values are not critical but behavior under varying input/output voltage and load conditions will be affected by C2, C3, R1, R2, the number of turns on each of the windings of T1, and the gain of your particular transistor.

    5. WARNING: Output is high voltage and dangerous. Take appropriate precautions.

    6.        |                         |           |
          ---+--- are connected;    ---|--- and ------- are NOT connected.
             |                         |           |
      

    Gary's EPROM Eraser

    (From: Gary Perry (perry_gary@ascom.co.uk).) I used this circuit based on this design to build an EPROM eraser, using the 4 watt G4T5 germicidal tube.

    The tube seems to like 75 VAC in order to 'fire it up'.

    I used a 2N3053 transistor and a commonly available commercial 6 - 0 - 6 primary 240VAC 100mA secondary transformer. After 25 minutes constant usage, both transistor and transformer remained cool.

    A variable PSU was connected, and the circuit worked first time. The required 75 VAC output was achieved with only 5 VDC input.



  • Back to Sam's Schematic Collection Table of Contents.

    Low Power Fluorescent Lamp Inverter 2

    The circuit below is the type used in inexpensive fluorescent camping lanterns. In this particular model, an F6-T5 lamp was used. It will drive F4-T5 to F13-T5 tubes depending on input voltage. The power source can be a 4 to 9 V, 2 A power supply (depending on the size of your lamp) or a suitable battery pack. This design was reverse engineered from a random commercial unit of unknown manufacture using a lead-acid battery battery that expired long ago.
    
                                          o T1
     + o----+---------+-------------------+
            |         |                    )::  o      C2
            |      S1 |              D 20T ):: +-------||------+-+
            |   Start  |-              #26 )::(     .022 uF    | | 
            |         |                    )::(      600 V    +|-|+
            |         |           +-------+ ::(               | - |
            |      R2 \           |         ::( O 250T        |   |
            |     270 /           |      o  ::( #32           |   | FL1
            |         \    +------|-------+ ::(               |   | T5 lamp
          +_|_ C1     |    |      | F/S 7T )::(               |   |
           --- 100 uF |    |      |    #32 ):: +--------+     | - |
          - |  16 V   +----|------|---+---+             |     +|-|+
            |              |      |   |                 |      | |
            |              |      |   +-----------------|------+-+
            |              |      +-----------+         |
            |     S2       |      |           |         |  O = Output
            | _|_ Off      |    |/ C          |         |  D = Drive
            +-- --+--------+----|    Q1       |         |  F/S = Feedback/starting
            |     |        |    |\ E 2SC1826 _|_ D2     |
            |     \       _|_     |          /_\ 1N4007 |
            |  R1 /    D1 /_\     |           |         |
            | 220 \ 1N4148 |      |           |         |
            |     |        |      |           |         |
      o-----+-----+--------+------+-----------+---------+
    
    
    The approximate measured operating parameters are shown in the chart below. The two values of input current are for starting/running (starting is with the Start button, S1, depressed.
            Lamp type --->  F4-T5       F6-T5       F13-T5
              V(in)         I(in)       I(in)       I(in)
      -------------------------------------------------------------
               3 V          .9/.6 A       -            -
               4 V         1.1/.7 A    1.1/.8 A        -
               5 V         1.3/.8 A    1.2/.9 A        -
               6 V             -       1.4/1.0 A    1.6/.95 A
               7 V             -          -         1.7/1.0 A
               8 V             -          -         1.8/1.2 A
               9 V             -          -         2.1/1.3 A
              10 V             -          -         2.2/1.4 A
    

    Notes on Low Power Fluorescent Lamp Inverter 2

    1. Construction can take any convenient form - perf board, minibox, etc. Make sure the output connections are well insulated.

    2. T1 is assembled on a square nylon bobbin, 3/8" cubed. Wind the 250T O (Output) first, insulate with mylar tape, 20T D (Drive) next, and 7T F/S (Feedback/Starting) last. Observe directions of windings as indicated by the dots (o). The number of turns for the O winding was estimated based on measured winding resistance, wire size, and the dimensions of the bobbin.

      The core is just a straight piece of ferrite 1/4" x 1/4" x 1-3/8" It is fully open - there is no gap.

    3. Any general purpose NPN power transistor with Vceo > 80 V, Ic > 2 A, and Hfe > 15 should work. For a PNP type, reverse the polarities of the power supply, C1, D1, and D2.

      Use a good heat sink for continuous operation at higher power levels (6 V input or above). The type used (2SC1826) was a replacement after I fried the unidentified transistor originally installed (103-SV2P001).

    4. Pushbutton switches are used to control operation. S1 (Start) provides initial base drive to the transistor via the Feedback/Starting winding of T1 until the tube arc is established. At that point, feedback is sustained via current flowing through the tube. S2 (Off) shorts the base of the transistor to ground to stop the oscillator.

      Like a regular manual start preheat fluorescent fixture, the start switch, must be depressed until the lamp comes on at full brightness indicating that the filaments are adequately heated.

    5. Some experimentation with component values may improve performance for your application.

    6. When testing, use a variable power supply so you get a feel for how much output voltage is produced for each input voltage. Component values are not critical but behavior under varying input/output voltage and load conditions will be affected by R1 and R2 (during starting in particular), the number of turns on each of the windings of T1, and the gain of your particular transistor.

    7. WARNING: Output is high voltage and dangerous. Take appropriate precautions.

    8.        |                         |           |
          ---+--- are connected;    ---|--- and ------- are NOT connected.
             |                         |           |
      



  • Back to Sam's Schematic Collection Table of Contents.

    Medium Power Fluorescent Lamp Inverter

    This circuit is capable of driving a variety of fluorescent lamps from a 4 to 12 V, 2 to 2.5 A DC power supply, rechargeable battery pack, or auto or marine battery. With appropriate modifications (if needed) it may be used for other applications like powering an electronic flash or HeNe laser tube. The transformer will need to be custom wound (by you) but this is not really difficult - just slightly time consuming for the 600 turn O (Output) winding if you don't have a coil winding machine.

    I have used it with fluorescent tubes of many sizes: F6-T5, F13-T5, F15-T12, and F20-T12. The arc will be sustained with the filaments hot on an input as low as about 3.5 to 4 V (with a new tube) but during starting, an input voltage of about 5 or 6 V may be needed until the filaments are hot enough to sustain the arc at the lower voltage.

    Two nearly identical circuits are shown.

    The switching frequency is about 21 kHz and varies less than 5 percent over the range of input voltage for which the bulb remains lit (it is significantly higher with no load - about 140 kHz). An input voltage of about 4 V is needed to start oscillation (reducing R1 or increasing R2 would lower this at the expense of efficiency at higher voltages) but it will continue well below 3 V.

    The measured input current at various input voltages for two lamp types are shown in the chart below. SV (Starting Voltage) is the minimum input voltage required to preheat the filaments before the lamp will turn on (current is lower until filaments are hot). FB (Full Brightness) is the point at which the lamp appears to be operating at the same intensity as if it were installed in a normal 115 VAC fixture.

             Lamp type --->  F13-T5           F20-T12
               V(in)         I(in)             I(in)
          ---------------------------------------------------
                3 V            -              1.37 A
                4 V          1.76 A           1.52 A (SV)
                5 V          1.80 A (SV)      1.60 A
                6 V          1.90 A           1.65 A
                7 V          1.96 A (FB)      1.70 A
                8 V          2.02 A           1.80 A
                9 V          2.16 A           1.90 A
               10 V          2.33 A           2.05 A
               11 V            -              2.30 A (FB)
               12 V            -              2.60 A
    

    Notes on Medium Power Fluorescent Lamp Inverter

    1. T1 is an E-core ferrite transformer. Once complete, the cores are installed on the bobbin with a 2 mm gap. Some experimentation with the core gap may be needed to optimize performance for a given lamp type and input voltage.

      Each E core is 1" x 1/2" x 1/4" overall. The outer legs of the core are 1/8" thick. The central leg is 1/4" square. The square nylon bobbin has a diameter of 5/16" and length of 3/8".

      The 600T O (Output) is wound first followed by the 15T D (Drive) and 10T F (Feedback) windings. For convenience, wind the D and F windings bifiler style (the two wires together). Determine the appropriate connections with an ohmmeter (or label the ends). The centertaps are brought out to terminals. Try to distribute the O winding uniformly across the entire bobbin area by winding it in multiple layers. This will assure that no wires with a significant voltage difference are adjacent. There should be a strip of insulating tape between the O and the other windings.

    2. L1 isolates the power supply. It is 24 turns of #22 wire wound on a 1/4" ferrite core. The inverter works fine without L1 but seems to have a tad more strength at low voltage with it.

    3. The transistors are MJE3055T (2N3055 in a TO220 package) types but are not critical. However, I expect that some faster switching transistors would run cooler. Any fast switching NPN power transistor with Vceo > 80 V, Ic > 3 A, and Hfe > 15 should work. For PNP types, reverse the polarity of the power supply.

      For operation above about 6 V, a pair of good heat sinks will be required. However, power dissipation in the transistors does not seem to increase as much as expected - the base drive is probably more optimal at higher input voltage.

    4. Some experimentation with component values may improve performance for your application.

    5. When testing, use a variable power supply so you get a feel for how much output voltage is produced for each input voltage. Component values are not critical but behavior under varying input/output voltage and load conditions will be affected by C1, the number of turns on each of the windings of T1, the gap of the core of T1, and the gain of your particular transistor. If the circuit does not start oscillating, interchange the F winding connections to Q1 and Q2.

    6. WARNING: Output is high voltage and dangerous. Take appropriate precautions.

    7.        |                         |           |
          ---+--- are connected;    ---|--- and ------- are NOT connected.
             |                         |           |
      



  • Back to Sam's Schematic Collection Table of Contents.

    Lazar's Comments on F-Lamp Inverter Design

    (From: Lazar Pancic (dextter@eunet.yu).)

    I planned one week of camping with my friends this summer, so I wanted to make one fluorescent tube run on 12V and studied a lot of Internet places for the ideas. I made some of the circuits (some of them I found on your site) but the performance was not as I expected. Yes, they do run a 8W tube but the brightness is quite obviously lower than when the tube is run on mains supply. Then I started to study app-notes of many different electronic ballasts for fluoro-tubes and got the idea what was wrong. I send my conclusions to you with the hope that it could help others in selecting the good circuit with less trouble than I got :))

    1. For the good performance it is important to drive fluorescent tube by pure AC voltage. It may look strange, but simple flyback transformer drives the tube on DC, not AC! Look at one of the flyback circuits: when the transistor is conducting the primary windings get more and more current which produces storage of magnetic energy in the core of the transformer. At the point when the core saturates the base drive for the transistor is being suddenly cut off (this "suddenly" depends on the core material properties), and the stored energy is being transferred by the secondary winding to the tube as a high voltage pulse. Since the orientation of primary and secondary windings and the battery (e.g. accumulator) is always the same this pulse also has the same polarity every time. That's why only one side of the tube gets darker after it is being run on such inverter for some period of time, and that is why the tube can't perform well for some reasonable period of time with the flyback topology of the driver.

    2. Because there is one period within the flyback cycle when the transistor is only supplying the transformer with the magnetic energy and the tube doesn't get any portion of the energy during this period, the tube would probably turn off during this. That is not good at all. One of the biggest advantages of the electronic ballasts over older ballasts with the inductors (or transformers) is that the tube is run on high frequency so that it doesn't turn off at any time. There is no flicker but one more important consequence is that the tube need not be started at the beginning of every single cycle! That's why the tube has 10% more light power when being run on electronic ballasts. Naturally, the good ballasts have no "dead-time" in their operation cycles.

    3. For the long lifetime of the tube, many app-notes suggest sinusoidal form of the tube driving voltage, which is not the case with the flyback inverters. The tube voltage would be probably the very high voltage pulse at the very beginning of the tube supply period of the inverter cycle, and approx. 100V of continuous voltage at the rest of the cycle (all of these is during the period while the transistor is not conducting; while it does, the output voltage is 0 V).

    4. Since only one transistor is performing the switching job, it's current is at least two times bigger than if there were two of them, for the same output power of the inverter. For example, if the inverter gets constant current of 1 Amp from the power supply, the transistor's peak current would probably be greater then 2 Amps!

      So, it seams that far better topology for fluorescent tube inverters is symmetrical push-pull inverter, such the one described in "Medium Power Fluorescent Lamp Inverter". There is only slightly higher cost for this (one power transistor more), but also fewer resistors and capacitors!

      The output voltage of this circuit is alternating (+/-) square wave. The tube gets constant power supply (it lights during positive as well as during negative half-cycle, which means AC), and it doesn't turn off at all.

    5. It is good to preheat the electrodes of the tube before it is being started. There are some of the flybacks that does so, but during this period of operation the peaks of output voltage are even higher. Unfortunately, Medium Power... doesn't preheat the tube. This could be done by adding one high voltage capacitor in parallel with the tube. It's capacitance should be few times lower than the one in series with the tube... (read on :) Notice that the oscillating frequency of the inverter is around 7 times higher with no load (e.g., when the tube is not started yet). At this very high frequency this small capacitor's impedance is low enough so that considerable preheating current could flow through the filaments. Every simple compact fluorescent tube electronic ballast has one of these, the value of which is 2n2/1000V. I suggest using one of them or any with the similar properties.

      One additional good feature of this capacitor is that it heats the filaments of the electrodes even during normal operation of the tube but in much lower rate (about 5% of the preheating current). It may look as a fault but it doesn't. The lamp life would be longer if the filaments are hotter.

    6. High speed switching transistors could be the good choice but only if special "hard" ferrite core materials are used. These materials have very sharp hysteresis curve which means that they saturate fast and provide fast and clean switching pulse for the transistors. If normal core is used, fast switching transistors may not be of any benefit. Nevertheless, standard cores for ferrite transformers tend to be made of the "hard" materials (and these materials get better and cheaper) so it could be interesting for enthusiasts to experiment.

    7. If you use emitter resistor as I do, it is quite likely that no cooler would be needed for the transistors! It's resistance depends on the power of the tube that is being run and could be calculated with this rule-of-thumb:

       Re = 1.2V/I(Amps)
      

    8. Small capacitors in parallel with the base resistors help in starting the oscillations. Their value is not critical (0.33 to 2.2 nF).

    9. Finally, there is another way of providing the base drive pulses to the transistors without separate "base-drive" windings. I experimented for some time with this topology and find it satisfactory. Any transistor type would probably need different values for resistors, bud not much different than one I suggested. However - is obviously much easier to experiment with resistors than with number of base-drive turns :)

      With a 12 VDC power supply, this resistor produces around 10% of power loss but if the compactness of the device is important, it is acceptable. Without it the transistors would dissipate almost the same amount of heat as resistor dissipates when is present, so I suggest using it anyway. The inverter runs much more stablely with it and the transistors are much less stressed, which ensures long and reliable operation of the inverter.

    Lazar's Improved Medium Power F-Lamp Inverter

    Here is the drawing of the inverter I use to power the 18W tube on 12 VDC:

    
      +Vcc                              o T1
        o          Q1  +--+-------------+
        |              |  |              )::
        |          B |/ C |              )::
        |  +---------|    |              )::       C1
        |  |         |\ E |       D1 22T ):: +-----||-------+
        |  |           |  |          #26 )::(o   4.7 nF     |
        |  |           +--|-----+        )::(    1200V      |
        |  |       4k7    |     |        )::(               |
        |  +----+-/\/\/-+-|--+  |        )::(               |
        |  |    |       | |  |  |        )::(               | +---------+
        |  |    +--||---+ |  |  |        )::(               | |         |
        |  |       1nF    |  |  |        )::(              +|-|+        |
        |  |              |  |  |        )::(              | - |        |
        +--|--------------|-------------+ ::(              |   |        |
        |  |        4k7   |  |  |       o)::(              |   |        |
        |  |  +----/\/\/--+  |  |        )::(              |   |        |
        |  |  |           |  |  |        )::(              |   |        |
        |  |  +-----||----+  |  |        )::( O 500T       |   |   2n2 _|_
        |  |  |     1nF      |  | D2 22T )::(   #32        |   | 1200V ___
        |  |  |              |  |    #26 )::(              |   |        |
        |  |  |    Q2  +-----+  |        )::(              |   |        |
        |  |  |        |     |  |        )::(              |   |        |
        |  |  |    B |/ C    |  |        )::(              |   |        |
        |  |  +------|       |  |        )::(              |   |        |
        |  |  |      |\ E    |  |        )::(  Fluoro-tube |   |        |
        |  |  |        |     |  |        )::(      18W     |   |        |
        |  |  |        |     +--|-------+ ::(              | - |        |
        |  |  |        |        |         ::(              +|-|+        |
        |  |  |   1k   |        |         ::(               | |         |
        |  |  +-/\/\/--+        |            +--------------+ +---------+
        |  |           |        |
        |  +----/\/\/--+        |      
      +_|_        1k   |        |    Re       Q1,Q2: BD243C
       ---             +--------+--/\/\/\---+
      - | 100uF/16V                1 Ohm    |
        |                           2W      |
        +-----------------------------------+
                                           _|_
                                            _
    
    
    All resistors are rated to 1/4 W except Re, which is 2 to 4 W.

    My lamp has survived abt 20 hours being run on this circuit. I will send you an update if I notice something else useful or interesting.



  • Back to Sam's Schematic Collection Table of Contents.

    Compact Fluorescent Lamp Electronic Ballast 1

    This unit is from a Techna-Bright EDXR-38-16 compact fluorescent lamp used as a (mediocre) replacement for the ubiquitous 150 W outdoor floodlight. It's a 3 U-section tube inside a light weight glass floodlight reflector. With a rated electrical input of only 16 W, I doubt it's even as bright as a 60 W incandescent lamp. The inverter is remarkably simple and must be dirt cheap to manufacture. It uses a pair of 400 V, 4 A bipolar transistors in a self-oscillating configuration which appears to have its output in resonance with a LC network in series with the lamp. The only magnetic components are an inductor for RFI suppression, an inductor in series with the lamp, and a driver transformer for the transistor bases (3 sets of 2 or 3 turns on a ferrite core). An RC and diac circuit provides a kick start to get it going. Protection of sorts (one time) consists of a fusable 0.47 ohm resistor in the AC line input.

    The same basic circuit could be used on 220 to 240 VAC, 50 Hz but the voltage ratings of the filter capacitor and possibly the transistors would need to increase, and probably some other changes would be needed. This in fact is what 230 VAC CFL ballasts do. See Pavouk.org - Compact Fluorescent Lamps. There are schematics for at least 11 different model CFLs!

    However, note that these ballasts do not seem to be very tolerant of any sort of fault in the lamp circuit itself and may fail instantly if there is a short, open, intermittent connection, or wrong type or size lamp. Thus care should be taken if attempting to use the ballast to power anything other than the original lamp. Double check that all wiring is correct and secure before applying power.



  • Back to Sam's Schematic Collection Table of Contents.

    Compact Fluorescent Lamp Electronic Ballast 2

    This unit is from a General Electric 26 W helical compact fluorescent lamp which is a fairly decent replacement for a 100 W incandescent lamp, but having just over 1/4 the energy consumption. The model number on the CFL is: FLE26HT3/2/SW. However, even what appear to be identical GE CFLs may have slightly different part numbers. The lamp, ballast (bottom view inset), and base are shown in Major Parts of General Electric Helical Compact Fluorescent Lamp.

    This inverter uses a pair of N and P channel 250 V, 2 to 2.5 A, MOSFETs in a self oscillating configuration with a transformer (actually labeled L3 on the schematic) boosting the half-bridge output voltage. (L3 may actually have at least one of its windings wired with Litz multistrand insulated wire based on the appearance of the wire ends at its terminals.) Gate drive feedback is via a series L-C circuit. A Positive Temperature Coefficient thermistor provides current to power the tube filaments and then increases to a high resistance while the lamp is running. This is easier on the filaments during starting but uses a bit extra power than might be possible with some sort of active switching circuit to disable them. Protection is provided by a real 1.5 A mini glass fuse wired directly to the center of the CFL screw base.

    The same basic circuit could be used on 220 to 240 VAC, 50 Hz but the voltage ratings of the filter capacitor and MOSFETs would need to increase, the L3 turns-ratio would decrease, and probably some other changes would be needed.

    However, note that these ballasts do not seem to be very tolerant of any sort of fault in the lamp circuit itself and may fail instantly if there is a short, open, intermittent connection, or wrong type or size lamp. Thus care should be taken if attempting to use the ballast to power anything other than the original lamp. Double check that all wiring is correct and secure before applying power.



  • Back to Sam's Schematic Collection Table of Contents.

    Basic 200 W Power Inverter

    This circuit was reverse engineered from a Tripp-Lite "Power-Verter" Model PV200 DC to AC Inverter - typical of those used for camping or boating applications where the only source of power is an auto or marine battery. This particular model is rated 200 W continuous. The output is a 60 Hz squarewave and there is no regulation or precise frequency control. (Unlike the other circuits in this collection, it is NOT a high frequency inverter.)

    Modifications for higher or lower output voltage are easily achieved. For example, a fast cycle strobe requiring 330 VDC, would only require using three times the number of turns on the Output winding and the addition of a bridge rectifier to charge the energy storage capacitor(s). Alternatively, the inverter could be used as-is with the addition of a voltage tripler. A tripler rather than doubler is needed because of the squarewave output. (The RMS and peak voltages are the same so you don't get the boost of 1.414 as you do with the sinusoidal waveform from the power company.)

    Circuits similar to this will also be found inside UPSs (Uninterruptible Power Sources) so if all you want is a cheap low voltage DC to line voltage inverter, find a dead UPS - there's a good chance the battery is bad, not the electronics! (However, it may not be designed for 12 VDC input.)

                                                        3 o
            +12 VDC                +--------+--------------+
               o                   |        |               )||
               |                 |/ C     +_|_ C1           )||
               S F1 20 A  +------|    Q1   --- 10 uF  31T D )||  o 2
               |          |      |\ E     -_|_ 160 V    #13 )|| +---------o AC Hot
                \ S1      |       _|_       -               )||(
               |  Pwr     |        -                        )||(
               |          |                               4 )||(
               +------+---|--------------------------------+ ||(
               |      |   |       _-_                       )||(
               |      |   |        |                        )||( O 360T
               |      |   |      |/ E      _-_ C2     31T D )||( #20
               |      /   |  ----|    Q2  -_|_ 10 uF    #13 )||(
          C3 +_|_  R3 \   |  |   |\ C      --- 160 V        )||(
       10 uF  --- 150 /   |  |     |      + |             5 )||(
        50 V - |  5 W \   |  |     +--------+--------------+ ||(
               |      |   |  |                               ||( 1
               |      |   |  +---------------------+         || +------o AC Neutral
               |      |   |                        |     6 o ||
               +------+---|-------------------+    +-------+ || T1
                          |                   |     F 17T   )||
                          |       R3 2.7 10 W |       #24 7 )|| O = Output
                          |      +----/\/\----+------------+ || D = Drive
                          |      |R2 2.7 10 W           10 o || F = Feedback
                          |      +----/\/\-----------------+ ||
                          |     _|_                 F 17T   )|| (Pin numbers from
                          |      -                    #24 8 )||  Triplite unit.)
                          +--------------------------------+
    
    

    Notes on Basic 200 W Power Inverter

    1. Construction was all done point-to-point - there is no circuit board. Layout appears not to be critical.

    2. T1 is a relatively large heavy laminated E-I core transformer. The E and I sheets alternate direction to assure a low reluctance magnetic circuit.

      The core dimensions are 3-3/4" x 3-1/8" x 1-1/8" overall. The outer legs of the core are 5/8" thick. The central leg is 1" wide. The square bobbin has a diameter of 1-3/8".

      The 360T O (Output) secondary is wound first as 4 or 5 insulated layers followed by the 31T D (Drive) and 17T F (Feedback) windings. There are insulating layers between each of the windings.

      The number of turns were estimated without disassembly as follows:

      • The wire sizes were determined by matching the diameters of the visible ends of the wire for each winding to magnet wire of known AWG and/or measuring with a micrometer where possible. (The Drive windings are actually wound using square cross-section magnet wire for maximum packing density. This was estimated to be equivalent to #13 AWG round wire.)

      • The number of turns in the Output winding was determined based on its measured resistance, core diameter, and the wire gauge tables.

      • The inverter was run and the amplitudes of the signals on each winding were measured. From these ratios, the number of turns were calculated.

    3. The transistor were marked 69-206. ECG29 is a close match - high power amplifier switch - 80 V, 50 A, 300 W, Hfe 20 min. 2SD797 is another readily available power transistor that should work. For PNP types, reverse the polarities of the power supply, C1, C2, and C3.

      The transistors are mounted on heat sinks which form the sides of the case.

    4. C3 and R3 are required for starting. Since there is no source of current for the bases of the transistors other than the Feedback windings, this provides a starting pulse to Q2 when the unit is switched on. Ramping the input voltage slowly rather than using the power switch would likely result in the inverter behaving like an inanimate object.

    5. Measured frequency of operation was about 56 Hz. This is likely affected by nearly everything - input voltage, capacitance, core saturation, phase of the moon, etc. Therefore, don't expect to drive a clock mechanism from this thing with any accuracy!

    6. Some experimentation with component values may improve performance for your application.

    7. When testing, use a variable power supply so you get a feel for how much output voltage is produced for each input voltage. Component values are not critical but behavior under varying input/output voltage and load conditions will be affected by C2 and C3, the number of turns on each of the windings of T1, and the gain of your particular transistors. However, See note (3) about starting.

    8. WARNING: Output is high voltage and dangerous - even more so if you increase its output for true HV applications. Over 200 W is available continuously. Take appropriate precautions.

    9.        |                         |           |
          ---+--- are connected;    ---|--- and ------- are NOT connected.
             |                         |           |
      



  • Back to Sam's Schematic Collection Table of Contents.

    Up to 350 VDC Inverter from 1.5 V Alkaline Cell

    Using the basic circuit of the electronic flash unit from a disposable pocket camera, it is possible to generate any voltage from a few V to 350 V or more from a 1.5 V AA Alkaline battery. (Similar modifications could be made to other pocket camera or external flash unit circuits.)

    The specific circuit described below is derived from the inverter used in a Kodak "MAX" disposable camera electronic flash. The beauty of this approach is that the remains of these cameras are often available for the asking at 1 hour photo developing outfits since they are usually thrown away after extracting the film (though apparently some are recycled, this is probably the exception rather than the rule).

    The original Kodak MAX Flash Unit Schematic and Photo of Kodak MAX Flash Unit show what you get for nothing. All newer Kodak disposable cameras including the "Funsaver Sure Flash" and APS (Advanced Photo System) "ADVANTIX" appear to use a similar if not identical circuit but I haven't disassembled one of those as yet.

    This is certainly useful intact for strobe and high voltage projects but for the purposes of this discussion, all we need are T1 (which we may modify), Q1, R1, perhaps S1 or an equivalent, C1, and D1.

    By rewinding the inverter transformer, any output voltage up to about 350 VDC can be obtained from a 1.5 V Alkaline cell. More than 350 V is probably possible but just thinking about winding the needed secondary makes me tired!

    The Mini Power Supply Based on Modified Kodak MAX Inverter shows the simplified circuit. The original circuit board can be used and is very convenient though a more compact unit can be constructed if you use a bit of perf board or your on PCB. The output is taken across C2 (between +V and -V). In the original photoflash, its value was 160 uF. But for the inverter, C2 can be much smaller. As drawn, the output voltage is around 5 to 6 VDC. Note that for higher voltages, Q2 in the original MAX schematic may be needed. For low voltage operation, performance is much better without it. I don't know what the break-even point is so you may want to leave a spot for Q2 just in case.

    The main difficulty is in disassembling T1 in a nondestructive way. It seems that the ferrite core is held together by an adhesive which is very tough and resistant to any solvent that won't destroy the plastic bobbin and wire insulation as well. Therefore, you may need to sacrifice two of these - one so that just the ferrite core can be salvaged by soaking the transformer in some nasty solvent (maybe lacquer thinner will work) to dissolve the adhesive.

    For the 6 turn primary, the number of turns required on the secondary is approximately:

                    N = 6 * (Vout + 1.2) / 1.2
    
    assuming a small load on the output.

    So for 4 VDC, N = 26 (as drawn); for 50 VDC, N = 256; and for 300 VDC, N = 1506.

    The original circuit topped out at about 350 VDC with N = 1750.

    It may be possible to use multiple output windings to provide more than one output voltage but as will be shown below, all output power must be drawn on the forward stroke of the converter since the flyback pulse of the reverse stroke is needed to drive the voltage on C1 and the base of Q1 negative.

    I have done the modifications for the 4 VDC version by removing the original 1,750 turn secondary (I had to do this anyway so I could confirm the number of turns for the circuit description) and replacing it with a 26 turn winding of #32 wire. Unfortunately, I also had to Epoxy the half dozen pieces of the ferrite core back together after somewhat destructive disassembly but I don't think there are any significant gaps left in the core. :-( I've heard that soaking in Methylene Chloride for 24 hours may allow these transformers to be disassembled without damaging the bobbin or core, but this stuff also dissolves internal organs, so use with caution. Alcohol or acetone may also do the trick if given enough time.

    I confirmed that the transformer still worked by installing another set of undamaged original windings and checking that it still charged and fired the flash properly.

    With no load and the new windings, the output reaches about 5 V in a fraction of a second.

    With a 100 ohm load, the output drops to a bit over 4 V.

    Following a post to sci.electronics.design suggesting this circuit as a simple way of obtaining a dual op-amp supply from a single Alkaline cell (dual part as yet to be tested), we have the following discussion on the theory of operation of this circuit:

    (From: Tony Williams (tonyw@ledelec.demon.co.uk).)

    "That sounds about right, rough sums:

    Q1 bottoming-V is going to vary from about 0.1V to about 0.3V on the forward stroke, from no-load to full-load.

    D1 + Q1Vbe fwd-drop is going to similarly vary from about (0.7 + 0.35)V to (0.7 + 0.6)V.

    V/C2(NLoad) = (1.5 - 0.1)26/6 - 1.05 = 5.02V.
    V/C2(Fload) = (1.5 - 0.3)26/6 - 1.3 = 3.9V.

    4 V across 100 ohms is about 160 mW, not bad really.

    Well, I still haven't seen what recharges C1 negatively. Some scope waveforms for C1 and D1 would be nice (hint, hint). :)"

    After noting that I was impressed that both our numbers work as well as they do, Tony replied:
    "Don't be, it was a pure fluke. The V-drops were only guesstimated and things like primary IR-drop were not even included."
    Well, IR-drop should be negligible - 4 inches of #26 wire is only about .013 ohms :-).

    Some additional info (after I took the hint) finally appears to have solved the mystery:

    I checked the waveform across B-E of Q1. It is around .6 V for most of the cycle with strong -6 V going spikes! So, where are they coming from????

    Possible sources include:

    I thought that maybe the relatively long recovery time of the standard-looking (though unknown markings) diode (D1) is providing enough reverse current to turn off the transistor. I tested this by subbing both a fast recovery and high efficiency rectifier - no difference. OK, well maybe just a bit better performance :-). Perhaps it still is the reverse current spike as the transistor switches off that drives the base hard to -6 V.

    Now, here is the kicker (no pun....):

    Monitoring the waveform ACROSS D1 - do you want to guess what it looks like?

    We have a greater than 110 V, 200 ns spikes occurring when Q1 switches off! Geez! 110 V from a 26 turn winding and a 1.5 V battery! It wouldn't take much capacitance or reverse recovery leakage through D1 to drive the base and C1 negative by 6 V. Looking at the equivalent circuit:

    
                              X pF         470 pF
          >110 V pulse o-------||-----+------||------+
            ~200 ns                   |             _|_
                                      o              -
                                 ~6 V pulse
    
    
    X of about 26 pF would result in an appropriate divider ratio. However, this sounds high for the layout and 26 turns. Then again, stranger things have happened :-). But, a combination of the reverse recovery conduction and higher capacitance at low voltage as the diode reverses could probably do it.

    Tony replies to this new information:

    "You will recall that I was puzzled about energy transfer on the fwd stroke only. That transformer is going to get stored energy on every fwd stroke, and yet there appears to be no means of dissipating that energy..... There is even no protection for the collector of the transistor. In fact, I would suspect that that is part of the design, in that they did not want the energy clamped by the primary, they needed it as a high voltage reverse dissipation in the secondary.

    Think varactor-action. For D1 being spiked from fwd conduction to 110 V negative I would suspect that a 26pF-equivalent for D1 is quite reasonable. Bearing in mind that we have an inherent reverse-Vbe clamp I would not even be surprised if D1 could also be allowed to avalanche."

    I just wonder how this design came about. The vast majority of these simple flash inverter circuits use the traditional blocking oscillator topology with a separate winding or portion of a winding for the base drive/feedback. (At this point I have taken a look at over a dozen different types.) This Kodak circuit appears to be unique in letting the high voltage (originally) winding serve double duty. It probably does save 5 cents in the manufacturing cost of the transformer by not having to have a separate winding. :-).

    And, Tony's reply:

    "I worked for a chap once (one Jevon Crossthwaite, about 70 now if still alive) who could take a circuit and absolutely *squeeze* the last ounce of performance out of it. This is typical of what he would get up to. I did learn a lot from him, but only partially, because my inbuilt design nature is still yer brick outhouse.

    If there are any BOFs around; I think Jevon Crossthwaite, in his early days, worked for Sylvania and for George Philbrick (before and after Teledyne entered the scene), both in the States."

    Also see the section: Ultra-Compact 350 V Capacitor Charger.



  • Back to Sam's Schematic Collection Table of Contents.

    Jonathan's 12 V Inverter for HID Lamps

    See Jonathan's Electronic Ballast to Power HID Lamps from 12 VDC for a description and schematic of an inverter that will drive a variety of high intensity discharge lamps from low voltage DC. Or, just the schematic at Schematic of Jonathan's Electronic Ballast to Power HID Lamps from 12 VDC.



  • Back to Sam's Schematic Collection Table of Contents.

    Strobe Circuits

    Strobe Circuits Introduction

    Don't forget, there are many more electronic flash and strobe circuits in: Notes on the Troubleshooting and Repair of Electronic Flash Units and Strobe Lights and Design Guidelines, Useful Circuits, and Schematics.



  • Back to Sam's Schematic Collection Table of Contents.

    Variable Intensity Variable Frequency Stroboscope

    This circuit (referenced in the document: Notes on the Troubleshooting and Repair of Electronic Flash Units and Strobe Lights and Design Guidelines, Useful Circuits, and Schematics is designed to provide a variety of options in terms of repetition rate, flash intensity, and various repeat and triggering modes.

    The design includes:

    Note that the flashlamp will NOT operate at all intensities for these entire ranges due to recharge and power dissipation limitations.

    Parts of this circuit have been built and tested but the entire unit is not complete. Maybe someday.... :-)



  • Back to Sam's Schematic Collection Table of Contents.

    Kevin's Strobe Schematics

    (The following two sections are from: Kevin Horton (khorton@tech.iupui.edu).)

    High power inverter and trigger circuits

    I'm building a super strobe bar! It has 8 strobe tubes under computer control. (Actually a PIC processor, but hey, computer is a computer.) I have all the stuff done except the control section, and I only have 2 of the 8 strobe units done due to the fact that I haven't found any more cheap cameras at the thrift store! (One Saturday morning's worth of garage sales and flea markets would remedy that! --- sam).

    It runs on 12 V, at up to 6 A, and can fire the tubes at a rate of about 8-10 times per second. The storage cap is a 210 uf, 330 V model; it gets to about 250 V to 300 V before firing; depending on how long it has had to charge. Because of this high speed, the tubes get shall we say, a little warm. (Well, maybe a lot warm --- sam). I have it set up at the moment driving two alternating 5 W-s tubes. I'm pumping them quite a bit too hard, as the electrodes start to glow after oh, about 5 seconds or so of continuous use. I know, a high class problem, indeed! My final assembly will have 8 tubes spaced about 8 inches apart on a 2x4, with a Plexiglass U-shaped enclosure with a nice 12 V fan blowing air through one end of the channel to cool the inverter and the tubes. Stay tuned.

    Inverter - High power 12 V to 300 V inverter for high repeat rate medium power strobes. Schematic in GIF format: inverter.gif

    Trigger - Opto-isolated logic level trigger for general strobe applications. Schematic in GIF format: trigger.gif

    Teeny Tiny Inverter Design

    I have developed a cool little transformer circuit that seems to be very efficient. I built this inverter as tiny as I could make it. It runs off of 3V, and charges up a little 1 uf 250V cap all the way up in about 30 seconds; drawing about 5 to 8 mA in the process. The numbers by the windings tell the number of turns. The primary and feedback windings are #28, while the secondary is #46. Yes, #46! I could hardly tell what gauge it was, as it was almost too small to measure with my micrometer! It may be #44 or #45, but at these sizes, who knows? I used a trigger transformer for the wire. I used all the wire on it, to be exact; it all JUST fit on the little bobbin. The primary went on the core first, then the secondary, and finally the feedback winding. This order is very important. I used a ferrite bobbin and corresponding ferrite 'ring' that fit on it. The whole shebang was less than 1 cm in diameter, and about 3-5 mm high! I gave it a coat of wax to seal things up, and made the inverter circuit with surface-mount parts, which I then waxed onto the top. There are two wires in, and two wires out. It's enough to run a neon fairly brightly at 1.2 V, with a 3 ma current draw.

    Schematic in GIF format: teeny.gif

    Vcc >---+--------------+ T1 | 6T ):: \ #28 ):: +-------o HV output R1 / )::( 47K \ +---+ ::( / 2N4401 | ::( | |/ C ::( 450T | +--| Q1 ::( #46 | | |\ E ::( | | | ::( +--+ +--------+ ::( | | |17T )::( C1 _|_ | |#28 ):: +-------o HV return .001 uF --- | | ):: | +-----------+ | | Gnd >----+----------+



  • Back to Sam's Schematic Collection Table of Contents.

    Ultra-Compact 350 V Capacitor Charger

    These two circuits are based on the inverters from disposable camera flash units. While not having quite the fewest components, they have an advantage in that a simpler inverter transformer like the one in the Kodak MAX Flash with a single primary and single secondary winding can be used. (Some of the other flash inverters require either a separate feedback winding or an additional tap for the feedback.) Even so, the total space for either of these circuits excluding the battery, power switch, and energy storage capacitor may be less than 0.1 cubic inch! And the cost may be $0.00.

    The schematics are shown in Ultra-Compact 350 V Capacitor Charger. The only differences between the circuits are whether the HV output is positive or negative with respect to the input and whether one side of the battery and HV are in common. Otherwise, they should behave in a similar manner. (The Kodak MAX is negative output type 1). The versions using 2SD879 or 2SD965 (NPN) transistors for Q1 have both been tested and appear to work about equally well, charging a 120 uF 350 V photoflash capacitor (C2) to 350 V in about 10 seconds. (The 10 uF C2 shown is just an arbitrary example.). This was at least as fast as the original flash using the same transformer. The actual transformer used for these tests is from a newer flash and is somewhat smaller in size than the one found in the original MAX. It may be a more modern version of the MAX since the design and PCB layout look very similar but I don't know for sure. (See: Photo of Disposable Camera Flash Unit. Please contact me via the Sci.Electronics.Repair FAQ Email Links Page if you know for sure from which model camera this originated.) Using the larger transformer should result in a faster charging speed. The value of C1 isn't critical - almost anything will work though values between about 200 pF and 10 nF seem to be best. The versions using PNP transistors should work just as well as long as a transistor with similar gain to the NPN types are used. (The 2SB1050 or ECG12 might work but I have not confirmed this. The 2SA1585S and 2SB1395S, which were the actual transistors found in two versions of the flash from which the transformer I used were taken, oscillated but would have taken a few minutes to charge a 120 uF capacitor to a useful voltage. I assume their gain was too low. It's also possible that low gain samples of the 2SD879 or 2SD965 would not work well in the negative output circuit but all the ones I tried were fine though there was some variation in charging rate probably due to variations in gain. In the original flash circuit, an additional transistor in a quasi-Darlington configuration where the collector of the first transistor goes to the supply instead of the collector of the second transistor boosts the gain. This, of course, could be added to be sure of reliable operation.) If S1 is a momentary switch, the inverter will charge to a voltage based on the uF of the energy storage capacitor (C2) where there is no longer enough of a feedback pulse to maintain oscillation. With a C2 of 120 uF, this is between 250 and 300 VDC. (In the original flash circuit, with the additional transistor, the inverter would run to well above 300 VDC at which point the voltage limiter circuit turned it off.) The circuit then shuts off and will not restart until S1 is pressed again. If S1 remains on continuously, the inverter will run continuously. At an input of 1.5 VDC, the output will then top off at 350 to 400 VDC. The inverter may be shut off by shorting the base of Q1 to COM (either directly or via a transistor). However, note that except for the Kodak MAX configuration, note that I've only tested the circuits with S1 on permanently. I do not know if all configurations will work with a momentary switch.

    See Photo of Ultra-Compact 350 V Capacitor Charger for an example of the compact construction (shown sitting on a U.S. dime).

    The simplest source of power for these circuits is a single AA Alkaline cell. An alternative is the 1.5 V Alkaline Cell Eliminator. The peak current draw is several AMPs - anything that even slightly limits current will dramatically reduce the charging speed. DO NOT attempt to run on much more than 1.5 V as bad things may happen.

    If your circuit doesn't oscillate at all, reverse the connections to the primary or secondary of the transformer, but not both.

    There appears to be a slight difference in charging speed depending on which end of the HV winding goes to the HV rectifier. This is likely due to the interwinding capacitance or some other parasitic. Try both (reversing the primary as well) and pick the one that performs best. I'd expect the better one to be where the end of the HV winding goes to the HV rectifier.

    Other factors which affect charging rate are input circuit resistance (due to the high current) and stray capacitance. These circuits seemed to charge consistently more slowly (by about 10 to 20 percent) when tested on a solderless breadboard compared to the original flash unit or the construction shown in the photo, above.

    WARNING: Almost any uF value cap charged to 350+ VDC will result in a shocking experience if touched and may be lethal under the wrong conditions. Take care as potential danger of this little tiny circuit running from a 1.5 V battery easily be underestimated!



  • Back to Sam's Schematic Collection Table of Contents.

    IR Detector/Tester Circuits

    IR Detector/Tester Circuits Introduction

    Two approaches are shown below.

  • The first uses a bare photodiode as the sensor. It is simpler, lower power, and shouldn't care what, if any, modulation is used by the IR source.

  • An IR detector module salvaged from a TV or VCR, or purchased from Radio Shack or elsewhere may be used instead of a photodiode. This will have a much greater dynamic range (response to both weak and powerful signals) than a simple photodiode. However, some of these assume a particular modulation frequency and will be blind to anything else. Power requirements may also be more restrictive - it may insist on regulated 12 V).



  • Back to Sam's Schematic Collection Table of Contents.

    IR Detector Circuit Using Bare Photodiode

    This IR Detector may be used for testing of IR remote controls, CD player laser diodes, and other low level near IR emitters. It will not have the sensitivity or dynamic range of the approach described in the section: IR Detector Circuit Using IR Receiver Module but will respond to all sources of IR falling within the wavelength range of the photodiode used since there is not demodulation or coupling circuitry to get in the way.

    IR radiation falling on the photodiode causes current to flow through R1 to the base of Q1 switching it and LED1 on.

    Component values are not critical. Purchase photodiode sensitive to near IR - 750-900 um or salvage from optocoupler or photosensor. Dead computer mice, not the furry kind, usually contain IR sensitive photodiodes. For convenience, use a 9V battery for power. Even a weak one will work fine. Construct the circuit so that the LED does not illuminate the photodiode!

    The detected signal may be monitored across the transistor with an oscilloscope.

    
     Vcc (+9 V) o-------+---------+
                        |         |
                        |         \
                        /         /  R3
                        \ R1      \  500
                        / 3.3K    /
                        \       __|__
                        |       _\_/_  LED1 Visible LED
                      __|__       |
            IR ---->  _/_\_ PD1   +--------o Scope monitor point
              Sensor    |         |             (low active)
            Photodiode  |     B |/ C
                        +-------|    Q1 2N3904
                        |       |\ E
                        \         | 
                        / R2      +--------o Gnd
                        \ 27K     |
                        /         |
                        |         |
           Gnd o--------+---------+
                       _|_
                        -
    



  • Back to Sam's Schematic Collection Table of Contents.

    IR Detector Circuit Using IR Receiver Module

    This one uses an entire IR receiver module as the IR sensor. Its sensitivity and dynamic range will be much better than the circuit described in the section: IR Detector Circuit Using Bare Photodiode since these modules have automatic gain control circuitry built in. However, some modules are tuned to a particular modulation frequency and/or are AC coupled and will not respond to all remotes or other pulsed or continuous IR sources.

    The IR receiver module from a TV, VCR, or purchased from Radio Shack or elsewhere, drives the base of Q1 through R1. It may even be possible to eliminate the transistor circuit entirely and connect the LED directly to the module's output (in series with a current limiting resistor to Vcc or Gnd) but that depends on the drive capabilities of the module. You can use whatever Vcc is required for the IR receiver module for the LED circuit as well but may need to change the value of R2 to limit the current to the LED to less than its maximum rating.

    The specific case where Vcc is +5 V is shown.

    
                                     R2 
        Vcc (+5) o------+-----------/\/\--------+
                        |           220       __|__
                        |                     _\_/_  LED1 Visible LED
                        |                       |
                        |+                      +--------o Scope monitor point
                   +----------+                 |             (low active)
                  -|    IR    |out    R1    B |/ C
           IR ---> : Receiver |------/\/\-----|    Q1 2N3904
                  -|  Module  |      10K      |\ E
                   +----------+                 | 
                        |-                      |
             Gnd o------+-----------------------+--------o Gnd
                       _|_
                        -
    
    



  • Back to Sam's Schematic Collection Table of Contents.

    Radio Frequency Circuits

    Sam's 6146A RF Power Oscillator

    This is a tunable RF generator based on a 6146A - a once popular "beam power tube", which I built about 30 years ago and recently resurrected in conjunction with my laser activities. It is a basic Hartley oscillator capable of at least 15 watts of RF output when powered from a 400 VDC, 100 mA power supply (of the same vintage and also recently resurrected). My most accurate power estimates are based on the "fluorescent lamp brightness test" and when driving a 15 W light bulb as a dummy load. :) The 15 W bulb runs best when attached to a 25 turn, 1 inch diameter air-core coil inserted into the main tuning coil (L2). Impress kids of all ages: Look, it lights with no wires!

    However, depending on the tuning and loading cap settings, the oscillator may not start when the bulb is cold (due to its much lower filament resistance and thus too much load) and fully inserted into L2 - it must be partially withdrawn to start up. Much more than 15 W could likely be generated by powering the system from a higher voltage input (the 6146A's maximum ratings exceed 725 V and 250 mA).

    With the components values used, its output frequency range is about 2.5 to 5 MHz which almost actually agrees with calculations (at least within a factor of 2. :)

    I make no other claims about this circuit either in terms of efficiency or output purity - I know that it produces all sorts of harmonics which mess up local (at least) radio and TV reception depending on the setting of its tuning cap.

    Schematic in GIF format: Sam's 6146A RF Power Oscillator.

    A note about the power supply: This was probably one of my first electronics projects, back in the days when tubes were king (but in the process of being dethroned). It uses an old TV power transformer, 5U4 full wave rectifier, and a CRC filter with a dual section twist-lock electrolytic cap. It isn't good to put more than 500 V on a 450 V electrolytic cap: I was running the unit on a Variac capable of 140 VAC with the supply outputting 425 VDC or so. While adjusting the oscillator, the plate current went way down and without regulation, the output of the power supply drifted up to 500 or 550 V. While my back was turned, the cap started smoking profusely and all sorts of disgusting icky juice leaked out. Locating a replacement that would fit became a non-trivial exercise. :(



  • Back to Sam's Schematic Collection Table of Contents.

    Basic Light Dimmer Circuits

    Light Dimmer Circuits Introduction

    These are the type of common triac based light dimmers (e.g., replacements for standard wall switches) widely available at hardware stores and home centers.

    CAUTION: However, note that a dimmer should not be wired to control an outlet since it would be possible to plug a device into the outlet which might be incompatible with the dimmer resulting in a safety or fire hazard.

    While designed for incandescent or heating loads only, these will generally work to some extent with universal motors as well as fluorescent lamps down to about 30 to 50 percent brightness. Long term reliability is unknown for these non-supported applications.



  • Back to Sam's Schematic Collection Table of Contents.

    Simplest Dimmer Schematic

    The first schematic is of a normal (2-way) inexpensive dimmer - in fact this contains just about the minimal number of components to work at all!

    S1 is part of the control assembly which includes R1.

    The rheostat, R1, varies the amount of resistance in the RC trigger circuit. The enables the firing angle of the triac to be adjusted throughout nearly the entire length of each half cycle of the power line AC waveform. When fired early in the cycle, the light is bright; when fired late in the cycle, the light is dimmed. Due to some unavoidable (at least for these cheap dimmers) interaction between the load and the line, there is some hysteresis with respect to the dimmest setting: It will be necessary to turn up the control a little beyond the point where it turns fully off to get the light to come back on again.

    
              Black o--------------------------------+--------+
                                                     |        |
                                                  |  |        |
                                               R1 \  |        |
                                            185 K /<-+        |
                                                  \  v CW     |
                                                  |         __|__ TH1
                                                  |         _\/\_ Q2008LT
                                                  +---|>|   / |   600 V
                                                  |   |<|--'  |
                                              C1 _|_  Diac    |
                                           .1 uF --- (part of |
                           S1                     |    TH1)   |
              Black o------/ ---------------------+-----------+
    
    


  • Back to Sam's Schematic Collection Table of Contents.

    Types of 3-Way Dimmers

    There are at least two varieties of inexpensive 3-way style dimmer switches which differ mainly in the switch configuration, not the dimmer circuitry. You will probably have no reliable way of telling them apart without testing or disassembly.

    None of the simple 3-way dimmer controls permit totally independent dimming from multiple locations. With some, a dimmer can be installed at only one switch location. Fully electronic approaches (e.g., 'X10') using master programmers and addressable slave modules can be used to control the intensity of light fixtures or switch appliances on or off from anywhere in the house.

    However, for one simple, if inelegant, approach to independent dimming, see the section: Independent Dimming from Two Locations - Lludge #3251.

    Simple 3-Way Dimmer Schematic 1

    The schematic below is of one that is essentially a normal 3-way switch with the dimmer in series with the common wire. Only one of these should be installed in a 3-way circuit. The other switch should be a normal 3-way type. Otherwise, the setting of the dimmer at one location will always affect the behavior of the other one (only when the remote dimmer is at its highest setting - full on - will the local dimmer have a full range and vice-versa).

    Note that the primary difference between this 3-way dimmer schematic and the normal dimmer schematic shown above is the addition of an SPDT switch - which is exactly what is in a regular 3-way wall switch. However, this dimmer also includes a choke (L1) and capacitor (C2) to suppress Radio Frequency Interference (RFI). Operation is otherwise identical to that of the simpler circuit.

    This type of 3-way dimmer can be used at only one end of a multiple switch circuit. All the other switches should be conventional 3-way or 4-way types. Thus, control of brightness is possible only from one location.

    
       Red 1 o--------o
                        \ 
                     S1   o----+------------+-----------+
                               |            |           |
       Red 2 o--------o        |         R1 \  ^ CW     |
                               |      220 K /<-+        |
                               |            \  |        |
                               |            |  |        |
                               |            +--+        |
                               |            |           |
                               |         R2 /           |
                           C2 _|_      47 K \           |
                      .047 uF ---           /         __|__ TH1
                               |            |         _\/\_ SC141B
                               |            +---|>|   / |   200 V
                               |            |   |<|--'  |
                               |        C1 _|_   D1     |
                               |   .062 uF ---  Diac    |
                               |            |           |
                               |   ::::::   |           |
       Black o-----------------+---^^^^^^---+-----------+
                                     L1
                             40 T #18, 2 layers
                           1/4" x 1" ferrite core 
    
    

    Simple 3-Way Dimmer Schematic 2

    The schematic below is of a 3-way dimmer with a slightly more complex switching arrangement such that when the local dimmer is set to full on or full off, it is bypassed. (If you ignore the intermediate dimming range of the control, it behaves just like a normal 3-way switch.) With this scheme, it is possible to have dimmers at both locations without the dimmer circuitry ever being in series and resulting in peculiar behavior.

    Whether this is really useful or not is another story. The wiring would be as follows:

    
                  Location 1             Location 2
                 3-way Dimmer      A    3-way Dimmer     +---------+
                      /o----------------------o\         |  Lamp   |
        Hot o------o/    Silver 1     Silver 2   \o------|   or    |-----o Neutral
               Brass   o----------------------o   Brass  | Fixture |
                         Silver 2  B  Silver 1           +---------+
    
    
    (If dimming interacts, interchange the A and B wires to the silver screws at one dimmer).

    This one uses a toggle style potentiometer where the up and down positions operate the switches. Therefore, it has 3 states: Brass to Silver 1 (fully up), dim between Brass and Silver 1 (intermediate positions), and Brass to Silver 2 (fully down).

    
                            Br  /o---o            Br   o---o          Br/\/o---o
      3-way dimmer is up o---o/   S1   or down o---o\  S1    or Dim o---o  S1
                                 o---o                \o---o               o---o
                                  S2                   S2                  S2
    
    
    However, it is still not possible to have totally independent control - local behavior differs based on the setting of the remote dimmer (details left as an exercise for the reader).

    Like the previous circuit, this dimmer also includes a choke (L1) and capacitor (C3) to suppress Radio Frequency Interference (RFI). It is just a coincidence (or a matter of cost) that the 3-way dimmers have RFI filters and the 2-way type shown above does not.

    
      Silver 1 o---+----------------+--------------------+-----------+
                   |                |                    |           |
                   |                |                 R1 \  ^ Up     |
                   |                |              150 K /<-+        |
                   |                |                    \  |        |
                   |                |                    |  |        |
                   |                |          +---------+--+        |
                   |                |          |         |           |
                   |            C3 _|_         |      R2 /           |
                   |               ---         |    22 K \           |
                   |                |          |         /         __|__ TH1
                   |                |      C2 _|_        |         _\/\_ 
                   |                | .047 uF ---        +---|>|   / |   200 V
               Up \                 |          |         |   |<|--'  |
                   |                |          |     C1 _|_   D1     |
                   |                |          |.047 uF ---  Diac    |
                   |                |   ::::   |         |           |
                   |  Dim  o--------+---^^^^---+---------+-----------+
                   |     /               L1
         Brass o---+---o               12T #18
                               1/4" x 1/2" ferrite core
                     Down  o         
                           |
      Silver 2 o-----------+
    
    

    Independent Dimming from Two Locations - Kludge #3251

    Here is a scheme which will permit dimming with independent control from two locations. Each location will have a normal switch and a dimmer knob. The toggle essentially selects local or remote but like normal 3-way switches, the actual position depends on the corresponding setting of the other switch:
    
                     Location 1       Location 2
               +--------+  4-way SW    3-way SW
    Hot o--+---| Dimmer |----o\ /o--------o\            +---------+
           |   +--------+      /            \o----------| Fixture |------o Neutral
           |              +--o/ \o--------o      Center +---------+ Shell
           |              |                      (brass)           (silver)
           |              |            +--------+
           |              +------------| Dimmer |--+
           |                           +--------+  |
           +---------------------------------------+
    
    
    As usual, the brass screw on the fixture or outlet should be connected to the Hot side of the wiring and the silver screw to the Neutral side.

    The dimmers can be any normal knob or slide type with an off position.

    Note that as drawn, you need 4 wires between switch/dimmer locations. 4-way switches are basically interchange devices - the connections are either an X as shown or straight across. While not as common as 3-way switches, they are available in your favorite decorator colors.

    If using Romex type cable in between the two locations, make sure to tape or paint the ends of the white wires black to indicate that they may be Hot as required by Code.

    And, yes, such a scheme will meet Code if constructed using proper wiring techniques.

    No, I will not extend this to more than 2 locations!

    CAUTION: However, note that a dimmer should not be wired to control an outlet since it would be possible to plug a device into the outlet which might be incompatible with the dimmer resulting in a safety or fire hazard.



  • Back to Sam's Schematic Collection Table of Contents.

    Heating Appliance Schematics

    Heating Appliance Introduction

    This are only two circuits at present - both for toaster oven/broilers. :)



  • Back to Sam's Schematic Collection Table of Contents.

    Typical Toaster Oven/Broiler

    Here is a schematic of a typical 'dumb'toaster oven/broiler - one without a P5-1000 chip if you can believe such a thing exists. :) Most of the complexity of these simple devices is actually in the sheet metal of the toast release mechanism! Like the more elaborate unit described in the section: Toastmaster Toaster Oven/Broiler with Electronic Controls, there is a knob for control of the oven/broiler functions and another for toast Light/Dark. A separate lever engages the toast function which terminates when the toast is done. You will note that other than that unit having an IC for toast timing, the basic circuits are almost the same.

    Apparently, the only real difference between a "toaster oven" and a "toaster oven/broiler" is that the latter has a means of disabling the bottom heating element while in oven (non-timed) mode - and, of course, the price!

    This diagram is not based on any particular model.
    
                      +- - - - - - + - - - - - - - + All part of Oven Control
                      :            :               :
                     S1A      S1B _:_              :        R1          R2
      AC H o--+------/ -----------o o------+---+---:-----/\/\/\/\----/\/\/\/\---+
              |  Oven Power    Thermostat  |   |   :          Top Element       |
              |                            |   |   :                            |
              |         S2 ___ Toast On    |   |  S1C       R3          R4      |
              +------------o:o-------------+   +---/ ----/\/\/\/\----/\/\/\/\---+
                            :              |     Broil      Bottom Element      |
               +-------+    :           R5 /   Top Brown                        |
           +-->| Timer |--+ :  Toast   47K \   (Full CW)   R1-R4: 8-12 ohms     |
           |   +-------+   )|| Release     /                                    |
       Light/Dark          )|| Solenoid    |   +--+ IL1 Power                   |
       Temp. Sensor       +                +---|oo|---+ Indicator               |
                          |                NE2 +--+   |                         |
      AC N o--------------+---------------------------+-------------------------+
    
    



  • Back to Sam's Schematic Collection Table of Contents.

    Toastmaster Toaster Oven/Broiler with Electronic Controls

    Well, for toast, at least! :)

    Aside from the CMOS IC based toast timer, this is a fairly basic design:

    The toast function and oven/broiler are controlled separately. A single Power/Temperature/Broil knob controls the oven/broiler. This is entirely electro-mechanical with a conventional bimetal thermostat. Toast darkness is based only on time using CD4541B timer chip to release a manually activated Toast lever. Older 'dumber' toasters often were more sophisticated in their operation using a combination of time and temperature. Not this one.

    Its conventional counterpart would be identical except using a mechanical and/or toast temperature sensor in place of the IC timer. Despite what you might think, the most likely failures are NOT in the 'high-tech' electronics but the usual burnt out heating element(s), bad cord or plug, broken wires, and tired switches.



  • Back to Sam's Schematic Collection Table of Contents.

    Rechargeable Appliance Schematics

    Rechargeable Appliance Schematics Introduction

    Here are circuit diagrams from several inexpensive rechargeable flashlights. and an electric toothbrush. These all use very 'low-tech' chargers so battery life may not be as long as possible and energy is used at all times when plugged into an AC outlet. The electric toothbrush schematic is more interesting since it uses a high frequency inductive coupling rather than a direct connection.



  • Back to Sam's Schematic Collection Table of Contents.

    First Alert Series 50 Rechargeable Flashlight

    This one is typical of combined all-in-one units using a lead-acid battery that extends a pair of prongs to directly plug into the wall socket for charging.

    It is a really simple, basic charger. However, after first tracing out the circuit, I figured only the engineers at First Alert knew what all the diodes were for - or maybe not :-). But after some reflection and rearrangement of diodes, it all makes much more sense: C1 limits the current from the AC line to the bridge rectifier formed by D1 to D4. The diode string, D5 to D8 (in conjunction with D9) form a poor-man's zener to limit voltage across BT1 to just over 2 V.

    The Series 50 uses a sealed lead-acid battery that looks like a multi-cell pack but probably is just a funny shaped single cell since its terminal voltage is only 2 V.

    Another model from First Alert, the Series 15 uses a very similar charging circuit with a Gates Cyclon sealed lead-acid single cell battery, 2 V, 2.5 A-h, about the size of a normal Alkaline D-cell.

    WARNING: Like many of these inexpensive rechargeable devices with built-in charging circuitry, there is NO line isolation. Therefore, all current carrying parts of the circuit must be insulated from the user - don't go opening up the case while it is plugged in!

    
                                                 2V LB1  Light
                                               1.2A +--+ Bulb    S1
                                           +--------|/\|----------o/ o----+
                _ F1   R3         D3       |        +--+                  |
       AC o----- _----/\/\---+----|>|--+---|----------------------+       |
              Thermal  15    |    D2   |   |                 4A-h |       |
               Fuse          | +--|>|--+   |         BT1 - |+ 2V  |       |
                             | |  D4       +--------------||------|-------+
                             +----|<|--+   |               |      |       |
                               |  D1   |   |  D8   D7   D6   D5   |  D9   |
              +--------+-------+--|<|--+---+--|<|--|<|--|<|--|<|--+--|>|--+
              |        |                                                  |
              |        /                                                  |
             _|_ C1    \ R1                                               |
             --- 2.2uf / 100K                                             |
              |  250V  \                                                  |
              |        |               R2          L1  LED                |
       AC o---+--------+--------------/\/\-----------|<|------------------+
                                     39K 1W       Charging
    
    



  • Back to Sam's Schematic Collection Table of Contents.

    Black & Decker Spotlighter Type 2 Rechargeable Flashlight

    This uses a 3 cell (3.6 V) NiCd pack (about 1 A-h). The charging circuit is about as simple as it gets!
    
                                                                     S1
             11.2 VRMS                                +---------------o/ o----+
      AC o-----+ T1       R1      LED1         D1     |  +| | | -             |
                )|| +----/\/\-----|>|---->>----|>|----+---||||||---+          |
                )||(      33    Charging     1N4002       | | |    |  KPR139  |
                )||(      2W                           BT1         |    LB1   |
                )||(                                   3.6V, 1 A-h |    +--+  |
                )|| +-------------------->>------------------------+----|/\|--+
      AC o-----+                                             Light Bulb +--+
    

    |<------- Charger ---------->|<---------- Flashlight ----------->|

    I could not open the transformer without dynamite but I made measurements of open circuit voltage and short circuit current to determine the value of R1. I assume that R1 is actually at least in part the effective series resistance of the transformer itself.

    Similar circuits are found in all sorts of inexpensive rechargeable devices. These have no brains so they trickle charge continuously. Aside from wasting energy, this may not be good for the longevity of some types of batteries (but that is another can of worms).



  • Back to Sam's Schematic Collection Table of Contents.

    Brand Unknown (Made in China) Rechargeable Flashlight

    This is another flashlight that uses NiCd batteries. The charger is very simple - a series capacitor to limit current followed by a bridge rectifier.

    There is an added wrinkle which provides a blinking light option in addition to the usual steady beam. This will also activate automatically should there be a power failure while the unit is charging if the switch is in the 'blink' position.

    With Sa in the blink position, a simple transistor oscillator pulses the light with the blink rate of about 1 Hz determined by C2 and R5. Current through R6 keeps the light off if the unit is plugged into a live outlet. (Q1 and Q2 are equivalent to ECG159 and ECG123AP respectively.)

    
                R1          D1                 R3   LED1
        AC o---/\/\----+----|>|-------+---+---/\/\--|>|--+    D1-D5: 1N4002
                33    ~|    D2        |+  |   150        |
               1/2W    +----|<|----+  |   |       R4     |  D5
                            D3     |  |   +------/\/\----+--|>|--+
                  C1   +----|>|----|--+   |    33, 1/2W          |   LB1 2.4V
                1.6uF ~|    D4     |      |   | |                |   +--+ .5A
        AC o--+---||---+----|<|----+--+---|--||||--------------+-+---|/\|----+
              |  250V  |              |-  | - | |+             |     +--+    |
              +--/\/\--+              |   |   BT1      + C2 -  |      R5     |
                  R2                  |   |  2.4V    +---|(----|-----/\/\----+
                 330K                 |   |          |  22uF   |     10K     |
                                      |   |    R6    |       |/ E            |
                                      |   +---/\/\---+-+-----| Q1            |
                                      |       15K      |     |\ C  +---------+
                                      |                /  C327 |   |         |
                                      |             R7 \   PNP |   |   1702N |
                                      |           100K /       |   |   NPN |/ C
                                      |                \       +---|-------| Q2
                                      |      On        |           |       |\ E
                                      |   S1 o---------|-----------+         |
                                      +----o->o Off    |                     |
                                             o---------+---------------------+
                                        Blink/Power Fail
    
    



  • Back to Sam's Schematic Collection Table of Contents.

    Electric Toothbrush with Inductively Coupled Charger

    This was found in an Interplak Model PB-12 electric toothbrush but similar designs are used in other appliances that need to be as tightly sealed as possible.

    A coil in the charging base (always plugged in and on) couples to a mating coil in the hand unit to form a step down transformer. The transistor, Q1, is used as an oscillator at about 60 kHz which results in much more efficient energy transfer via the air core coupling than if the system were run at 60 Hz. The amplitude of the oscillations varies with the full wave rectifier 120 Hz unfiltered DC power but the frequency is relatively constant.

         E1           CR2          R1                                E3
      AC o----+----+--|>|-----+---/\/\---+----+----------------+-------+  Coupling
              |   ~|  CR1     |+   1K    |    |                |        ) Coil
            +-+-+  +--|<|--+  |          |    / R2             |        ) 200T
        RU1 |MOV|     CR3  |  |      C1 _|_   \ 390K           |        ) #30
            +-+-+  +--|>|--|--+   .01uF ---   /          CR5   |     E4 ) 1-1/2"
           E2 |    |  CR4  |       250V  |    \ MPSA +---|<|---|----+--+   
      AC o----+----+--|<|--+             |    |   44 |         |    |
                  ~        |-     R3     |    | Q1 |/ C    C3 _|_  _|_ C2
                           +-----/\/\----+----+----|     .1uF ---  --- .0033uF
          CR1-CR4: 1N4005  |     15K               |\ E  250V  |    |  250V
                           |                R4       |         |    |
                           +---------------/\/\------+---------+----+
                                            1K
    
    RU1, the MOV (Metal Oxide Varistor), is the same sort of part found in a surge suppressor and is there for the same purpose. CR5 was not marked but is probably a fast recovery rectifier like an FR105 since it is part of the high frequency circuit.

    The battery charger is nothing more than a diode to rectifier the signal coupled from the charging base. Thus, the battery is on constant trickle charge as long as the hand unit is set in the base. The battery pack is a pair of AA NiCd cells, probably about 500 mA-h.

    For the toothbrush, a 4 position switch selects between Off, Low, Medium, and High (S1B) and another set of contacts (S1A) also is activated by the same slide mechanism. The motor is a medium size permanent magnet type with carbon brushes.

                                           S1B
                                  S1A  +--o->o
                     D1           _|_  |       R1,15,2W
                 +---|>|---+------o o--+   L o---/\/\---+
        Coupling |         |                   R2,10,2W |
           Coil  +        _|_ BT1          M o---/\/\---+
           120T (          _  2.4V                      |
            #30 (         ___ .5A-h        H o----------+
         13/16"  +         _                            |
                 |         |        +-------+           |
                 +---------+--------| Motor |-----------+
                                    +-------+
    



  • Back to Sam's Schematic Collection Table of Contents.

    Solar Powered Walk Light

    This was found in a Malibu(tm) LZ1 Solar light set made by Intermatic. It uses a solar cell, approximately 4 square inches in area, to charge a pair of AA NiCd cells during the day which powers a superbright yellow LED at night. I estimate the actual light output to be 2 or 3 mW at around 595 nanometers wavelength (something like stoplight yellow). Actually, it is kind of cool in more ways than one! :) If only the cheap plastic enclosure was actually waterproof....
    
           +------+---|>|---+------------+----------+
           |      |   D1    |            |          |
           |      | 1N4004  |            /          |
           |      |         |            \ R3     __|__
          +| SC1  |       +_|_ BT1       / 2.2K   _\_/_ LED
        +--+--+   |         _  2xAA NiCd \          |
        |Solar|   |        ___ 550mA-hr  |        |/ C
        |Cell |   |       - _            +---+----| Q2 SS8050
        +--+--+   |         |    R2      |   |    |\ E (ECG216)
          -|      |         |   20K    |/ C  /      |
           |      +---------|---/\/\---| Q1  \ R1   |
           |                |   SS9013 |\ E  / 100K |
           |                | (ECG123A)  |   |      |
           +----------------+------------+---+------+
    
    
    When there is enough voltage from the solar cell, Q1 is turned on and Q2 (the LED driver) is turned off. As far as I can tell, there is nothing to actually limit current to the LED except for the combination of battery, transistors, LED, and wiring resistance. Both transistors could probably be replaced with 2N3904s. So, if you were duplicating this thing, I'd recommend adding something to control the current to the LED or at least checking it first!

    Actual failure of this complex device would most likely be due to worn out NiCd cells or corrosion to due exposure to the weather.

    Operational problems like weak output or inadequate lighting time could be due to insufficient Sunlight (the thing is installed under a bush!) or extended cloudy conditions. Of course, these don't produce a huge amount of light in any case!



  • Back to Sam's Schematic Collection Table of Contents.

    Miscellaneous Circuits

    Discrete Multivibrator

    This is an astable multivibrator using discrete parts. Yes, I know, low tech but you can actually fondle all the internal points of interest that way :-).

    The time constant of R1*C1 and R2*C2 determine the blink rate. (Try 50K, 10 uF to start for a visible blink rate).

    You can also put an LED in series with one or both of the collector resistors (to blink alternately) and do away with any additional buffers.

    Modify the values of these pair of Rs and Cs for operation at higher or lower frequencies. Some considerations:

    Note: C1 and C2 can be either non-polarized or polarized (electrolytic) types. If polarized (e.g., to obtain higher capacitance values for lower operating frequencies), install the capacitors in the direction shown.
    
                        Vcc
                         o
                         |
            +----+-------+--------+----+--------------+
            |    |                |    |              |
            |    |                |    |              /
            /    /                /    /              \ 220
            \ 1K \ R1             \ R2 \ 1K           /
            /    /                /    /              \
            \    \                \    \            __|__
            |    |                |    |            _\_/_ LED
            +--------------+      |    |              |
            |    |      +--|-----------+              |   Q1-Q3: 2N3904 or similar
            |    |      |  |      |    |     10K    |/ C         general purpose
            |    |      |  |      |    +----/\/\----| Q3         NPN transistor.
           C \|  |  C1  |  |  C2  |  |/ C           |\ E
           Q1 |--+--)|--+  +--|(--+--| Q2             |
           E /|    -  +      +  -    |\ E            _|_
           _|_                        _|_             -
            -                          -
    
    
    Question for the student: What happens if one or both Cs are replaced by resistors?



  • Back to Sam's Schematic Collection Table of Contents.

    Simple Pushbutton Clock Circuit

    
             Vcc
              o
              |
              /
              \ 10K
              /
              \
              |           |\  74xx14
              +----+-----o|  >-----> To clock input (positive edge or pulse).
              |    |      |/
         2uF _|_    \
             ---   |
             _|_  _|_
              -    -
    
    



  • Back to Sam's Schematic Collection Table of Contents.

    Interesting Sequential Neon Flasher

    This is a sort of brain teaser since it certainly isn't intuitively obvious how this circuit works (if it works at all). It may be instructive to start with the degenerate case of 2 resistors, 2 neon lamps, and a single capacitor. What happens with that configuration?

    (From: Steve Roberts (osteven@akrobiz.com).)

    
      +200V o----+-----+-----+-----+-----+
                 |     |     |     |     |
                 /     /     /     /     /
                 \ R1  \ R2  \ R3  \ R4  \ R5    R1-R5: 2.7M
                 /     /     /     /     /
                 \     \     \     \     \
                 |     |     |     |     |
                 +-o A +-o B +-o C +-o D +-o E
                 |     |     |     |     |
                 | IL1 | IL2 | IL3 | IL4 | IL5   IL1-IL5: NE2
                +-+   +-+   +-+   +-+   +-+
                |o|   |o|   |o|   |o|   |o|
                +-+   +-+   +-+   +-+   +-+
                 |     |     |     |     |
        Gnd o----+-----+-----+-----+-----+
    
    
    Connect a .22 uF, 200 V capacitor between each of the following pairs of points: A to C, A to D, B to D, B to E, C to E.

    Neons will flash in sequence ABCDE if fed off DC. Momentarily removing the DC will cause them to flash EDCBA.

    Hint (sort of): This system may NOT do what would be expected when simulated on a computer unless certain conditions are met. What are they?

    From an ancient Radio Shack "Pbox" kit - the first kit I ever built!

    (From: Tim Conrad (tim.conrad@usoc.org).)

    The sequential flasher circuit is very old, going back to the 1950s at least. Operation follows classic neon light theory. As the voltage rises on the lamps, one will reach threshold first, and fire. That drops the voltage (via caps) on the two connected lamps, and to a lesser degree on the lamps those are connected to. The caps will charge through the resistors and one of the far lamps will finally reach threshold and fire. The process goes on from there.

    If you really want a strange one, draw 5 points in a circle. Then draw lines between the points. You will have a star inside of a pentagon. Replace each line with a 0.1 uF cap. Replace each point with a neon lamp and resistor. Resistor goes to +v and lamp. Other side of lamp to ground. (polarity doesn't really matter, just needs DC). Similar to your circuit, except more caps.

    Power it up and the bulbs will flash in some 5 step pattern, which will repeat until you interrupt power. Only one lamp on at a time.

    There are a whole lot of neon lamp circuits like this one. It is possible to build logic elements and flip-flops from them. I suppose one could build a computer with enough parts, although I don't know of anyone who had the patience.



  • Back to Sam's Schematic Collection Table of Contents.

    Circuit to Allow AC Signal to Activate Small Relay

    This allows a low voltage AC (or +DC for that matter) signal to drive a relay.
    
                               Vcc o--+---+
                                      |   |
                                     _|_   )||
                              1N4002 /_\   )|| Low current 12 VDC relay coil
                                      |    )||
                                      |   |
                                      +---+
                                          |
                1N4148          5K      |/ C
           AC o---|>|-----+----/\/\-----|    General purpose NPN transistor
                        +_|_            |\ E  like 2N3904
         (2-10 VRMS)     --- 10uF         |
                          |  15V          |
           AC +-----------+---------------+
            
    
    Modify for your needs.



  • Back to Sam's Schematic Collection Table of Contents.

    1.5 V LED Circuits

    Here are a pair of circuits that will light an LED when powered from a single 1.5 V alkaline cell. They should also operate on the 1.2 V output of a NiCd or NiMH cell as well as from a supercapacitor or ultracapacitor charged to 1 to 1.5 V.

    Both circuits and the descriptions below have been contributed by: Andre De-guerin (mandoline@gtonline.net).

    1.5 V LED Flasher

    This circuit utilizes the voltage doubling principle to flash an LED from a 1.5 source like a single alkaline cell. In addition, it can be dark activated by gating pin 5 of U1 with an LDR (Light Dependent Resistor) and resistor. The current drain is less than 40 uA between flashes. The LED current is 50 mA peak so it's quite bright.

    The original source for this circuit is from the ZSCT1555 Application Notes and a standard voltage doubler which was slightly modified so I could use a resistor instead of a diode. Not exactly new, but just a novel use of existing components as it isn't in any literature since the standard 555 timer works down to 3 V whereas this one works down to 0.9 V.

    Using a 1 Farad supercapacitor charged to 1.5 V as the power source, the LED flashed for about eight hours. There was no change in oscillator frequency and the brightness stayed constant down to about 1.0 volts.

    
               R1 1M
             +--/\/\---+---+------------+---o Vcc (1.5 V)
             |         |   |            |
             |      +---------+       __|__
             |      |  4   8  |       _\_/_ LED1 9,600 mcd yellow LED
             +------|7        |    C3   |
             |      |   IC1   |   47uF  |
          R2 /  +---|6       3|----|(---+   IC1 is ZSCT1555
          1M \  |   |         |   +  -  |
             /  +---|2 5   1  |         / R3
             |  |   +---------+         \ 470
             +--+      |  _|_           /
            C1 _|_    _|_  -           _|_
        0.33uF ---    --- C2            -
               _|_    _|_ 10nF
                =      -
    
    

    Dark Activated 1.5 V LED Flasher

    This circuit uses an ICL7660S to flash an LED from 1.5 V. A second LED in photodiode mode is used as the light sensor, inhibiting IC1 during daylight hours. Use a 9,600 mcd yellow LED for LED1, and a high efficiency red LED for LED2 to get maximum sensitivity. Replace LED2 with an infra-red (IR) LED to make a remote control sensor. The LED will go out when IR is detected

    The original source of the this circuit was from Circuitos Corporation. However, the original design used an ORP12 as the sensor instead of an LED. And it didn't work. Evidently, it was never tested.

    
              - |+ BT1,1.5V
            +--||--+----+----------+
            |   |  |   _|_ C2      |
            |      |   --- 22nF    |
          +----------+  |          |
          | 3      8 |  |   LED2   |
          |         7|--+---|>|----+
          |          |    Red LED  |
          |   IC1   6|--+          |  IC1: ICL7660
          |          |  |   LED1   |
          |         5|--+---|<|----+
          | 2      4 | 9,600 mcd yellow LED
          +----------+
            | +  - |
            +--|(--+
               C1
            47uF,6V
    
    

    With only a minor modification (increase C2 to 0.1 uF) a similar flasher can be built with a MAX660. This provides a slightly higher output current and it will flash reliably with a larger time delay between flashes (like up to a minute with a 3.3 uF capacitor).

    Additional Notes on Low Voltage Flashers



  • Back to Sam's Schematic Collection Table of Contents.

    Brinkmann LED Light

    This uses a single white LED to implement something that looks like a flashlight though it probably wouldn't win any awards for brightness. The challenge in such a circuit was to run a white LED with a 4+ V drop off a pair of AA batteries. This cute little circuit does it. In fact, it will run (at reduced brightness) at 1.5 V or less. See: Brinkmann LED Light.

    The oscillator circuit runs at about 200 kHz producing a more or less squarewave voltage waveform across the LED with a peak of 4.5 to 5 V on fresh AA batteries. At reduced input voltage, the frequency is a bit lower and there is a longer low time as well as slightly reduced peak voltage.



  • Back to Sam's Schematic Collection Table of Contents.

    Variations on 555 Timer Circuits

    Here some simple modifications to the basic 555 astable circuit. (Only the charge/discharge circuits are shown.)

    Independently variable high and low time

    
             -----------+                             R1
                    DIS |------------------------+---/\/\----o Vcc
                        |         R2       D1    |
               555   TH |--+-----/\/\------|<|---+
                        |  |      R3       D2    |
                     TR |--+-+---/\/\------|>|---+
             -----------+   _|_
                            --- C1
                            _|_
                             -
    

    R2 and/or R3 would typically be variable resistors. The time constant (R1+R2)*C1 controls the charge (high) time. The time constant (R1+R3)*C1 controls the discharge (low) time.

    Fixed frequency, variable pulse width

    
             -----------+
                    DIS |--------------+----------+
                        |        D1    |          |
               555   TH |--+-----|<|---+          |
                        |  |      R2       D2     v R3   R1
                     TR |--+-+---/\/\------|>|---/\/\---/\/\---o Vcc
             -----------+   _|_
                            --- C1
                            _|_
                             -
    

    The time constant (R1+R2+R3)*C1 controls the total time. R1*C1 controls the minimum length of the charge (high) time. R2*C1 controls the minimum length of the discharge (low) time.

    However, note that unless the potentiometer used is well behaved near its end-points, there will be changes in both frequency and duty cycle may occur at one end at least. Multiturn pots tend to be well behaved but some single (partial) turn pots are not.

    Nearly Full Range Pulse Width DC Controller

    This circuit will drive a resistive DC load with an output from about 2 to 98 percent duty cycle. As drawn, the load voltage is assumed to be between 20 and 30 VDC with a maximum current of about 5 A. A standard-blow fuse with a current rating just slightly above the expected maximum average current should be provided in series with the power supply.

    PWM1 is based on the SG3525 PWM controller IC, normally used for switchmode power supplies. While a 555 timer can implement a similar capability, I don't know of a simple setup that provides an output that has the same wide range and linearity.

    With trivial changes, a wide range of other types of loads can be accommodated. With LC smoothing filter, inductive loads like DC motors can be used. The pot can be replaced with an external signal input if desired. Or, a voltage derived from the output can be fed into the error amplifier instead to provide closed-loop regulation. Using a voltage derived from a sense resistor in the source return can be used to implement a current regulated drive.

    The SG3525 (U1) will run with supply voltages above 30 VDC, so the zener circuit really isn't essential. Alternatively, if the output needs to be lower or higher, U1 can be powered from a separate supply.

    Note: While I show the unused inputs floating and it works that way, it may be a good idea to ground SYNC (pin 3) and SHDN (pin 10) if they aren't being driven since I once saw some funny behavior when built on a protoboard (one of those things having push-in wire strips) with these signals floating.



  • Back to Sam's Schematic Collection Table of Contents.

    -- end V1.93f --